-
賓夕法尼亞大學研究團隊研發出全新光學纖維
近日,一支由賓夕法尼亞(ya) 大學化學部教授John Badding領導的研究團隊近日成功研發出了一種基於(yu) 矽材料的 光學 纖維。它可以像太陽能電池那樣為(wei) 電子產(chan) 品進行充電。 團隊介紹,此前他們(men) 是通過...
2012-12-12 -
光纖寬帶總投入或將超5000億
作為(wei) 世界上擁有網民數量最多的國家,上網速度慢、下載流量低等問題一直困擾著中國的網民。與(yu) 日俱增的互聯網用戶對上網流量以及速度的高要求,使建設光纖寬帶成為(wei) 我國發展信息產(chan) 業(ye) 的...
2012-12-10 -
海纜成為我國光纖企業利潤新增長點
當市場國際化逐漸臨(lin) 近,通信地球村進程考驗著我國國際通信能力。 據了解,截至2011年底,我國國際出口總帶寬1960G,其中大部分國際間業(ye) 務由海纜傳(chuan) 輸完成。 中國移動設計院有線所副所長高...
2012-12-04 -
4G升溫:無線及光通信設備商均受益
中國移動昨日上午在成都測試TD-LTE,這是繼愛立信此前測試青島TD-LTE實驗網後又一次測網行動。 按照規劃,明年3月底前中國移動在成都將建成1000個(ge) 4G基站,重點完成對機場高速、南延線、一環...
2012-12-03 -
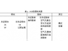
光子晶體光纖的特性及在光纖通信中的應用(二)
PCF導光機理可以分為(wei) 兩(liang) 類:折射率導光機理和光子能隙導光機理。 折射率導光機理:周期性缺陷的纖心折射率(石英玻璃)和周期性包層折射率(空氣)之間有一定的差別,從(cong) 而使光能夠在纖...
2012-11-26 -
光子晶體光纖的特性及在光纖通信中的應用(一)
光子晶體(ti) 光纖 (PhotonicCrystalFiber,PCF),也稱為(wei) 微結構光纖(MicrostructureOpticalFiber,MOF),它具備許多獨特而新穎的物理特性,如:可控的非線性、無盡單模特性、可調節的奇異色散、低彎曲損耗、...
2012-11-26 -
康寧:創新永不止步 光纖鋪就未來
準確地講,康寧是一家多元化的材料科技公司。康寧大中華區企業(ye) 網副總裁楊正毅介紹說,圍繞特種玻璃和陶瓷這兩(liang) 大核心材料,康寧不斷地拓展它們(men) 的應用,延伸它們(men) 的領域。而公司能夠生...
2012-11-26 -
全球光纖設備第三季度銷售額下跌7%
光纖 設備市場的全球銷售額在第三季度下降7.4%,跌至31億(yi) 美元,其中北美地區最為(wei) 慘烈,研究公司Infonetics透露。 不過,野村證券分析師Stuart Jeffrey在一份報告中說,市場的這種跌勢已經趨於(yu) 平...
2012-11-21
排行榜
編輯推薦
關注我們









