
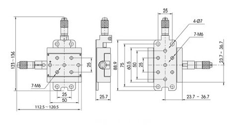
特點:
·結構緊湊設計,在小的體(ti) 積內(nei) 實現兩(liang) 軸平移調整,並且兩(liang) 軸正交精度高
·導軌采用精密線性滾珠配合精磨鋼棒導軌,運動舒適,精度高
·測微頭驅動,彈簧複位,定量讀數,消除空回
·左右手成對設計,兩(liang) 軸的測微頭安裝在同一個(ge) 水平麵上,方便操作


轉載請注明出處。
星之球科技 來源:賽凡機電2011-07-23
我要評論(0 )
![]()
特點: 結構緊湊設計,在小的體(ti) 積內(nei) 實現兩(liang) 軸平移調整,並且兩(liang) 軸正交精度高 導軌采用精密線性滾珠配合精磨鋼棒導軌,運動舒適,精度高 測微頭驅動,彈簧複位,定量讀數,...

特點:
·結構緊湊設計,在小的體(ti) 積內(nei) 實現兩(liang) 軸平移調整,並且兩(liang) 軸正交精度高
·導軌采用精密線性滾珠配合精磨鋼棒導軌,運動舒適,精度高
·測微頭驅動,彈簧複位,定量讀數,消除空回
·左右手成對設計,兩(liang) 軸的測微頭安裝在同一個(ge) 水平麵上,方便操作


轉載請注明出處。
① 凡本網未注明其他出處的作品,版權均屬於(yu) fun88网页下载,未經本網授權不得轉載、摘編或利用其它方式使用。獲本網授權使用作品的,應在授權範圍內(nei) 使
用,並注明"來源:fun88网页下载”。違反上述聲明者,本網將追究其相關(guan) 責任。
② 凡本網注明其他來源的作品及圖片,均轉載自其它媒體(ti) ,轉載目的在於(yu) 傳(chuan) 遞更多信息,並不代表本媒讚同其觀點和對其真實性負責,版權歸原作者所有,如有侵權請聯係我們(men) 刪除。
③ 任何單位或個(ge) 人認為(wei) 本網內(nei) 容可能涉嫌侵犯其合法權益,請及時向本網提出書(shu) 麵權利通知,並提供身份證明、權屬證明、具體(ti) 鏈接(URL)及詳細侵權情況證明。本網在收到上述法律文件後,將會(hui) 依法盡快移除相關(guan) 涉嫌侵權的內(nei) 容。
相關文章
網友點評
熱門資訊
精彩導讀
關注我們