交叉滾子導軌[SGD型]


|
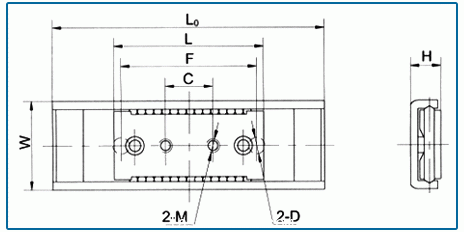
型號 |
W |
H |
L0 |
L |
F |
C |
M |
D |
|
SGD13 |
13 |
4.5 |
40 |
22 |
20 |
7 |
M2 |
Φ2.4 |
轉載請注明出處。









相關文章
熱門資訊
精彩導讀
























關注我們

