引言
激光顯示是以紅、綠、藍(RGB)三基色激光為(wei) 光源的顯示技術,可以最真實地再現客觀世界豐(feng) 富、豔麗(li) 的色彩,提供更具震撼的表現力。我國激光顯示研發的最終目標是在未來的幾年內(nei) 將激光顯示技術推向產(chan) 業(ye) 化。在這樣的背景下,激光顯示係統的光色性能的檢測也顯得越發重要。然而,目前的各類光色性能的檢測係統以及各類色度照度計,其測量目標主要還是針對具有較寬光譜範圍的非相幹光源,同時存在成本昂貴、檢測精度不高的缺點。
本文針對顯示用激光光源波長固定的特點,在獲得精確被測光源對應的光電流值的情況下,隻要給出被測光源的特定波長相對應的光電轉換裝置的光電轉換係數,就能獲得精確的被測光源的光功率分布,進而獲得該被測光的光色性能的光通量、對比度、均勻度等參數。基於(yu) 上述理論,本文結合單片機設計了激光顯示的手持式光色性能測量係統,從(cong) 而實現了激光投影係統的光色性能測量,成本低,精度高;由於(yu) 是手持式設備,更易於(yu) 攜帶,而且也適用於(yu) 更多的場合。
1 測試原理
本測試裝置采用顏色傳(chuan) 感器感應投影激光投影屏幕的光電流,此時隻要得到輸出光電流與(yu) 所述被測光的光功率分布的轉換係數,就可以得到被測光的光功率,並由光功率通過相應的公式計算出相應激光投影的光色性能參數。
測量時,轉換係數是在光色性能測量之前事先被確定的,並被記錄在一個(ge) 表格中。方法是利用光功率計測量出被測激光的光功率,再用該激光照射光電轉換裝置,讀出該光電轉換裝置的輸出數字電壓值;接著,基於(yu) 已知的波長位置光的光功率分布,就能計算出各個(ge) 波長位置的光所對應的光電轉換裝置的輸出光電流與(yu) 各波長位置的光功率分布之間的轉換係數。限於(yu) 篇幅,這裏隻列出被測光的光功率分布計算公式:

在對激光顯示的光色性能進行測量的過程中,根據被測光的特定波長,通過查找該表格,即可以選擇對應的光電轉換係數。
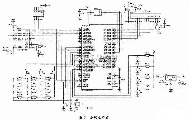
2 測試係統結構
如圖1所示,本測試係統設計為(wei) 九個(ge) 單元,下麵將對九個(ge) 單元分別做出介紹。

中央處理單元U1是整個(ge) 測試係統的核心,其芯片的選擇將影響到整個(ge) 係統的性能。經過比較,ATmega128單片機具有先進的RISC結構,133條指令,大多數可以在一個(ge) 時鍾周期內(nei) 完成;具有128 KB在線可重複編程FLASH,4 KB E2PROM以及4 KB的內(nei) 部SRAM;32×8位通用工作寄存器;全靜態工作,工作於(yu) 16 MHz時,性能高達16 MIPS。綜上所述,考慮到ATmage128功能強、成本低、速度快、接口多的特點,選擇其作為(wei) 中央處理單元U1,來輸出光電轉換裝置的控製信號和讀取該光電轉換裝置U4輸出的被測光所對應的各光電流值,並根據光電流值及該光電轉換裝置的光電轉換係數計算光色性能的各測試參數和將參數結果送到顯示單元。
數據傳(chuan) 送單元U2采用RS 232,以將ATmega128中的數據傳(chuan) 送至PC;由於(yu) AVR的USART本身並不是標準的RS 232C接口,因此,在電路上還需做一定的轉換才能與(yu) PC機通信,主要應解決(jue) 兩(liang) 個(ge) 問題:其一是AVR的USART本身隻配了TXD,RXD兩(liang) 根信號線;其二是AVR的USART本身的輸出是TTL/CMOS兼容的電平,采用的是正邏輯。
因此,利用MAX232為(wei) 電平轉換芯片來設計電平邏輯轉換電路與(yu) PC機通信。
程序下載接口U3采用ISP來用於(yu) ATmega128程序的下載。由於(yu) 采用了ISP技術,所以,在用器件實現預定功能時,省去了專(zhuan) 門的編程設備對器件進行單獨編程的環節,從(cong) 而簡化了設計過程。而且在利用ISP技術進行功能修改時,能夠在不從(cong) 係統中取下器件的情況下直接對芯片進行重新編程,因而設計調整驗證十分方便,可及時處理那些設計過程中無法預料的邏輯變動,可大大縮短係統的設計與(yu) 調試周期。
光電轉換裝置U4用於(yu) 獲得被測光在測試點對應的光電流值。它采用圓筒狀結構,圓筒頂部設置有漫光片(漫光片的作用是對探頭的光譜匹配進行修正),數字光敏芯片S9706設置在圓筒底部。由於(yu) S9706是高性能多波段感光芯片,可自動完成A/D轉換,且最大可測光照度可調,因此,整個(ge) 過程可得到簡化。圖2為(wei) 光電轉換裝置的結構圖。

顯示單元U5選用NOKIA 5110點陣LCD,體(ti) 積小,采用串口與(yu) 單片機通信,串口速率高達4 b/s。
供電單元U6為(wei) U1,U2,U4,U5,U7供電,它可將鋰電池3.7 V電壓轉換到3.3 V的工作電壓。
U7為(wei) 外部時鍾晶振。考慮到ATmega128內(nei) 部時鍾晶振的不精確性,故采用精確性好的4 MHz外部時鍾晶振。
普通無源按鍵U8,用於(yu) 光源波長等數據的輸入,是手持式測量裝置的輸入部分。
中斷按鍵包括菜單按鍵,可與(yu) 中央處理單元模塊普通I/O口相連,用於(yu) 一些參數的查看和功能的設置;模式選擇按鍵MODE與(yu) 中央處理單元模塊中斷輸入口相連,用於(yu) 不同製式之間的切換選擇;消除環境光幹擾按鍵ZERO與(yu) 中央處理單元中斷輸入口相連,用於(yu) 消除環境光的幹擾;靜止按鍵HODE與(yu) 中央處理單元中斷輸入口相連,用於(yu) 停止裝置的實時性,靜止的顯示上次測試的結果;菜單按鍵MENU與(yu) 中央處理單元中斷輸入口相連,用於(yu) 打開菜單。測試係統電路如圖3所示。

3 係統工作流程
軟件程序分為(wei) 單片機ATmega128端和手持終端界麵;前者利用CVAVR用C編寫(xie) 程序,將光電轉換裝置輸入的光電流按照一定的算法進行處理,並顯示結果。具體(ti) 軟件流程圖如圖4所示,其中例程1和例程2將同時進行。

手持測試裝置的界麵采用C#編寫(xie) 的圖形用戶界麵,是得到測試光色參數的直接途徑,用戶通過按鍵選擇相應參數進行測試後,其測試結果將顯示在相應的表格裏。#p#分頁標題#e#
4 結語
本文設計在參考標準精度為(wei) 0.1%的情況下,預計其精度可達到1%以下,此精度已遠遠高於(yu) 國家要求的4%的標準。係統驗證結果證明,該單點測試係統可以低成本實現光色性能的便攜式高精度測量,並可以移動地實現光通量、照度均勻度、色度均勻度、對比度等主要光色性能的精確測試。
該測量儀(yi) 克服了現有技術的不足之處,在測試前無需對光電轉換裝置的光譜靈敏度曲線與(yu) 標準顏色匹配曲線進行擬合,這在很大程度上實現了低成本。
轉載請注明出處。







相關文章
熱門資訊
精彩導讀

































關注我們

