-
智能控製的半導體激光器電源設計(二)
軟件設計 軟件采用C51編寫(xie) 程序,包括主程序和中斷響應程序部分。 主程序主要是實現軟啟動、慢關(guan) 機和控製發火。在係統啟動時,初始化係統後進入人機對話界麵,掃描是否有按鍵按下,若有...
2012-06-26 -
智能控製的半導體激光器電源設計(一)
由於(yu) 具有體(ti) 積小、重量輕等特點, 半導體(ti) 激光器 (LD)在信息、通訊、醫療等領域得到日益廣泛的應用,且與(yu) 電子器件結合實現單片 光電 子集成。但是LD容易受到過電壓、電流或靜電荷的衝(chong) 擊而...
2012-06-26 -
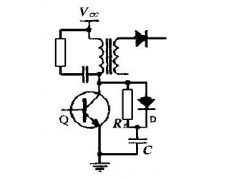
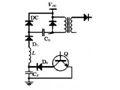
開關電源中功率晶體管的二次擊穿現象及防護措施(二)
3) 無源回饋關(guan) 斷緩衝(chong) 電路(圖4) : 圖中Co 為(wei) 轉移電容, Dc 為(wei) 回饋二極管,由這兩(liang) 個(ge) 元件 將能量回饋到負載上。當管子關(guan) 斷時,緩衝(chong) 電容Cs 充電至電源電壓Vcc ,在管子下一次開通時,負載...
2012-06-26 -
開關電源中功率晶體管的二次擊穿現象及防護措施(一)
摘要: 本文分析了 晶體(ti) 管 二次擊穿的現象和產(chan) 生原因, 並結合 開關(guan) 電源 的設計及生產(chan) 實際, 介紹了緩衝(chong) 回路的應用及其它有關(guan) 晶體(ti) 管防護措施。 隨著 電子技術 的不斷發展和新型元器件的...
2012-06-26 -
開關電源的軟起動電路
1引言 開關(guan) 電源的輸入電路大都采用整流加電容濾波電路。在輸入電路合閘瞬間,由於(yu) 電容器上的初始電壓為(wei) 零會(hui) 形成很大的瞬時衝(chong) 擊電流(如圖1所示),特別是大功率開關(guan) 電源,其輸入采用...
2012-05-29 -
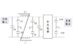
利用濾波器有效抑製開關電源電磁幹擾問題(二)
基本濾波技術 濾波是抑製幹擾的一種有效措施,尤其是對開關(guan) 電源EMI信號的傳(chuan) 導幹擾和輻射幹擾。 削弱傳(chuan) 導幹擾,把EMI信號控製在有關(guan) 電磁兼容性(EMC)標準規定的極限電平以下,最有效的方...
2012-05-29 -
利用濾波器有效抑製開關電源電磁幹擾問題(一)
引言 開關(guan) 電源廣泛應用於(yu) 計算機及外圍設備、通信、自動控製、家用電器等領域,具有功耗低、效率高、體(ti) 積小等顯著優(you) 點,是目前最普遍應用於(yu) 電子設備中的一種電源裝置。 開關(guan) 電源的突出...
2012-05-29 -
YAG激光電源的電磁兼容性(二)
3結果分析及改進措施 3.1電源線上傳(chuan) 導發射 (1)電源線上傳(chuan) 導發射的原因及應對措施 ①由於(yu) 激光電源在運行過程中造成工頻波形的畸變,產(chan) 生大量的諧波在電源線上傳(chuan) 導發射。 ②由於(yu) 激光器...
2012-05-29
排行榜
編輯推薦
關注我們









