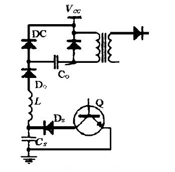
3) 無源回饋關(guan) 斷緩衝(chong) 電路(圖4) : 圖中Co 為(wei) 轉移電容, Dc 為(wei) 回饋二極管,由這兩(liang) 個(ge) 元件將能量回饋到負載上。當管子關(guan) 斷時,緩衝(chong) 電容Cs 充電至電源電壓Vcc ,在管子下一次開通時,負載電流從(cong) 續流二極管Df 轉移至晶體(ti) 管。同時, Cs 上的電壓諧振到Co 上。 當管子再關(guan) 斷時,電容Cs 再次充電,電容Co向負載放電,能量得到回饋。

圖4 無源回饋關(guan) 斷緩衝(chong) 回路
4) 無源回饋開通緩衝(chong) 電路(圖5) :此電路通過變壓器將磁場貯能回饋到電源。變壓器為(wei) 雙線繞製,其原邊具有一定電感;幅邊的極性與(yu) 原邊相反,並且接有反向二極管。管子開通時,原邊承受全部電源電壓,副邊無通電回路。管子關(guan) 斷時,副邊感應電壓極性換向,當其電壓高於(yu) 電源電壓Vcc 時, 向電源饋送能量。

圖5 無源回饋開通緩衝(chong) 回路
5) 複合緩衝(chong) 電路: 將開通緩衝(chong) 電路與(yu) 關(guan) 斷緩衝(chong) 電路結合在一起, 則形成複合緩衝(chong) 電路, 在晶體(ti) 管開通和關(guan) 斷時複合緩衝(chong) 電路均有保護作用。這種電路也分為(wei) 耗能式和饋能式兩(liang) 類。
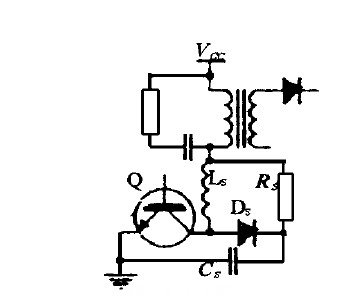
a. 耗能式複合緩衝(chong) 電路(圖6) : 在管子開通時, 緩衝(chong) 電容經Cs 、Rs 、Ls 回路放電, 減少了管子承受的電流上升率。此外,在管子開通時,電感Ls 還可限製續流二極管Df 的反向恢複電流。

圖6 耗能式複合緩衝(chong) 回路
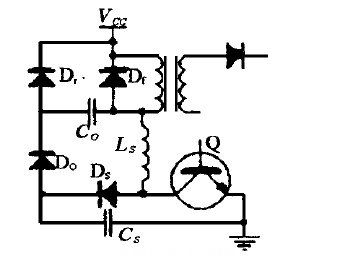
b. 饋能式複合緩衝(chong) 電路(圖7) : 當晶體(ti) 管關(guan) 斷時, 電容Co和電感Ls 並聯運行,將貯存的能量饋送到負載。當電容Co 放電時,電感Ls 上的電壓逐漸減小為(wei) 0 ,在這段時間內(nei) 負載電流經續流二極管Df 導通。

圖7 饋能式複合緩衝(chong) 回路
上述各種緩衝(chong) 電路不外乎分為(wei) 兩(liang) 大類型, 即耗能式和饋能式。耗能式線路簡單但相對耗能較高,適合於(yu) 較小功率電源使用。饋能式線路複雜, 但在大功率電源中, 如果將緩衝(chong) 電路所耗散的能量以熱的形式散發, 勢必造成很大麻煩, 因此, 要采用饋能式緩衝(chong) 電路。
2 結束語
有效地避免主開關(guan) 管的二次擊穿是提高開關(guan) 電源可靠性的關(guan) 鍵, 也是值得研究的一個(ge) 課題。當前, 開關(guan) 電源正朝著高頻化、大功率化的方向發展, 上麵所討論的問題會(hui) 顯得更為(wei) 突出。應引起足夠的重視。
轉載請注明出處。







相關文章
熱門資訊
精彩導讀



















關注我們

