-
移相全橋大功率軟開關電源的設計
1 引言 在電鍍行業(ye) 裏,一般要求工作電源的輸出電壓較低,而電流很大。電源的功率要求也比較高,一般都是幾千瓦到幾十千瓦。目前,如此大功率的電鍍電源一般都采用晶閘管相控整流方式...
2011-10-31 -
工控係統的電源抗幹擾技術分析
引言 計算機用於(yu) 工控自動化,對於(yu) 提高產(chan) 品的產(chan) 量與(yu) 質量、節約能源和材料、保障生產(chan) 安全和減輕勞動強度、實現生產(chan) 的現代化管理等等方麵都具有重要的作用,是直接提高經濟效益、最具發...
2011-10-31 -
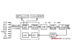
基於單片機的智能大功率直流電源設計
引言 在大功率直流電源中,主電路一般采用晶閘管三相全控橋式整流電路,其關(guan) 鍵在於(yu) 如何準確、可靠、穩定地控製晶閘管的導通角。 目前,大功率直流電源現場應用中最為(wei) 普遍的控製方式大...
2011-10-31 -
開關電源的衝擊電流控製方法
1. 引言 開關(guan) 電源的輸入一般有濾波器來減小電源反饋到輸入的紋波,輸入濾波器一般有電容和電感組成形濾波器,圖1. 和圖2. 分別為(wei) 典型的AC/DC電源輸入電路和DC/DC電源輸入電路 由於(yu) 電容器在...
2011-10-27 -
基於LDO的開關電源設計
電源是各種電子設備必不可缺少的組成部分,其性能的優(you) 劣直接關(guan) 係到電子設備的技術指標及能否安全可靠地工作。目前常用的直流穩壓電源分線性電源和開關(guan) 電源兩(liang) 大類,由於(yu) 開關(guan) 電源內(nei) 部...
2011-10-27 -
開關電源的穩定性設計
引言 眾(zhong) 所周知,任何閉環係統在增益為(wei) 單位增益,且內(nei) 部隨頻率變化的相移為(wei) 360時,該閉環控製係統都會(hui) 存在不穩定的可能性。因此幾乎所有的開關(guan) 電源都有一個(ge) 閉環反饋控製係統,從(cong) 而能獲...
2011-10-27 -
開關電源在戶外LED顯示屏的解決方案
1 前言 開關(guan) 電源作為(wei) LED顯示屏的主要部件,其質量和性能直接關(guan) 係著顯示屏的質量和壽命。由於(yu) LED戶外全彩顯示屏中光電器件的特性與(yu) 一般顯示屏不同,造價(jia) 十分昂貴,對開關(guan) 電源的性能和質...
2011-10-27 -
脈衝激光電源的原理
脈衝(chong) 激光電源是專(zhuan) 門為(wei) 脈衝(chong) Nd:YAG激光器設計的電源。采用開關(guan) 電源,內(nei) 部是由單片機控製的,是真正的數控電源。通過觸模式操作麵板選擇激光輸出功率、頻率和脈寬等參數,用戶通過鍵盤對...
2011-10-16
排行榜
編輯推薦
關注我們









