1. 引言
開關(guan) 電源的輸入一般有濾波器來減小電源反饋到輸入的紋波,輸入濾波器一般有電容和電感組成∏形濾波器,圖1. 和圖2. 分別為(wei) 典型的AC/DC電源輸入電路和DC/DC電源輸入電路

由於(yu) 電容器在瞬態時可以看成是短路的,當開關(guan) 電源上電時,會(hui) 產(chan) 生非常大的衝(chong) 擊電流,衝(chong) 擊電流的幅度要比穩態工作電流大很多,如對衝(chong) 擊電流不加以限製,不但會(hui) 燒壞保險絲(si) ,燒毀接插件,還會(hui) 由於(yu) 共同輸入阻抗而幹擾附近的電器設備。

圖3. 通信係統的最大衝(chong) 擊電流限值(AC/DC電源)

圖4. 通信係統在標稱輸入電壓和最大輸出負載時的衝(chong) 擊電流限值(DC/DC電源)
歐洲電信標準協會(hui) (the European Telecommunications Standards Institute)對用於(yu) 通信係統的開關(guan) 電源的衝(chong) 擊電流大小做了規定,圖3為(wei) 通信係統用AC/DC電源供電時的最大衝(chong) 擊電流限值[4],圖4為(wei) 通信係統在DC/DC電源供電,標稱輸入電壓和最大輸出負載時的最大衝(chong) 擊電流限值[5]。圖中It為(wei) 衝(chong) 擊電流的瞬態值,Im為(wei) 穩態工作電流。
衝(chong) 擊電流的大小由很多因素決(jue) 定,如輸入電壓大小,輸入電線阻抗,電源內(nei) 部輸入電感及等效阻抗,輸入電容等效串連阻抗等。這些參數根據不同的電源係統和布局不同而不同,很難進行估算,最精確的方法是在實際應用中測量衝(chong) 擊電流的大小。在測量衝(chong) 擊電流時,不能因引入傳(chuan) 感器而改變衝(chong) 擊電流的大小,推薦用的傳(chuan) 感器為(wei) 霍爾傳(chuan) 感器。
2. AC/DC開關(guan) 電源的衝(chong) 擊電流限製方法
2.1 串連電阻法
對於(yu) 小功率開關(guan) 電源,可以用象圖5的串連電阻法。如果電阻選得大,衝(chong) 擊電流就小,但在電阻上的功耗就大,所以必須選擇折衷的電阻值,使衝(chong) 擊電流和電阻上的功耗都在允許的範圍之內(nei)

圖5. 串連電阻法衝(chong) 擊電流控製電路(適用於(yu) 橋式整流和倍壓電路,其衝(chong) 擊電流相同)
串連在電路上的電阻必須能承受在開機時的高電壓和大電流,大額定電流的電阻在這種應用中比較適合,常用的為(wei) 線繞電阻,但在高濕度的環境下,則不要用線繞電阻。因線繞電阻在高濕度環境下,瞬態熱應力和繞線的膨脹會(hui) 降低保護層的作用,會(hui) 因濕氣入侵而引起電阻損壞。
圖5所示為(wei) 衝(chong) 擊電流限製電阻的通常位置,對於(yu) 110V、220V雙電壓輸入電路,應該在R1和R2位置放兩(liang) 個(ge) 電阻,這樣在110V輸入連接線連接時和220V輸入連接線斷開時的衝(chong) 擊電流一樣大。對於(yu) 單輸入電壓電路,應該在R3位置放電阻。
2.2 熱敏電阻法
在小功率開關(guan) 電源中,負溫度係數熱敏電阻(NTC)常用在圖5中R1,R2,R3位置。在開關(guan) 電源第一次啟動時,NTC的電阻值很大,可限製衝(chong) 擊電流,隨著NTC的自身發熱,其電阻值變小,使其在工作狀態時的功耗減小。
用熱敏電阻法也由缺點,當第一次啟動後,熱敏電阻要過一會(hui) 兒(er) 才到達其工作狀態電阻值,如果這時的輸入電壓在電源可以工作的最小值附近,剛啟動時由於(yu) 熱敏電阻阻值還較大,它的壓降較大,電源就可能工作在打嗝狀態。另外,當開關(guan) 電源關(guan) 掉後,熱敏電阻需要一段冷卻時間來將阻值升高到常溫態以備下一次啟動,冷卻時間根據器件、安裝方式、環境溫度的不同而不同,一般為(wei) 1分鍾。如果開關(guan) 電源關(guan) 掉後馬上開啟,熱敏電阻還沒有變冷,這時對衝(chong) 擊電流失去限製作用,這就是在使用這種方法控製衝(chong) 擊電流的電源不允許在關(guan) 掉後馬上開啟的原因。
2.3 有源衝(chong) 擊電流限製法
對於(yu) 大功率開關(guan) 電源,衝(chong) 擊電流限製器件在正常工作時應該短路,這樣可以減小衝(chong) 擊電流限製器件的功耗

圖6. 有源衝(chong) 擊電流限製電路 (橋式整流時的衝(chong) 擊電流大)
在圖6中,選擇R1作為(wei) 啟動電阻,在啟動後用可控矽將R1旁路,因在這種衝(chong) 擊電流限製電路中的電阻R1可以選得很大,通常不需要改變110V輸入倍壓和220V輸入時的電阻值。在圖6中所畫為(wei) 雙向可控矽,也可以用晶閘管或繼電器將其替代。
圖6所示電路在剛啟動時,衝(chong) 擊電流被電阻R1限製,當輸入電容充滿電後,有源旁路電路開始工作將電阻R1旁路,這樣在穩態工作時的損耗會(hui) 變得很小。
在這種可控矽啟動電路中,很容易通過開關(guan) 電源主變壓器上的一個(ge) 線圈來給可控矽供電。由開關(guan) 電源的緩啟動來提供可控矽的延遲啟動,這樣在電源啟動前就可以通過電阻R1將輸入電容充滿電。
3.1 長短針法
圖7所示電路為(wei) 長短針法衝(chong) 擊電流限製電路,在DC/DC電源板插入時,長針接觸,輸入電容C1通過電阻R1充電,當電源板完全插入時,電阻R1被斷針短路。C1代表DC/DC電源的所有電容量

圖7. 長短針法衝(chong) 擊電流限製電路
這種方法的缺陷是插入的速度不能控製,如插入速度過快,電容C1還沒充滿電時,短針就已經接觸,衝(chong) 擊電流的限製效果就不好。
也可用熱敏電阻法來限製衝(chong) 擊電流,但由於(yu) DC/DC電源的輸入電壓較低,輸入電流較大,在熱敏電阻上的功耗也較大,一般不用此方法。
3.2 有源衝(chong) 擊電流限製法
3.2.1 利用MOS管限製衝(chong) 擊電流
利用MOS管控製衝(chong) 擊電流可以克服無源限製法的缺陷。MOS管有導通阻抗Rds_on低和驅動簡單的特點,在周圍加上少量元器件就可以做成衝(chong) 擊電流限製電路。
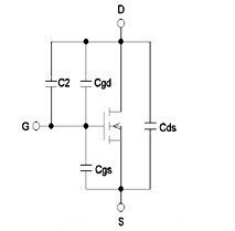
MOS管是電壓控製器件,其極間電容等效電路如圖8所示。

圖8. 帶外接電容C2的N型MOS管極間電容等效電路
MOS管的極間電容柵漏電容Cgd、柵源電容Cgs、漏源電容Cds可以由以下公式確定:

公式中MOS管的反饋電容Crss,輸入電容Ciss和輸出電容Coss的數值在MOS管的手冊(ce) 上可以查到。
電容充放電快慢決(jue) 定MOS管開通和關(guan) 斷的快慢,為(wei) 確保MOS管狀態間轉換是線性的和可預知的,外接電容C2並聯在Cgd上,如果外接電容C2比MOS管內(nei) 部柵漏電容Cgd大很多,就會(hui) 減小MOS管內(nei) 部非線性柵漏電容Cgd在狀態間轉換時的作用。#p#分頁標題#e#
外接電容C2被用來作為(wei) 積分器對MOS管的開關(guan) 特性進行精確控製。控製了漏極電壓線性度就能精確控製衝(chong) 擊電流。
電路描述:
圖9所示為(wei) 基於(yu) MOS管的自啟動有源衝(chong) 擊電流限製法電路。MOS管 Q1放在DC/DC電源模塊的負電壓輸入端,在上電瞬間,DC/DC電源模塊的第1腳電平和第4腳一樣,然後控製電路按一定的速率將它降到負電壓,電壓下降的速度由時間常數C2*R2決(jue) 定,這個(ge) 斜率決(jue) 定了最大衝(chong) 擊電流。

圖9. 有源衝(chong) 擊電流限製法電路
D1用來限製MOS管 Q1的柵源電壓。元器件R1,C1和D2用來保證MOS管Q1在剛上電時保持關(guan) 斷狀態。
上電後,MOS管的柵極電壓要慢慢上升,當柵源電壓Vgs高到一定程度後,二極管D2導通,這樣所有的電荷都給電容C1以時間常數R1×C1充電,柵源電壓Vgs以相同的速度上升,直到MOS管Q1導通產(chan) 生衝(chong) 擊電流。
其中Vth為(wei) MOS管Q1的最小門檻電壓,VD2為(wei) 二極管D2的正向導通壓降,Vplt為(wei) 產(chan) 生Iinrush衝(chong) 擊電流時的柵源電壓。Vplt可以在MOS管供應商所提供的產(chan) 品資料裏找到。
MOS管選擇
以下參數對於(yu) 有源衝(chong) 擊電流限製電路的MOS管選擇非常重要:
l 漏極擊穿電壓 Vds
必須選擇Vds比最大輸入電壓Vmax和最大輸入瞬態電壓還要高的MOS管,對於(yu) 通訊係統中用的MOS管,一般選擇Vds≥100V。
l 柵源電壓Vgs
穩壓管D1是用來保護MOS管Q1的柵極以防止其過壓擊穿,顯然MOS管Q1的柵源電壓Vgs必須高於(yu) 穩壓管D1的最大反向擊穿電壓。一般MOS管的柵源電壓Vgs為(wei) 20V,推薦12V的穩壓二極管。
其中Pout為(wei) DC/DC電源的最大輸出功率,Vmin為(wei) 最小輸入電壓,η為(wei) DC/DC電源在輸入電壓為(wei) Vmin輸出功率為(wei) Pout時的效率。η可以在DC/DC電源供應商所提供的數據手冊(ce) 裏查到。MOS管的Rds_on必須很小,它所引起的壓降和輸入電壓相比才可以忽略。

圖10. 有源衝(chong) 擊電流限製電路在75V輸入
轉載請注明出處。







相關文章
熱門資訊
精彩導讀



















關注我們

