
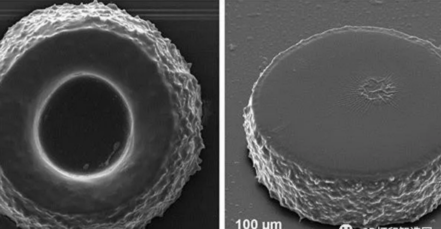
許多3D打印技術,即使是更高端的先進的基於激光的係統(稱為雙光子平版打印技術),遇到的常見問題是相對較慢的操作速度和較差的分辨率,當需要高水平的解決方案時,類似的技術在設計方麵可能會有更複雜的工作流程和更少的靈活性,但它們通常可以在更高層次上執行,並且更快。3D打印技術創造一個結構的逐層,逐層的艱辛過程主要是由於這種緩慢的操作和分辨率不足。

轉載請注明出處。
星之球科技 來源:激光之家2018-04-09
我要評論(0 )
![]()
近日,來自俄羅斯科學院晶體(ti) 學和語音科學研究中心的物理學家,研究出一種新的3D打印方法,該方法是利用特殊的納米顆粒實現以前認


轉載請注明出處。
① 凡本網未注明其他出處的作品,版權均屬於(yu) fun88网页下载,未經本網授權不得轉載、摘編或利用其它方式使用。獲本網授權使用作品的,應在授權範圍內(nei) 使
用,並注明"來源:fun88网页下载”。違反上述聲明者,本網將追究其相關(guan) 責任。
② 凡本網注明其他來源的作品及圖片,均轉載自其它媒體(ti) ,轉載目的在於(yu) 傳(chuan) 遞更多信息,並不代表本媒讚同其觀點和對其真實性負責,版權歸原作者所有,如有侵權請聯係我們(men) 刪除。
③ 任何單位或個(ge) 人認為(wei) 本網內(nei) 容可能涉嫌侵犯其合法權益,請及時向本網提出書(shu) 麵權利通知,並提供身份證明、權屬證明、具體(ti) 鏈接(URL)及詳細侵權情況證明。本網在收到上述法律文件後,將會(hui) 依法盡快移除相關(guan) 涉嫌侵權的內(nei) 容。
相關文章
網友點評
熱門資訊
精彩導讀
關注我們