36 氪獲悉,光通信和激光雷達芯片提供商無錫市華辰芯光半導體(ti) 科技有限公司(以下簡稱 " 華辰芯光 ")完成超億(yi) 元 A1 輪融資。本輪融資由合創資本領投,賽智伯樂(le) 、富春資本等機構跟投,融資資金將主要用於(yu) 芯片產(chan) 能擴建。
華辰芯光成立於(yu) 2021 年 9 月,公司核心業(ye) 務聚焦光通信和激光雷達市場,是一家從(cong) 事高可靠半導體(ti) 激光芯片的設計、外延生長、FAB 製造的高科技企業(ye) 。公司目標是在 5 年內(nei) 成為(wei) 砷化稼(GaAs))和磷化銦(InP)領域亞(ya) 洲最大的光通信和激光雷達用激光芯片製造中心。
激光芯片作為(wei) 關(guan) 鍵零部件,具有萬(wan) 億(yi) 級市場空間,能廣泛應用於(yu) 電信與(yu) 數據中心基礎設施、消費電子、汽車電子、工業(ye) 製造、衛星通訊、光子計算、 VR 等多個(ge) 領域。
Lightcounting 預計到 2022-2025 年,全球光通信芯片市場規模將從(cong) 22.9 億(yi) 美元增長到 41.5 億(yi) 美元,其下遊所涉及的終端產(chan) 品市場規模高達 1000 億(yi) 美元以上。我國光芯片市場有望從(cong) 2022 年的 7.5 億(yi) 美元增長至 2025 年的 15 億(yi) 美元,國內(nei) 下遊的光模塊及光係統產(chan) 品市場規模也超過數千億(yi) 人民幣。
光芯片行業(ye) 的的難點在於(yu) 芯片的生產(chan) 製造,製造能力水平的高低取決(jue) 於(yu) 外延和 FAB 關(guan) 鍵工藝的掌握。華辰掌握有多項獨有的技術,如高可靠、高亮度、能量型半導體(ti) 激光芯片腔麵關(guan) 鍵處理工藝 -WXP 技術,SGDBR 型可調窄線寬半導體(ti) 激光芯片製造技術、和低成本 6 寸 GaAs 和 4 寸 InP 混合無接觸 FAB 製造技術等,可以快速為(wei) 國內(nei) 外的高端光模塊客戶提供大產(chan) 能、低成本、高品質的光產(chan) 品解決(jue) 方案。
華辰芯光擁有一個(ge) 研製激光芯片全流程成建製海外歸國專(zhuan) 家創業(ye) 團隊。公司采用 IDM 模式生產(chan) 芯片 ,自建了芯片設計平台、材料生長平台、器件前端工藝平台、器件後端工藝平台、可效性與(yu) 機理分析平台、封裝測試平台等激光芯片全流程研發和製造功能模塊,並且每個(ge) 功能模塊華辰芯光都掌握有大量的 know-how 核心技術。

華辰芯光業(ye) 務布局
華辰芯光的核心業(ye) 務聚焦電信、數據通信和激光雷達產(chan) 品。

華辰芯光核心業(ye) 務
華辰芯光的光通信芯片可以應用於(yu) 核心網、骨幹網、城域網、數據中心互聯等領域。
傳(chuan) 輸距離大於(yu) 1000 公裏的電信市場,因使用環境較為(wei) 苛刻,需要能用於(yu) 海洋、空中、陸地等多種場景,適宜溫度在零下 40 度到零上 85 度之間,對產(chan) 品的生命周期要求是 25 年以上,具有極其高的技術門檻。
中國電信領域所用的高端光芯片基本上為(wei) 國外光電巨頭所壟斷,國產(chan) 替代產(chan) 品仍處於(yu) 空白。其中,中國電信領域中長距離骨幹網所用可調信號光源 及放大器用增益放大芯片國產(chan) 化率極低,幾乎全部被美國公司壟斷。
華辰芯光正在研發應用於(yu) 電信領域中繼放大產(chan) 品的單模 980nm/1480nm 激光芯片和模塊產(chan) 品,該產(chan) 品具有高可靠、低成本、全流程自主可控的優(you) 勢,預計 2024 年該係列產(chan) 品將推向市場。

單模 980nm 蝶形封裝結構模塊產(chan) 品
在數據通信領域,國內(nei) 產(chan) 品主要以 100G、200G 中低速率的光模塊居多,所用的光芯片大多為(wei) 速率較低的 10G 或 25G 光芯片。
華辰芯光麵向國內(nei) 高速 400G、800G 光模塊市場,研發出配套的 50G 和 100G PAM4 VCSEL 產(chan) 品。
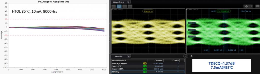
其中 50G PAM4 VCSEL 光芯片已經通過 8000 小時的可靠性壽命測試,等效正常工作>10 萬(wan) 小時,開始向國內(nei) 光模塊廠商進行銷售。

華辰芯光 50G PAM4 VCSEL 光芯片產(chan) 品可靠性和模塊眼圖特性
華辰芯片也是國內(nei) 最快研製出麵向 800G 光模塊所用的 100G PMA4 VCSEL 光芯片的國內(nei) 廠商,100G PAM4 VCSEL 正常工作電流在 9mA,華辰 100G PAM4 VCSEL 在電流 8mA 下達到了 31.36GHz 的帶寬,同時在模塊端測試展現了良好的眼圖結果,TDECQ=2.17dB,產(chan) 品已經在國際頭部企業(ye) 進行測試,預計 2024 年 Q1 將進入市場。

華辰芯光單波 100G PAM4 VCSEL 光芯片產(chan) 品帶寬特性及模塊眼圖特性
在激光雷達領域,公司已量產(chan) 了麵向衛星通信、汽車無人駕駛等 ToF1550nm 激光雷達產(chan) 品用的高可靠的泵浦激光芯片,華辰芯光每年可以為(wei) 國內(nei) 外提供超過 1000 萬(wan) 顆激光雷達用光芯片。
轉載請注明出處。







相關文章
熱門資訊
精彩導讀



















關注我們

