“Z-Pinch”作為(wei) 實驗室核爆模擬的技術途徑在核技術研究領域的重要性日益突出。其負載要在極短時間內(nei) 獲得107 cm/s以上的速度以使其在對稱中心Z軸上塌縮時形成高溫高密度等離子體(ti) 、產(chan) 生大量X光,其脈衝(chong) 功率裝置必須具備較高的能量和功率輸出能力。
為(wei) 了實現在Z箍縮負載上大於(yu) 8 MA的電流輸出,一個(ge) 由24路模塊組成的Z裝置被提出。因此功率合成技術成為(wei) 了Z箍縮裝置的核心技術之一,而功率合成的關(guan) 鍵在於(yu) 實現24個(ge) 激光觸發主開關(guan) 的同步性。作為(wei) 主開關(guan) 同步觸發係統的重要組成部分,本文開展了低抖動激光器Q開關(guan) 光電轉換及觸發係統的研究。
1 係統分析
Z裝置觸發係統由計算機、延時同步機、Q開關(guan) 光電轉換及觸發單元、氤燈光電轉換及觸發單元和四倍頻Nd:YAG激光器組成,目的是為(wei) 多級多通道氣體(ti) 開關(guan) 提供精確時序的觸發激光脈衝(chong) 。係統框圖如圖1所示。

圖1 觸發係統框圖
Q開關(guan) 光電轉換及觸發單元的輸出信號直接控製著激光器的激光輸出,它的抖動將影響到氣體(ti) 開關(guan) 的同步性,其抖動極差要求小於(yu) 2 ns。理論分析表明造成這種抖動的原因主要有:
1)相鄰信號走線之間的串擾。當一根導線的自感增大後,會(hui) 將其相鄰信號線周圍的感應磁場轉化為(wei) 感應電流,而感應電流會(hui) 使電壓增大會(hui) 減小,從(cong) 而造成抖動。
2)敏感信號通路上的EMI輻射。電源,AC電源線和RF信號源都屬於(yu) EMI源,與(yu) 串擾類似,當附件存在EMI輻射時,時序信號通路上感應到的噪聲會(hui) 調製時序信號的電壓值。
3)多層基底中電源層的噪聲。這種噪聲可能改變邏輯門的閥值電壓,或者改變閥值電壓的參考地電平,從(cong) 而改變開關(guan) 門電路所需的電壓值。
4)多個(ge) 門電路同時轉換為(wei) 同一種邏輯狀態。這種情況可能導致電源層和地層上感應到尖峰電流,從(cong) 而可能使閥值電壓發生變化。
5)影響半導體(ti) 晶體(ti) 材料遷移率的溫度因素。可能造成載流子的隨機變化。半導體(ti) 加工工藝的變化,例如摻雜密度不均,也可能造成抖動。
2 電路設計
該觸發係統由光電接收與(yu) 轉換單元和快脈衝(chong) 產(chan) 生電路組成。根據抖動產(chan) 生理論,低抖動電路應遵循以下原則:1)盡量減少數字電路芯片的使用;2)對電源進行濾波,減小噪聲;3)一些信號線應進行包地處理;4)盡量采用差分信號傳(chuan) 輸。
2.1 光電轉換單元
相比於(yu) 常見的820 nm鏈路光纖係統,1 300 nm波長位於(yu) 光纖的較低色散和衰減區,因此除了能傳(chuan) 輸更遠距離外,在傳(chuan) 輸過程中光能量更穩定,有利於(yu) 減小由於(yu) 光信號造成的抖動。光電轉換器件采用的是AVAGO公司的2316TZ光纖接收器。該器件的特點是內(nei) 部沒有集成數字邏輯電路,而是由砷化镓銦光電二極管和跨導前置放大器組成,其輸出為(wei) 模擬信號,因而具有最大155 MHz響應帶寬,適用於(yu) 高速通信或有精確時序要求的應用。此外,AVAG02316Tz可以與(yu) 50/125 μm和62.5/125 μm規格直徑光纖兼容,帶來光纖尺寸選擇的靈活性。與(yu) 此對應的是,延時同步機中的光信號發送電路采用的是AVAGO1312。AVAG02316Tz器件引腳及說明分別如圖2,表1所示。

圖2 AVAG02316Tz器件
表1 AVAG02316Tz引腳說明

該器件隻能接收1 300 nm波長光信號,當VCC接+5 V電壓,VEE接地時,光電二極管感應到光纖光信號輸入時,引腳VO輸出電壓為(wei) 1.8V。
2.2 快脈衝(chong) 產(chan) 生電路
Q開關(guan) 驅動信號要求前沿小於(yu) 2.5 ns,脈寬10 ns至數μs,由發送端光信號決(jue) 定。IXYS公司的IXDD415是一種用以驅動高速MOSFET門電路的驅動芯片,其主要特點包括:寬輸出電壓8~30 V,典型前、後沿小於(yu) 3 ns,典型延時30 ns,最小脈寬6ns,2路輸出且單路最大驅動電流達15 A,芯片內(nei) 部集成過流保護電路,與(yu) TTL或CMOS電平兼容。其芯片引腳及說明分別如圖3,表2所示。

圖3 IXDD4 15器件
表2 IXDD4 15引腳說明

作為(wei) 高速驅動芯片,IXDD415的應用須注意:回路電感,旁路電容,地線。為(wei) 了避免輸出脈衝(chong) 出現嚴(yan) 重LC振蕩,輸出引腳與(yu) 負載或電纜連接端距離不超過9.5mm,且布線應盡可能寬,以減小回路電感。該驅動芯片輸出脈衝(chong) 信號的前沿越快,則抖動越小,同時為(wei) 了獲得足夠的驅動能力,應使IXDD415有足夠低的輸出阻抗,因此在IXDD415的電源輸入引腳引入低電感,低電阻和大的脈衝(chong) 電流輸出能力的旁路電容。IXDD4 15地線的良好處理除了影響到芯片輸出的抖動外,還會(hui) 影響到輸出脈衝(chong) 的後沿,應大麵積鋪地且與(yu) 模擬地的連接盡可能短。
2.3 電路設計
AVAG02316Tz的輸出信號不能直接作為(wei) IXDD415的輸入,采用安森美公司的MC10H116芯片將模擬電平變換成較強抗幹擾能力的標準PECL電平,又通過安森美的MC100ELT23將該PECL電平變換成標準的CMOS電平,這樣可以直接作為(wei) IXDD415的輸入信號。
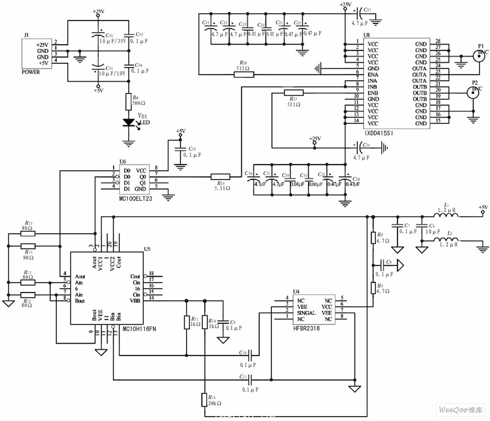
為(wei) 了減小電源噪聲對抖動帶來的不利影響,對於(yu) 光纖器件及電平轉換芯片電源,不僅(jin) 采用了電容濾波的方法,而且電源和地線分別串聯1.2 μH電感濾波,對於(yu) 光纖器件,進一步設計了1個(ge) RC濾波電路對該器件的電源進行處理。對於(yu) IXDD415,為(wei) 了獲得低輸出阻抗,一個(ge) 常用方法是旁路電容的容值高出負載電容兩(liang) 個(ge) 數量級,根據負載,旁路電容選擇為(wei) 4.7μF,0.47 μF,0.1 μF容值的貼片低感脈衝(chong) 電容。電路設計如圖4所示。#p#分頁標題#e#

圖4 Q開關(guan) 光電轉換及觸發電路
3 試驗
對於(yu) 具有低阻輸出的快信號脈衝(chong) ,測試時采用了10倍衰減器和50 Ω匹配頭,測試波形如圖5所示。

圖5 測試波形
基準信號指來自延時同步機的同步輸出信號,在對單元進行了5 min預熱後,連續進行了30次試驗,每次試驗間隔20s,試驗數據如表3所示。
表3 試驗數據

延時主要由光纖長度和Q開關(guan) 光電轉換及驅動單元固有延時兩(liang) 部分組成,根據該試驗結果,相鄰兩(liang) 次試驗間最大延時差為(wei) 0.5 ns,30次試驗延時極差為(wei) 0.6ns,抖動為(wei) 0.07ns,達到設計要求。
4 結論
Z裝置同步觸發係統的抖動主要來源於(yu) Q開關(guan) 光電轉換與(yu) 觸發係統。減小Q開關(guan) 光電轉換與(yu) 觸發係統的抖動是Z裝置24個(ge) 激光觸發氣體(ti) 閉合開關(guan) 同步動作的重要技術基礎。因此,本文對Q開關(guan) 光電轉換及觸發單元的抖動進行了理論分析,給出一般設計原則,並據此設計電路,試驗結果表明信號前沿及抖動滿足設計要求,該單元已應用到Z裝置單路樣機中。在下一步工作中,將進行24路全係統聯試及複雜電磁環境下抗幹擾能力測試。
轉載請注明出處。







相關文章
熱門資訊
精彩導讀



















關注我們

