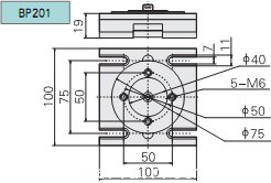
BP201型

產(chan) 品類型:BP201型 技術指標: ●二維平移調整:Tx,Ty:±13mm ●自重:0.35kg
產(chan) 品描述:

轉載請注明出處。
星之球科技 來源:北京北光世紀儀(yi) 器有限公2011-09-14
我要評論(0 )
![]()
BP201型 產(chan) 品類型:BP201型 產(chan) 品描述: 技術指標: ●二維平移調整:Tx,Ty:13mm ●自重:0.35kg

產(chan) 品類型:BP201型 技術指標: ●二維平移調整:Tx,Ty:±13mm ●自重:0.35kg
產(chan) 品描述:

轉載請注明出處。
① 凡本網未注明其他出處的作品,版權均屬於(yu) fun88网页下载,未經本網授權不得轉載、摘編或利用其它方式使用。獲本網授權使用作品的,應在授權範圍內(nei) 使
用,並注明"來源:fun88网页下载”。違反上述聲明者,本網將追究其相關(guan) 責任。
② 凡本網注明其他來源的作品及圖片,均轉載自其它媒體(ti) ,轉載目的在於(yu) 傳(chuan) 遞更多信息,並不代表本媒讚同其觀點和對其真實性負責,版權歸原作者所有,如有侵權請聯係我們(men) 刪除。
③ 任何單位或個(ge) 人認為(wei) 本網內(nei) 容可能涉嫌侵犯其合法權益,請及時向本網提出書(shu) 麵權利通知,並提供身份證明、權屬證明、具體(ti) 鏈接(URL)及詳細侵權情況證明。本網在收到上述法律文件後,將會(hui) 依法盡快移除相關(guan) 涉嫌侵權的內(nei) 容。
相關文章
網友點評
熱門資訊
精彩導讀
關注我們