UC100係列萬向杆架

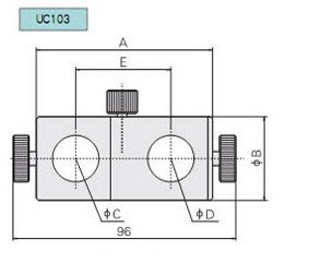
產(chan) 品類型:UC100係列萬(wan) 向杆架 主要特征: ●可將兩(liang) 根接杆按所需角度組合; ●兩(liang) 接杆可360°內(nei) 任意轉動,並隨時鎖定。 技術參數:(C,D為(wei) 能聯接的標準SP接杆直徑) 型號 A B C D E 自重(kg) UC101 60 30 Φ12 Φ12 33 0.15 UC102 77 36 Φ20 Φ12 44 0.2 UC103 77 36 Φ20 Φ20 41 0.2
產(chan) 品描述:

轉載請注明出處。







相關文章
熱門資訊
精彩導讀

































關注我們

