軟啟動以及模擬和數字電源的時序
當電源剛啟動時,各種存儲(chu) 元件,如電容和電感,都處於(yu) 零儲(chu) 能狀態。在這樣的狀況下,電源突然升壓會(hui) 引起係統很大的浪湧電壓和浪湧電流。因此,電源的所有階段都必須使用軟啟動來確保係統元件避免受到不必要的壓力。
許多(並非全部)模擬控製器都帶有內(nei) 置軟啟動功能。
模擬控製器在選擇軟啟動持續時間時都隻提供有限的靈活性,且需額外電路來實現啟動延時。
在多級電源中,由於(yu) 一些輸出取決(jue) 於(yu) 其他輸出,因此有必要通過預定義(yi) 方式對輸出順序進行控製。這可由單獨的時序芯片完成,或者使用後台單片機以及輔助電路來實現。
由於(yu) 所有時序控製和軟啟動子程序都可作為(wei) 電源控製軟件的一部分來完成,因此數字電源不需要外加硬件。電源的每一級都可實現一個(ge) 軟啟動子程序,每個(ge) 都具有不同的持續時間和延時。典型的軟啟動子程序如例1 中的C 代碼片段所示。
void PFCSoftStartRoutine()
{
Delay_ms(STARTUP_DELAY)
pfcVoltagePID.controlReference = pfcInitialOutputVoltage;
while (pfcVoltagePID.controlReference <= PFCVOLTAGE_REFERENCE)
{
Delay_ms(SOFTSTART_INCREMENT_DELAY);
pfcVoltagePID.controlReference += PFC_SOFTSTART_INCREMENT;
}
pfcVoltagePID.controlReference = PFCVOLTAGE_REFERENCE;
}
在例1 中,dsPIC DSC 初始化之後就立刻調用軟啟動子程序。首先調用啟動延時,隨後輸出電壓參考將被設定為(wei) 實際測量的輸出電壓。參考值一直以固定速率上升,直到其達到期望值為(wei) 止。此時,軟啟動結束,係統正常運行開始。數字控製器可靈活使用軟啟動子程序。相同的子程序在不同時間階段可通過不同參數進行調用。例如,如果係統要在故障發生後重啟,啟動延時和軟啟動持續時間可修改為(wei) 不同的值。
時序控製可在不外加任何電路的情況下,通過一些靈活的配置加以實現。圖6 中顯示了一些時序機製原理圖。
如果一個(ge) 轉換器取決(jue) 於(yu) 另一級的輸出,則軟件可設置標誌來指示轉換器何時完全啟動,電壓已經為(wei) 下一級的上升作好準備。
如圖6 所示,數字電源能根據實際應用需求以多種方式輕鬆實現時序控製。數字電源在選擇軟啟動和時序控製方案上具有很大的靈活性,不需要增加專(zhuan) 用芯片或者複雜的電路。

圖 6: 時序控製機製
前沿消隱(LEB)
大多數功率轉換器的電流反饋信號必須通過濾波來消除噪聲以及避免限流以及故障電路的誤動作。隨著開關(guan) 速度的加快,噪聲對反饋信號的影響變得越來越大。在一些情況下,MOSFET開關(guan) 瞬間產(chan) 生的噪聲尖峰電流甚至超過了設定的最大電流值。
通過濾波將這些噪聲從(cong) 電流反饋信號中濾除的同時也難免對波形造成不利影響。為(wei) 實現精確的閉環控製運行和電流限定值保護,期望保持波形不會(hui) 發生畸變。因此,一項被稱為(wei) LEB 的技術經常被用來消除靠近PWM開關(guan) 邊沿反饋信號的噪聲尖峰。
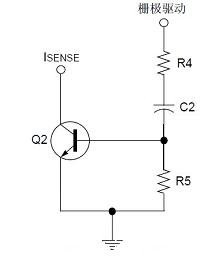
對於(yu) 模擬控製器,需要設計一個(ge) 硬件消隱電路來屏蔽固定持續時間內(nei) 的反饋信號。圖7 顯示了LEB 電路的一種可能構造。電路可屏蔽固定時間內(nei) 的噪聲尖峰,該時間長度可由定時電阻和電容確定。這種方案增加了係統的成本和複雜性,並且在消隱持續時間上沒有足夠的靈活性。

圖 7: LEB 電路
dsPIC33F"GS" 係列器件經過優(you) 化設計,適用於(yu) 所有電源應用,並可提供內(nei) 置LEB 特性。LEB 功能可在任何時刻被使能或禁止,用戶可選擇對哪些PWM 邊沿進行消隱。消隱時間可由軟件調節,不需要外加電路。圖8 介紹了dsPIC DSC 中LEB 的操作特征。

圖 8: 前沿消隱(LEB)
自適應和非線性控製
數字電源控製器具備在線調節運行狀態的能力。這一能力增加了許多創新的機會(hui) ,並使其在與(yu) 其他可選擇產(chan) 品的競爭(zheng) 中具備優(you) 勢。
實現自適應控製的一個(ge) 方法就是設置多個(ge) 控製閉環係數。由於(yu) 不同線路/負載條件下的係統性能會(hui) 發生改變,因此可通過在每個(ge) 運行點在線修改參數的方式獲得最佳性能。
如另一個(ge) 例子,一個(ge) 係統規定隻能在50?C 以下運行,但是,由於(yu) 一些原因,周圍的溫度超出了這一限製。這種情況下,可通過軟件寫(xie) 入來降低電流限定值。盡管這個(ge) 操作會(hui) 增加一些限製,但它可以幫助係統安全地擴展正常工作的極限。
總結
模擬控製器長期以來都是電源技術領域的主流。電源市場要求低成本和高性能的電源。最近,電源技術領域出現的更加智能化、集成化的發展趨勢促進了對數字電源的需求。
Microchip 的dsPIC33F "GS" 係列數字信號控製器使所有潛在的數字電源控製成為(wei) 可能。正如此白皮書(shu) 中所描述的,數字電源已能夠滿足有時甚至超越了市場需求。dsPIC DSC 開啟了電源世界中前所未有的創新局麵,並處於(yu) 數字革命最前沿。
相關(guan) 開發工具
Microchip 數字AC-DC 參考設計
AC-DC 參考設計是一個(ge) 完整的300W 數字電源,它展示了數字控製的優(you) 點。參考設計實現了4 個(ge) 功率級,包括:
●升壓PFC 轉換器●帶同步整流功能的相移式全橋轉換器●多相同步降壓轉換器● 單相同步降壓轉換器 #p#分頁標題#e#

圖 9: 數字電源AC-DC 參考設計
轉載請注明出處。







相關文章
熱門資訊
精彩導讀



















關注我們

