0 引言
隨著計算機技術、半導體(ti) 技術以及電子應用技術的發展,嵌入式係統以其體(ti) 積小、可靠性高、功耗低、軟硬件集成度高等特點廣泛應用於(yu) 工業(ye) 控製、過程控製、儀(yi) 器儀(yi) 表、航天航空、汽車船舶、網絡通信、軍(jun) 事裝備、消費產(chan) 品等眾(zhong) 多領域。在這些係統中電源的結構和性能起著關(guan) 鍵性的作用,特別是需要使用220V交流電供電的多路電源的係統,其電源設計的合理性和可靠性尤為(wei) 重要。過去常用的變壓器降壓、整流濾波後穩壓的線性電源,在嵌入式係統要求體(ti) 積小,利用率高的情況下,顯得不足。尋求體(ti) 積小、效率高、成本低、可靠性好的開關(guan) 電源成為(wei) 一種迫切的需要。本文根據實際應用中的體(ti) 會(hui) ,以小功率單片開關(guan) 電源集成電路FSD200為(wei) 核心,設計並實現了一款適合嵌入式係統需求的小功率開關(guan) 電源。
1 係統原理
在很多工業(ye) 控製領域的嵌入式係統中,輸入通常為(wei) 220V的交流市電,而係統中需要多路直流電源驅動功率器件和微處理器係統。一個(ge) 典型的開關(guan) 電源的原理結構框圖如圖1所示,電網的中220V交流電首先經過整流電路,饋送到FSD200。
該器件的輸出通過變壓器隔離耦合後,穩壓輸出12V直流,其大小可以通過改變穩壓電路部分來實現。電壓輸出端由TL431精密穩壓器和線性光耦組成一個(ge) 反饋回路,控製FSD200中的脈寬調製比例,實現開關(guan) 電源的穩定輸出。得到12V的直流電壓後,可以通過DC/DC變換器,得到係統需要的5V、3.3V和2.7V等所需電源。
2 FSD200結構原理
FSD200是Fairchild公司近年推出的小功率單片開關(guan) 電源集成電路,輸出功率7W,內(nei) 部集成了PWM控製及功率MOS管,並有過熱保護、過負荷保護、欠壓鎖存、軟起動、電流限製等功能,其獨特的頻率抖動電路能較好地減弱電磁幹擾。
FSD200單片開關(guan) 電源的內(nei) 部框圖如圖2所示。

圖2 FSD200內(nei) 部功能原理框圖
FSD200單片開關(guan) 電源啟動時,直流高壓電源通第8引腳Vstr進入芯片內(nei) 部的高壓調節器,再穩壓到7V作為(wei) 芯片的工作電壓U cc,同時以約100μA的電流源向參考電壓及欠壓鎖存模塊充電。第5引腳V c c的外接電容一般選在1 0 ~ 4 7 μ F , 這種方式省去了通常開關(guan) 電源須采用反饋線圈提供工作電壓的需要。
FSD200是電壓控製模式器件,與(yu) 典型的開關(guan) 電源電路一樣,采用線性光耦PC817與(yu) 可調式精密穩壓器TL431組成高頻變壓器二次側(ce) 的電壓反饋網絡。當負載變化引起輸出電壓變化時,反饋網絡將信號回饋至第4引腳Vfb,與(yu) 振蕩器送出的鋸齒波比較,產(chan) 生相應的PWM波脈寬的變化,最後使高頻變壓器二次側(ce) 的輸出電壓穩定,完成反饋控製。
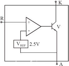
3 TL431結構原理
TL431是美國德州公司開發的一個(ge) 有良好熱穩定性能的三端可調精密電壓基準集成電路。它有三個(ge) 引出腳,其中,K為(wei) 控製端,A為(wei) 接地端,R為(wei) 取樣端。它由多級放大電路、偏置電路、補償(chang) 和保護電路組成,在原理上它是一個(ge) 單端輸入、單端輸出的多級直流放大器。其等效功能框圖如圖3,由一個(ge) 2.5V的精密基準電壓源、一個(ge) 電壓比較器和一個(ge) 輸出開關(guan) 管等組成。

圖3 TL431等效功能框圖
參考端R的輸出電壓與(yu) 2 。 5V的精密基準電壓源相比較,當R端電壓超過2.5V時,TL431立即導通,反之截止。
單片TL431的電壓基準如同低溫係數齊納管一樣運行,通過2個(ge) 外部的電阻可以實現從(cong) 2.5V到36V的穩定輸出。典型的應用電路如圖4所示。

圖4 TL431的典型應用電路
當R 1和R 2的阻值確定時,兩(liang) 者對U o的分壓引入反饋。若U o增大,反饋量增大,TL431的分流也就增大,從(cong) 而又使U o下降。顯然,這個(ge) 深度的負反饋必然在參考點的電壓等於(yu) 基準電壓處穩定。
穩壓值可以通過下麵的簡化公式進行計算:
![]()
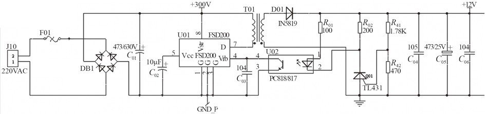
4 應用電路
圖5是采用FSD200設計的一種微型小功率單片開關(guan) 電源的典型電路。

圖5 基於(yu) FSD200的小功率開關(guan) 電源應用電路
圖中采用的是典型的反激式功率變換電路。
這種電路不需要額外的電感存儲(chu) 能量,圖中的變壓器可以同時實現直流隔離、能量存儲(chu) 和電壓變化的功能。電路中采用了可調式精密穩壓器TL431作為(wei) 12V輸出的誤差放大器,再與(yu) 線性光耦PC817組成隔離式反饋電路。當12V輸出電壓發生波動時,經R 41和R 42分壓後得到的采樣電壓與(yu) TL431中的2.5V基準電壓比較,並在陰極上形成誤差電壓,使光耦中的發光二極管電流I F產(chan) 生相應的變化,光耦副邊的光敏三極管的I C也相應變化,由此調節FSD200輸出的占空比,最後使輸出的12V直流電壓不變,達到穩壓的目的。
5 結束語
長期以來,1 0W以下的小功率穩壓電源方案,成本較高、線路複雜。采用FSD200單片開關(guan) 電源集成電路設計的開關(guan) 電源線路簡單,工作可靠,體(ti) 積小、效率高、成本低。在實際中可以廣泛使用在需要220V交流輸入,要求體(ti) 積小、成本低的微型小功率的嵌入式係統中。
轉載請注明出處。







相關文章
熱門資訊
精彩導讀



















關注我們

