1.1 用戶需求分析
本次UPS供電係統建設主要是為(wei) 工廠內(nei) 的產(chan) 線生產(chan) 設備供電,因產(chan) 線幾秒鍾的斷電也會(hui) 讓用戶蒙受很大的損失,因此需要提供高可靠的供電電源方案。
1、通過與(yu) 工廠相關(guan) 部門溝通,我們(men) 了解到:
A、產(chan) 線設備主要為(wei) 數控機床,單台機床設備為(wei) 380V供電,額定電流為(wei) 3A;
B、工廠分為(wei) 三個(ge) 廠房,共有上述機床設備1000台左右,每個(ge) 廠房的機床數量按330台左右配置;
C、工廠配有發電機組。UPS後備延時時間按10分鍾配置。
D、有一定的冗餘(yu) 度,以保證高可靠的用電保障。
2、根據以上信息,計算得:
A、單台數控機床功率為(wei) : 380*3*1.732=1974.48KVA。
B、故廠房數控機床總功率為(wei) :1974.48*1000=1974.48KVA。
C、所有負載差不多平均分為(wei) 3個(ge) 廠房,故每個(ge) 廠房負載量為(wei) :1974.48/3=658.16KW。
3、UPS配置方案設計原則——適合、夠用,避免浪費和不必要的成本提升
A、根據實際經驗,在正常生產(chan) 中產(chan) 線設備的實際功率約為(wei) 標稱值的60%左右。即以上負載實際使用時負載量約為(wei) 1974.48*80%≈1600KVA。故每個(ge) 廠房負載約為(wei) 530KVA。我們(men) 會(hui) 以此負載量來配置UPS,做到為(wei) 客戶配置合適、夠用的UPS,盡量避免UPS容量配置過大,造成浪費和成本的提升。
B、UPS的容量選擇主要是由負載的大小,負載的特性以及預留容量的大小來確定的。通常考慮的因數是:
首先,UPS的容量必須大於(yu) 所帶負載的總容量;
其次,不同特性的負載對UPS的容量要求也不同.如負載接近電阻特性,輸入功率因子大於(yu) UPS的輸出功率因子(一般為(wei) 0.7-0.8),則按 UPS的輸出功率因子來計算;如負載的輸入功率因子小於(yu) UPS的輸出功率因子,則按負載的輸入功率因子來計算。
第三,為(wei) 保證UPS長期穩定地運行,負載容量一般不超過UPS容量的80%, 並且新裝UPS一般還要留出一定的負載擴容餘(yu) 量。
第四,為(wei) 了提高可靠度,可采用N+1並聯冗餘(yu) 的方式,為(wei) 負載高可靠的電力供應。即N台設備為(wei) 負載提供電力供應,1台設備保證冗餘(yu) 度,當係統中有任意一台設備故障時,負載的電力供應還可得到保障。
第二章 UPS電源供電方案
2.1 UPS供電方式設計原則
1)采用冗餘(yu) 供電的方式,為(wei) 負載提供高可靠的電力供應。
2)在保證可靠的前提下,避免UPS容量設計過大,造成不必要的浪費成本提升。
3)電池采用多台UPS共用的方式,以減低電池成本,提高電池利用率。
2.2 UPS供電方案:
2.2.1 UPS的選擇:
1、基於(yu) 前麵分析和技術,可知每個(ge) 廠房的實際負載功率約為(wei) 530KVA 左右,我們(men) 建議UPS供電方總容量不小於(yu) 530KVA。
2、基於(yu) 客戶負載為(wei) 數控機床,為(wei) 機械馬達類感性負載,對UPS的性能要求較高。故我們(men) 建議客戶選擇台達NT 係列UPS,此UPS單機功率為(wei) 20KVA 至500KVA ,是專(zhuan) 門設計用在大型工礦企業(ye) 的高可靠工業(ye) 級UPS。由於(yu) 其逆變器采用全橋設計架構,具有輸出隔離變壓器,負載適應性最強,能適應各種負載特性的負載,且過載能力突出,可經受負載運行高峰的衝(chong) 擊,且可帶100%不平衡負載,設備技術成熟,性能穩定可靠。最適合為(wei) 企業(ye) 的大型生產(chan) 線提供穩定、可靠的運行保障。
2.2.2 UPS供電方案
每個(ge) 廠房采用4台台達NT 200KVA UPS組成3+1並聯冗餘(yu) 供電係統。即係統總容量為(wei) 800KVA,可保證一台UPS做冗餘(yu) 備份,即當供電係統中有任意一台UPS故障時,UPS係統的輸出容量任可達到600KVA ,滿足負載的用電需求,負載的供電任可得到保障,從(cong) 而大大提高供電可靠度。UPS供電係統圖如下:

電池采用多台UPS共享配置的方式,可大大提高電池的利用率,同時,還可降低電池配置成本。
所謂共享電池組就是指兩(liang) 台或多台UPS同時利用一組或多組電池的解決(jue) 方案。市電正常時各台UPS同時為(wei) 蓄電池組充電,市電異常或者終斷時,各UPS又同時利用電池組的能量逆變成交流電供給負載使用。 多機並聯共用電池組供電架構說明: 因此共享電池組具有以下優(you) 點: (1) 節省購買(mai) 電池的資金投資 (3)擴容方便 (4)延長電池壽命和提高電池利用率 經過前麵的分析,我們(men) 知道實際量約為(wei) 530KVA,一般廠房的數控機床設備類設備的功率因數約為(wei) 0.7~0.8。為(wei) 使電池延時做夠,我們(men) 取負載的功率因數為(wei) 0.8,則 根據恒功率電池容量計算法: 電池容量計算方法: 恆功率後備時間對應電池容量計算方式: P(W) -- 電池提供總功率 A -- UPS標稱容量(VA) N -- 電池CELL 數 C -- 電池組數 D -- UPS實際帶載量(UPS實際帶載量一般不超過滿載80%) Pf -- UPS功率因數 η -- 逆變轉換效率 Pc -- 電池放電曲線表中查的放電功率 Pnc -- 電池每CELL需要提供的功率 B -- UPS主機配置1組12V電池的節數 P(W)= { A * Pf } 或D / η#p#分頁標題#e# Pnc=P(W)/(B*N) 然後根據計算出電池的每個(ge) CELL需提供的功率,再查找電池恒功率放電曲線表對應時間的最匹配的功率值。則此功率對應的容量的電池就是我們(men) 要選用的電池。若計算出的功率大於(yu) 最大容量電池相應時間的放電功率,則就表明需要並聯電池組。 並聯電池組數(取整)= Pnc / Pc 因此,計算如下: P(W)= { A * Pf*D } / η=530KVA*0.8/0.95≈446.3KW Pnc=P(W)/(B*N)=446.3KW/(29*6)≈2565W 查表,可知,中達電池200AH/12電池10分鍾對應的功率為(wei) 592.9W(放電到1.75V時) 則:並聯的電池組數=2656/592.9=4.3組,故電池組數取整數為(wei) 4,即200AH/12V電池29*4=116隻。2.2.1 電池配置方案
2.2.1.1 多機共用電池組

(2)節省安裝空間 2.2.1.1 電池配置及容量計算

2.2.1.1 電池組監控:
電池為(wei) UPS供電係統的重要部分,故我們(men) 特為(wei) 本次電池組提供單體(ti) 電池監控係統。本係統能實現UPS中備用電池組的在線偵(zhen) 測,測量數據包括單體(ti) 電池電壓,單體(ti) 電池溫度,單體(ti) 電池內(nei) 阻,電池組電流,電池組端電壓以及環境溫度等,通過網絡方式實現遠距離數據傳(chuan) 輸,在主控單元上進行數據搜集,處理和存儲(chu) ,並能通過通訊與(yu) 上位機相連,實現數據傳(chuan) 輸。
使用本係統可以對電池進行遠程檢測,從(cong) 而方便地隨時對係統故障和電池使用狀態進行分析,
從(cong) 圖中可以看出係統包括: 1 個(ge) 電池組偵(zhen) 測模塊 (SCMM),負責測量每組電池組的充放電電流和電池組的端電壓;最多240 個(ge) 電池偵(zhen) 測模塊 (CMM),負責測量電池的電壓,溫度和配合計算內(nei) 阻的相關(guan) 信息;1 個(ge) 數據處理模塊 (DPM ),處理來自CMM 和 SCMM 的無線數據。
2.2.2 UPS監控方案
台達UPS所設計的此次方案,采用了電力管理大師管理者的監控軟件,監控軟件來將三個(ge) 廠房的所有UPS作集中監控。以下對此集中監控作進一步介紹。
台達UPS UPSentry Manager遠程集中監控管理軟件:可以對所有的UPS係統經由廣域網或專(zhuan) 線網絡進行集中監管﹐以監視各UPS的運行情況並作記錄﹐當各UPS有事件告警時﹐manager軟件會(hui) 自動亮燈告警﹐並跳出圖屏﹐顯示該告警UPS的問題﹐平時也可以點閱各聯網UPS,以階層式管理方式完成集中管理,同時可以實現遠程控製,當機房內(nei) 出現火災等情況時,可以實現對UPS的遠程關(guan) 機。如圖:
2.2.2.1 網絡管理達成效果﹕
集中管理的好處不僅(jin) 是減少人力資源的浪費﹐並能在電力事件發生的瞬間便可以獲得準確的信息﹐同時縮短反應的時間。一旦電力事件發生時可以馬上獲得最快最正確的信息﹐並可以主動聯係第一線的人員﹐指導其正確地處理程序﹐以減少損失。
(1) 安全可靠的高品質供電。
(2) 分散供電﹐集中管理﹐人力資源的高效化。
(3) 同時對全區多於(yu) 500個(ge) 的UPS集中監管。
(4) 對UPS無人職守的監管﹐可達到實進告警﹐實時處理。
2.2.2.2 完整電源事件預防及應急管理:
電力管理大師對24個(ge) 不同的電源事件或UPS狀態(如:斷電、複電、電池低電壓、過載、跳旁路、故障、預約開關(guan) 機等)均可提前製定應急計劃和控製。可安全與(yu) 自動存檔關(guan) 機,自動化事件記錄,自動語音廣播,自動尋呼及發送電子郵件,告警,自動觸發運行可執行文件,插座控製等多種反應行動可供選擇。
2.2.2.3 電源狀態記錄、分析:
根據使用者喜好提供2-12個(ge) 電表顯示實時值。可記錄電力中斷、複電、旁路等各項事件資訊。可記錄並圖示電壓、頻率、故障情況,並可在Excel下作資料分析。
2.1 UPS供電係統的配電方案
2.1.1 每個廠房UPS供電係統的輸入端配電
1)UPS輸入配電櫃,開關(guan) 采用施奈德NSX係列塑殼開關(guan) ,同時配置數字表頭和指示燈。連接線徑在圖紙上亦有標注。具體(ti) 如下圖:

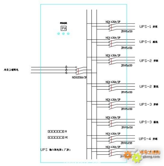
2.1.1 每個廠房UPS供電係統的輸出端配電
開關(guan) 采用施奈德NSX係列塑殼開關(guan) ,同時配置數字表頭和指示燈。連接線徑在圖紙上亦有標識。
輸出配電分路暫時先按8路250A開關(guan) 來配置。這個(ge) 也可根據具體(ti) 的要求後,更改數量和容量。
配電圖如下:

2.1 係統配置清單


2.1 台達NT UPS與艾默生/易事特同等級UPS比較
1)台達UPS與(yu) 艾默生UPS同為(wei) 世界級一線品牌。其中台達NT UPS和艾默生UPS在可靠度等級要求最高的通信運營商領域有廣泛的應用。另外,在富士康、廣汽豐(feng) 台發動機等世界級的工廠裏,台達NT UPS也有廣泛的應用,可見後麵的應用圖例。易事特為(wei) 國內(nei) UPS廠商,小功率UPS應用較多。但在大功率UPS方麵,較少廠家采用。
2)台達UPS和艾默生UPS皆通過了眾(zhong) 多的世界級嚴(yan) 苛認證,比如可出口歐盟的CE/CB、國內(nei) 工信部的TLC認證等。另外還通過了抗震認證。
3)台達NT UPS為(wei) 適應國內(nei) 工作環境,輸入工作電壓範圍為(wei) ±30%,為(wei) 業(ye) 界最寬,可適應惡劣的電力條件。而艾默生和易事特為(wei) ±15%和±25%。
4)台達NT UPS與(yu) 艾默生UPS效率皆可達92%以上,而易事特UPS效率僅(jin) 為(wei) ≥80%,這將耗費大量的電能,帶來運營成本的提升。(注:易事特UPS用戶手冊(ce) 上的標注效率為(wei) ≥80%,而彩頁上標注的效率為(wei) 95%,顯然用戶手冊(ce) 上標注的效率值是可信的。應為(wei) ,在業(ye) 界,工頻架構的UPS,還沒有一個(ge) 廠家在線效率能達到95%。)
5)台達NT UPS具有電池漏液偵(zhen) 測功能和電池組共享功能,此為(wei) 台達UPS專(zhuan) 利技術,特及早發現鉛酸蓄電池漏液問題,還能大大提升電池組利用率,降低用戶成本。
過載能力。台達與(yu) 艾默生UPS過載能力皆為(wei) 125%負載時10分鍾,而易事特UPS過載能力為(wei) 125% 1分鍾。前者過載能力是後者的10倍。
轉載請注明出處。







相關文章
熱門資訊
精彩導讀



















關注我們

