0 引言
近年來,隨著電子技術的發展,郵電通信、交通設施、儀(yi) 器儀(yi) 表、工業(ye) 設施、家用電器等越來越多地應用開關(guan) 電源,隨著科學技術的不斷進步,對大功率電源的需求也就越來越大。與(yu) 此同時大量集成電路、超大規模集成電路等電子通信設備日益增多,要求電源的發展趨勢是小型化、輕量化。通常濾波電感、電容和變壓器的體(ti) 積和重量比較大,因此主要是靠減少它們(men) 的體(ti) 積來實現小型化、輕量化。
我們(men) 可以通過減少變壓器的繞組匝數和金減小鐵心尺寸來提高工作頻率,但在提高開關(guan) 頻率的同時,開關(guan) 損耗會(hui) 隨之增加,電路效率會(hui) 嚴(yan) 重下降。針對這些問題出現了軟開關(guan) 技術,它利用以諧振為(wei) 主的輔助換流手段,解決(jue) 了電路中的開關(guan) 損耗和開關(guan) 噪聲問題,使開關(guan) 電源能高頻高效地運行,從(cong) 20世紀70年代以來國內(nei) 外就開始不斷研究高頻軟開關(guan) 技術,目前已比較成熟,下麵以2KW的電源為(wei) 例進行設計。
1.設計內(nei) 容和方法
1.1主電路型式的選擇
變換電路的型式主要根據負載要求和給定電源電壓等技術條件進行選擇。在幾種常用的變換電路中,因為(wei) 半橋、全橋變換電路功率開關(guan) 管承受的電壓比推挽變換電路低一倍,由於(yu) 市電電壓較高,所以不選推挽變換電路。半橋變換電路與(yu) 全橋變換電路在輸出同樣功率時,半橋變換電路的功率開關(guan) 管承受二倍的工作電流,不易選管,輸出功率較全橋小,所以采用全橋變換電路。
傳(chuan) 統的全橋變換電路開關(guan) 元件在電壓很高或電流很大的條件下,在門極的控製下開通或關(guan) 斷,開關(guan) 過程中電壓、電流均不為(wei) 零,出現重疊,導致了開關(guan) 損耗。開關(guan) 損耗隨開關(guan) 頻率增加而急劇上升,使電路效率下降,阻礙了開關(guan) 頻率的提高。在移相控製技術的基礎上,利用功率管的輸出電容和輸出變壓器的漏電感作為(wei) 諧振元件,使全橋變換器四個(ge) 開關(guan) 管依次在零電壓下導通,實現恒頻軟開關(guan) 。由於(yu) 減少了開關(guan) 過程損耗,變換效率可達80%-90%,並且不會(hui) 發生開關(guan) 應力過大。所以選用移相控製全橋型零電壓開關(guan) 脈寬調製(PSC FB ZVS-PWM)變換電路。
移相控製全橋變換電路是目前應用最為(wei) 廣泛的軟開關(guan) 電路之一,它的特點是電路簡單,與(yu) 傳(chuan) 統的硬開關(guan) 電路相比,並沒有增加輔助開關(guan) 等元件。原理如圖1所示,主要由四個(ge) 相同的功率管和一個(ge) 高頻變壓器壓器組成。E為(wei) 輸入直流電壓, T1~T4 為(wei) 開關(guan) 管, D1~D4 為(wei) 體(ti) 內(nei) 二極管,C1 ~C4 為(wei) 開關(guan) 的輸出電容。以第一個(ge) 橋臂為(wei) 例介紹,利用變壓器漏感和功率輸出電容C1 諧振,漏感儲(chu) 能向電容 C1釋放過程中,使電容上的電壓逐步下降到零,體(ti) 內(nei) 二極管D1開通,創造了T1 的ZVS條件。

圖1 移相控製全橋變換電路原理圖
1.2 控製方式
控製方式是指變換器控製電路通過何種途徑控製主電路實現自動控製目的,達到自動穩壓或穩流的要求。傳(chuan) 統的PWM型電子開關(guan) 開通和關(guan) 斷開關(guan) 上同時存在電壓、電流,損耗比較大,零電壓開關(guan) -脈寬調製變換器(ZVS-PWM)是電子開關(guan) 在兩(liang) 端電壓為(wei) 零時導通電流為(wei) 零時關(guan) 斷,開通、關(guan) 斷損耗理想值為(wei) 零。在此選用典型的UC3875構成的移相控製全橋零電壓開關(guan) -脈寬調製變換電路。
1.2.1 UC3875控製芯片
UC3875是美國UNITRODE公司針對移相控製方案推出的專(zhuan) 用芯片。UC3875可對全橋開關(guan) 的相位進行相位移動,實現定頻脈寬調製控製。UC3875其外型有20引腳封裝和28引腳封裝,在此以20引腳為(wei) 例介紹一下該器件。
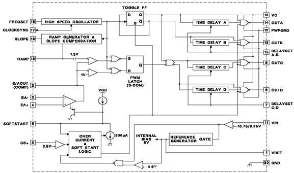
1.2.1.1內(nei) 部結構方框圖和管腳功能
內(nei) 部結構方框圖如下圖所示:

圖2 UC3875內(nei) 部結構方框圖
管腳功能如下:1腳(Vref),基準電壓;2腳(E/A OUT),誤差放大器的反相輸出;3腳(E/A-)誤差放大器的反相輸入;4腳(E/A+)誤差放大器的同相輸入;5腳(C/S+)電流檢測;6腳(SOFRSTART)軟起動;7腳(DELAY SET C/D)輸出延遲控製;8腳(OUT D)輸出D;9腳(OUT C)輸出C;10腳(Vcc )電源電壓;11腳( Vin)芯片供電電源;12腳(PWR GND)電源地;13腳(OUTB)輸出B;14腳(OUTA)輸出A;15腳(DELAY SETA/B)輸出延遲控製;16腳(FREQ SET)頻率設置端;17腳(CLOCK/SYNC)時鍾/同步;18腳(SLOPE)陡度;19腳(斜波)20腳(信號地)。
1.2.1.2 UC3875的工作
1腳輸出+5V基準電壓,可作為(wei) 內(nei) 部或外部電路的其他元件的電源。2腳作為(wei) 電壓反饋控製端,當引輸出信號高到一定值時,由內(nei) 部RS觸發器及門電路作用使C輸出與(yu) A輸出反相,即A、C輸出信號移相180度;同樣,當引腳2輸出信號低於(yu) 1V時,通過內(nei) 部RS觸發器及門電路作用使C輸出與(yu) A輸出同相,即A、C輸出信號移相0度。可見通過控製引腳2端的輸出可以控製A、C間相位在0~180度之間變化。B、D的工作原理與(yu) A、C相似。 3腳作為(wei) 誤差放大器的反相輸入端,通常利用分壓電阻檢測輸出電源電壓。4腳作為(wei) 誤差放大器的同相輸入端,和1腳基準電壓相連,檢測3腳的輸出電源電壓。5腳作為(wei) 電流檢測端,其基準設置為(wei) 內(nei) 部固定2.5V(由分壓),當電壓超過2.5V時輸出即被關(guan) 斷,軟起動6腳複位,即可實現過流保護。7腳和15腳作為(wei) 輸出延遲控製端,通過設置該腳對地之間的電流來設置死區,加在同一橋臂兩(liang) 管驅動脈衝(chong) 之間,以實現零電壓開通時的瞬態時間。8、9、13、14腳作為(wei) 輸出端,可驅動MOSFET和變壓器。10腳作為(wei) 電源電壓端,為(wei) 輸出級提供所需電源。11腳作為(wei) 芯片供電電源,為(wei) 芯片內(nei) 部數字、模擬電路部分提供電源,內(nei) 部有欠壓鎖定電路,其開啟閾值為(wei) 10.75V,關(guan) 閉閾值為(wei) 9.25V。開啟和關(guan) 閉之間有1.5V的回差,可有效防止電路在閾值電壓附近工作時的跳動。16腳作為(wei) 頻率設置端,需外接電阻和電容來設置振蕩頻率。17腳作為(wei) 輸出時,提供時鍾信號;作為(wei) 輸入,提供同步點。18腳作為(wei) 陡度端,需外接一個(ge) 電阻以產(chan) 生斜波。19腳作為(wei) 斜波端,需外接電容到地。20腳作為(wei) 信號地,是所有電壓的參考基準。
1.2.2控製電路
控製電路的原理圖主要部分如圖3所示。

圖3 控製電路原理圖#p#分頁標題#e#
UC3875的核心是相位調製器, 其13腳B輸出信號與(yu) 14腳A輸出信號反相, 9腳C輸出信號與(yu) 8腳D輸出信號反相, 這四個(ge) 驅動信號經擴流後由驅動變壓器去驅動 ~ MOS管。相位控製的特點體(ti) 現在UC3875的四個(ge) 輸出端具有相同的驅動脈衝(chong) 分別驅動A/B、C/D兩(liang) 個(ge) 半橋,通過移相錯位控製有源時間,使全橋的四個(ge) 開關(guan) 輪流導通。每個(ge) 輸出級導通前都有一個(ge) 死區,而且可以調整死區時間。在該死區時間內(nei) 確保下一個(ge) 功率開關(guan) 器件的輸出電容放電完畢,為(wei) 即將導通的開關(guan) 器件提供電壓開通條件。因此,每對輸出級(A/B,C/D)的諧振開關(guan) 作用時間,可以單獨控製。在全橋變換拓撲模式下,移相控製的優(you) 點得到最充分的體(ti) 現。UC3875在電壓模式和電流模式下均可工作,並具有過電流關(guan) 斷以實現故障的快速保護。圖4為(wei) 移相控製全橋電路的控製波形。

圖4 移相控製全橋電路的控製波形
移相控製全橋電路的控製方式有以下幾個(ge) 特點:
(1)在同一開關(guan) 周期Ts 內(nei) ,每一個(ge) 開關(guan) 的導通的時間略小於(yu) Ts /2,而關(guan) 斷時間都略大於(yu) Ts/2。
(2)同一個(ge) 半橋中上下兩(liang) 個(ge) 開關(guan) 不能同時處於(yu) 通態,每一個(ge) 開關(guan) 關(guan) 斷到另一個(ge) 開關(guan) 開通都要經過一定的死區時間。
(3)比較互為(wei) 對角的兩(liang) 對開關(guan) T1 、T2 和 T3、T4 開關(guan) 函數波形, T1的波形比T2 超前0~Ts /2時間,而T3 的波形比 T4超前0~ Ts/2時間,因此 T1和T3 稱為(wei) 超前橋臂,而 T2和 T4稱為(wei) 滯後橋臂。
2. 結束語
本文介紹了由UC3875芯片作為(wei) 控製電路的2KW移相控製全橋變換(PSC FB ZVS-PWM)軟開關(guan) 電源,由於(yu) 開關(guan) 管在ZVS條件下運行,可實現高頻化,而且控製簡單,性能可靠,適用於(yu) 大功率場合。且能保持恒頻運行,就不會(hui) 同時出現大電壓、大電流,減少了開關(guan) 所受的應力,實現了高效化。大大減小了電源的體(ti) 積。
參考文獻
[1] 張占鬆等編著 .開關(guan) 電源的原理與(yu) 設計 .電子工業(ye) 出版社出版,1999年2月
[2] 王兆安等編著.電力電子技術.機械工業(ye) 出版社,2001年4月
轉載請注明出處。







相關文章
熱門資訊
精彩導讀



















關注我們

