開關(guan) 電源具有體(ti) 積小、重量輕、效率高等優(you) 點,廣泛應用於(yu) 各個(ge) 領域。由於(yu) 開關(guan) 電源固有的特點,自身產(chan) 生的各種噪聲卻形成一個(ge) 很強的電磁幹擾源。所產(chan) 生的幹擾隨著輸出功率的增大而明顯地增強,使整個(ge) 電網的諧波汙染狀況愈加嚴(yan) 重。對電子設備的正常運行構成了潛在的威脅,因此解決(jue) 開關(guan) 電源的電磁幹擾是減小電網汙染的必要手段,本文對一台15kW開關(guan) 電源的EMC測試,分析其測試結果,並介紹如何合理地正確選擇EMI濾波器,以達到理想的抑製效果。
1 開關(guan) 電源產(chan) 生電磁幹擾的機理
圖1為(wei) 所測的15kW開關(guan) 電源的傳(chuan) 導騷擾值,由圖中可以看出在0、15~15MHz大範圍超差。這是因為(wei) 開關(guan) 電源所產(chan) 生的幹擾噪聲所為(wei) 。開關(guan) 電源所產(chan) 生的幹擾噪聲分為(wei) 差模噪聲和共模噪聲。

圖1未加任何抑製措施所測得的傳(chuan) 導騷擾
1.1共模噪聲
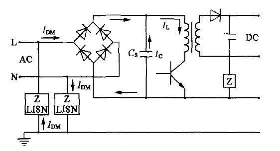
共模噪聲是由共模電流,IcM所產(chan) 生,其特征是以相同幅度、相同相位往返於(yu) 任一電源線(L、N)與(yu) 地線之間的噪聲電流所產(chan) 生。圖2為(wei) 典型的開關(guan) 電源共模噪聲發射路徑的電原理圖。

圖2 共模噪聲電原理圖
由於(yu) 開關(guan) 電源的頻率較高,在開關(guan) 變壓器原、副邊及開關(guan) 管外殼及其散熱器(如接地)之間存在分布電容。當開關(guan) 管由導通切換到關(guan) 斷狀態時,開關(guan) 變壓器分布電容(漏感等)存儲(chu) 的能量會(hui) 與(yu) 開關(guan) 管集電極與(yu) 地之問的分布電容進行能量交換,產(chan) 生衰減振蕩,導致開關(guan) 管集電極與(yu) 發射極之間的電壓迅速上升。這個(ge) 按開關(guan) 頻率工作的脈衝(chong) 束電流經集電極與(yu) 地之問的分布電容返回任一電源線,而產(chan) 牛共模噪聲。
1.2差模噪聲
差模噪聲是由差模電流IDM昕產(chan) 生,其特征是往返於(yu) 相線和零線之間且相位相反的噪聲電流所產(chan) 生。
1.2.1差模輸入傳(chuan) 導噪聲
圖3為(wei) 典型的開關(guan) 電源差模輸入傳(chuan) 導噪聲的電原理圖。
其一是當開關(guan) 電源的開關(guan) 管由關(guan) 斷切換到導通時,回路電容C 通過開關(guan) 管放電形成浪湧電流,它在回路阻抗上產(chan) 生的電壓就是差模噪聲。

圖3差模輸入傳(chuan) 導噪聲電原理圖
其二是工頻差模脈動噪聲,它是由整流濾波電容c 在整流電壓上升與(yu) 下降期問的充放電過程中而產(chan) 生的脈動電流與(yu) 放電電流,也含有大量諧波成分構成差模噪聲。
以上兩(liang) 種差模噪聲都返回到輸入端的交流電網,所以稱為(wei) 輸入傳(chuan) 導噪聲,它不僅(jin) 汙染電網,還給其它接人電網的電子、電氣設備造成危害,還直接導致輸入功率因數的下降。
1.2.2 差模輸出傳(chuan) 導噪聲
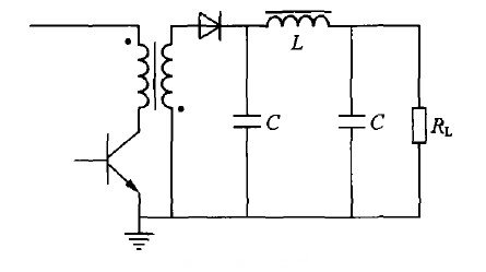
第三種差模噪聲是輸出傳(chuan) 導噪聲,它是整流輸出部分二極管由正偏轉為(wei) 反偏時,反向電流與(yu) 二極管結電容、分布電感產(chan) 生尖峰電壓而造成的差模噪聲,圖4為(wei) 典型的半波整流濾波電路:

圖4 差模輸出傳(chuan) 導噪聲電原理圖
2 EMI濾波器的正確選擇
EMI濾波器是以工頻為(wei) 導通對象的反射式低通濾波器,插入損耗和阻抗特性是重要技術指標。EMI濾波器在正常工作時處於(yu) 失配狀態,因為(wei) 在實際應用中,它無法實現匹配。如濾波器輸入端阻抗 (電網阻抗)是隨著用電量的大小而改變的。濾波器輸出端的阻抗 。(電源阻抗)是隨著負載的大小而改變的。要想獲得最佳的EMI抑製效果,必須根據濾波器的兩(liang) 端所要連接的源端阻抗特性和負載阻抗特性來選擇EMI濾波器的電路結構和參數,即遵循輸入、輸出端阻抗失配原則。一般選用方法是:
(1)低的源阻抗和低的負載阻抗:選取(T)n 濾波器結構;(2)高的源阻抗和高的負載阻抗:選取(π )n“濾波器結構;(3)低的源阻抗和高的負載阻抗:選取(LC)n“濾波器結構;(4)高的源阻抗和低的負載阻抗:選取(CL) 濾波器結構。
若不能滿足阻抗失配的原則,就會(hui) 影響濾波器的插損性能,嚴(yan) 重時甚至引起諧振,在某些頻點處出現幹擾放大現象,所以,阻抗失配連接原則是應用EMI濾波器必須遵循的原則。
針對圖l所測得的傳(chuan) 導騷擾值,可以看出在0.15~15MHz範圍內(nei) 嚴(yan) 重超差,最大值超過限值近40dB,而且尖峰較為(wei) 密集。說明電源所產(chan) 生的浪湧電壓和浪湧電流較大,即電源的du/dt、di/dt很大,也就是產(chan) 生的_F擾能量很大。開關(guan) 電源共模噪聲等效電路呈高阻抗容性,而差模等效電路高、低阻抗同時存在。針對這種情況,EMI濾波器的電路結構選為(wei) 二級共模電感和一個(ge) 單獨的差模電感型式,這樣既可以濾除共模噪聲,又可以濾除差模噪聲。插入損耗為(wei) 40dB,所測得的傳(chuan) 導騷擾值如圖5所示。

圖5加EMI濾波器後所測的傳(chuan) 導騷擾
轉載請注明出處。







相關文章
熱門資訊
精彩導讀



















關注我們

