摘要:本文介紹了通用晶閘管軟起動控製器的工作原理,該工作原理即移相原理,移相原理是目前所有晶閘管軟起起動器共同采用的控製方式,其控製方式下起動的電機起動電流較小,起動平穩且能夠滿足多種負載。
關(guan) 鍵詞:晶閘管觸發電流功率因數角
1引言
三相交流異步電動機由於(yu) 結構簡單、價(jia) 格低廉、運行可靠,所以在各個(ge) 行業(ye) 得到廣泛應用。但其在直接起動時,會(hui) 產(chan) 生過大的起動電流,特別是大功率電機,大起動電流嚴(yan) 重衝(chong) 擊電網,引起電網供電質量下降,並影響其他設備的正常運行,並且起動轉矩造成的機械衝(chong) 擊會(hui) 降低電動機的壽命。所以起動過程中需要在電機和電源之間串入軟起動來解決(jue) 此問題。
隨著電力電子技術的飛速發展,晶閘管軟起動裝置應運而生。由於(yu) 其體(ti) 積小、結構緊湊,免維護,安全可靠。全智能控製,功能齊全,菜單豐(feng) 富。起動重複性好,保護周全。所以其正逐步取代傳(chuan) 統的軟起動方式,成為(wei) 軟起動領域新的領軍(jun) 人物。
本文首先闡述晶閘管軟起動的目前最普遍采用的移相起動方式。
2係統概述
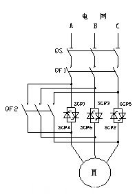
利用晶閘管的開關(guan) 特性,通過晶閘管的觸發角來改變晶閘管的導通時間,從(cong) 而控製到晶閘管電機端的輸出電壓,達到控製電機的起動特性。當晶閘管的電機端電壓和輸入端相同的時候即電機起動過程完畢後,就讓交流接觸器(或斷路器)吸合(如圖1所示意,即QF2吸合),短路所有的晶閘管,這時電動機將直接連到電網上。

圖1 晶閘管軟起動器主電路原理圖
在圖1中,QS為(wei) 高壓隔離開關(guan) ,QF1、QF2為(wei) 真空斷路器(當電流小的時候,QF2有時候也采用接觸器),SCR為(wei) (普通)晶閘管,M為(wei) 中壓電動機。QF1伺職主電路的通斷,QF2伺職電力器件的旁路。在SCR軟起動裝置裏,SCR共6組,每組含(根據電壓的高低和可控矽的耐壓值來確定m的值)個(ge) 相串的SCR。
3工作原理
3.1功率因數角
由於(yu) 電機為(wei) 感性負載,所以電流滯後電壓。當電壓過零的時候,電流並未過零,要延遲一段時間後才過零,隻有在電流過零的時候晶閘管才關(guan) 斷。我們(men) 把電壓過零點和電流過零點之間的這個(ge) 角度稱為(wei) 功率因數角φ(如圖2所示)。

圖2 觸發角和導通角的關(guan) 係
3.2導通角和觸發角
(1)導通角和觸發角
當晶閘管工作時,其輸出電壓的大小由晶閘管的導通角決(jue) 定,而導通角又由觸發角和功率因數角共同決(jue) 定。
如圖2所示,α為(wei) 觸發角,q為(wei) 導通角。
幾個(ge) 角度之間的關(guan) 係為(wei) :q=-α+φ
(2)初始觸發角
初始觸發角是給電機建立電流的必要條件,初始觸發角一般在40°到60°之間,此值根據不同的電機及不同的負載變化。
3.3相序及其檢測
(1)相序
相序就是相位的順序,是交流電的瞬時值從(cong) 負值向正值變化經過零值的依次順序。在晶閘管軟起動中,相序檢測極為(wei) 重要,隻有確定相序,才能發出正確的觸發脈衝(chong) 控製晶閘管的導通順序。
(2)相序檢測
相序檢測是在晶閘管導通前,觸發脈衝(chong) 發出前進行的。本係統通過對三相反並聯晶閘管的管壓降信號的判別來實現相序檢測。設A相晶閘管的管壓降信號為(wei) Va, B相晶閘管的管壓降信號為(wei) Vb ,C相晶閘管的管壓降信號為(wei) Vc。在電壓過零時,管壓降為(wei) 0。管壓降信號Va、 Vb、Vc嚴(yan) 格遵守三相交流電相序規律,信號的周期為(wei) 180°,各相的相位差為(wei) 120°。
以Va為(wei) 基準,當Va開始有壓降,此時開始計時,若60°後到來的信號是Vc,120°後到來的信號是Vb,則可判定為(wei) 正相序。相反,當Va開始有壓降,若60°後到來的信號是Vb,120°後到來的信號是Vc,則可判定為(wei) 逆相序。
3.4脈衝(chong) 觸發
(1)觸發同步
為(wei) 了能對主回路的輸出電壓Ud進行準確的控製,SCR必須接受與(yu) SCR主電路具有相同頻率的觸發信號。在A、B、C三相電路中,正相晶閘管觸發信號相位相差120°,反相晶閘管觸發信號相位也相差120°,而同一相中反並聯的兩(liang) 個(ge) 晶閘管的觸發脈衝(chong) 相位相差180°。宏觀來看三相交流調壓電路,是每隔60° 控製器發出一個(ge) 觸發脈衝(chong) 。
(2)觸發脈寬
晶閘管的觸發是有一個(ge) 過程的,也就是晶閘管的導通需要一定的時間,不是一觸即通,隻有當晶閘管的陽極電流即主回路電流上升到晶閘管的擎住電流IL以上時,管子才能導通,所以觸發脈衝(chong) 信號應有一定的寬度才能保證被觸發的晶閘管可靠導通。例如:一般晶閘管的導通時間在6μs左右,故觸發脈衝(chong) 的寬度至少在 6μs以上,一般取20~50μs,對於(yu) 大電感負載,由於(yu) 電流上升較慢,觸發脈衝(chong) 寬度還應加大,否則脈衝(chong) 終止時主回路電流還未上升到晶閘管的擎任電流以上,則晶閘管又重新關(guan) 斷,所以脈衝(chong) 寬度不應小於(yu) 300μs,通常取1ms,相當廣50Hz正弦波的18°電角度。
3.5移相調壓過程
由於(yu) 異步電動機是感性負載,從(cong) 電力電子學中得到,當交流調壓電路帶感性負載時,隻有當觸發角α大於(yu) 感性負載的功率因數角φ時,才能起調壓的作用,因為(wei) 當α<φ時,電流導通的時間將始終保持在180°,其情況和α=φ時一樣,相控不起任何調壓作用,甚至在晶閘管觸發脈衝(chong) 不夠寬的情況下,還會(hui) 出現隻有一個(ge) 方向的晶閘管在工作,負載上可能出現直流分量,危害晶閘管的安全。因此在使用相控晶閘管電路時必須采用寬脈衝(chong) 觸發或雙窄脈衝(chong) 觸發,移相範圍限製在φ≤α<180°。
晶閘管的輸出電壓為(wei) 介於(yu) 導通角q 間的波形,改變q角的大小,就可以調節電機的輸入電壓。q 角與(yu) α角和φ角都有關(guan) ,對於(yu) 恒定的負載阻抗,q角是常量,隻要調整α角就可以改變晶閘管的輸出電壓,但電機的功率因數角是電機轉速的函數,在電機起動過程中,隨著轉速的提升,功率因數角在不斷變化,因此,對晶閘管觸發角α的調整要兼顧φ角的變化情況。隻有這樣,才能達到使電機輸入電壓按預定規律變化的目的。
4實現方案
在軟起動過程中,DSP以電流過零點為(wei) 觸發條件,DSP每檢測到一次電流過零點就會(hui) 發一次觸發脈衝(chong) 。首先根據電機的參數特性設定觸發角α的初始值,在起動過程中,觸發角α不斷的前移,直到移動到功率因數角φ為(wei) 止,此時觸發角的值等於(yu) 功率因數角。這個(ge) 時候發出的觸發脈衝(chong) 正好是在電流過零點處,也就是可晶閘管關(guan) 斷的時刻。由於(yu) 觸發脈衝(chong) 具有一定寬度,可以持續到電流過零點以後,所以此刻發出的觸發脈衝(chong) 會(hui) 使晶閘管全壓導通。晶閘管全壓導通的時刻,也就是軟起動過程結束的時候,此時就可以投切旁路真空接觸器,來短接晶閘管。為(wei) 了避免電流的二次衝(chong) 擊,需要延時一段時間後停止發出觸發脈衝(chong) ,此時整個(ge) 軟起過程完全結束。#p#分頁標題#e#
5實際控製效果
本文以功率因數角作為(wei) 軟起動的控製依據,可以實時的跟蹤電機的功率因數的變化,根據功率因數的變化來調整觸發角度。所以大部分晶閘管軟起動控製方式采用此移相控製方式。本文所介紹的根據功率因數角移相的起動方式,在實際應用過程中很好的實現了電機的平滑起動,為(wei) 用戶提供了滿意的軟起動產(chan) 品。
6結束語
本文介紹了以功率因數角作為(wei) 反饋信號來控製電機的晶閘管移相起動方式,此控製策略能更準確的判斷出晶閘管的關(guan) 斷時刻,由此可以更精確的發出觸發脈衝(chong) 來控製電機的軟起動過程。
轉載請注明出處。







相關文章
熱門資訊
精彩導讀



















關注我們

