TSL256x是TAOS公司推出的一種高速、低功耗、寬量程、可編程靈活配置的光強傳(chuan) 感器芯片。本文簡要介紹了TSL256x的基本特點、引腳功能、內(nei) 部結構和工作原理,給出了TSL2561的實用電路、軟件設計流程以及核心程序。
關(guan) 鍵詞 光強傳(chuan) 感器 TSL256x I2C總線 積分式A/D轉換器
1 TSL256x簡介
TSL2560和TSL2561是TAOS公司推出的一種高速、低功耗、寬量程、可編程靈活配置的光強度數字轉換芯片。該芯片可廣泛應用於(yu) 各類顯示屏的監控,目的是在多變的光照條件下,使得顯示屏提供最佳的顯示亮度並盡可能降低電源功耗;還可以用於(yu) 街道光照控製、安全照明等眾(zhong) 多場合。該芯片的主要特點如下:
◇ 可編程設置許可的光強度上下閾值,當實際光照度超過該閾值時給出中斷信號;
◇ 數字輸出符合標準的SMBus(TSL2560)和I2C(TSL2561)總線協議;
◇ 模擬增益和數字輸出時間可編程控製;
◇ 1.25 mm×1.75 mm超小封裝,在低功耗模式下,功耗僅(jin) 為(wei) 0.75 mW;
◇ 自動抑製50 Hz/60 Hz的光照波動。
2 TSL256x的引腳功能
TSL256x有2種封裝形式: 6LEAD CHIPSCALE和6LEAD TMB。封裝形式不同,相應的光照度計算公式也不同。圖1為(wei) 這兩(liang) 種封裝形式的引腳分布圖。

圖1 TSL256x封裝
各引腳的功能如下:
腳1和腳3: 分別是電源引腳和信號地。其工作電壓範圍是2.7~3.5V。
腳2: 器件訪問地址選擇引腳。由於(yu) 該引腳電平不同,該器件有3個(ge) 不同的訪問地址。訪問地址與(yu) 電平的對應關(guan) 係如表1所列。
表1 器件訪問地址與(yu) 引腳2電平的對應關(guan) 係

腳4和腳6: I2C或SMBus總線的時鍾信號線和數據線。
腳5: 中斷信號輸出引腳。當光強度超過用戶編程設置的上或下閾值時,器件會(hui) 輸出一個(ge) 中斷信號。
3 TSL256x的內(nei) 部結構和工作原理
TSL256x是第二代周圍環境光強度傳(chuan) 感器,其內(nei) 部結構如圖2所示。通道0和通道1是兩(liang) 個(ge) 光敏二極管,其中通道0對可見光和紅外線都敏感,而通道1僅(jin) 對紅外線敏感。積分式A/D轉換器對流過光敏二極管的電流進行積分,並轉換為(wei) 數字量,在轉換結束後將轉換結果存入芯片內(nei) 部通道0和通道1各自的寄存器中。當一個(ge) 積分周期完成之後,積分式A/D轉換器將自動開始下一個(ge) 積分轉換過程。微控製器和TSL2560可通過標準的SMBus( System Management Bus) V1.1或V2.0實現,TSL2561則可通過I2C總線協議訪問。對TSL256x的控製是通過對其內(nei) 部的16個(ge) 寄存器的讀寫(xie) 來實現的,其地址如表2所列。

圖2 TSL256x內(nei) 部結構圖
表2 TSL256x內(nei) 部寄存器地址及作用

4 TSL256x應用設計
TSL256x的訪問遵循標準的SMBus和I2C協議,這使得該芯片軟硬件設計變得非常簡單。這兩(liang) 種協議的讀寫(xie) 時序雖然很類似,但仍存在不同之處。下麵僅(jin) 以TSL2561芯片為(wei) 例,說明TSL256x光強傳(chuan) 感器的實際應用。
4.1 硬件設計
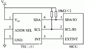
TSL2561可以通過I2C總線訪問,所以硬件接口電路非常簡單。如果所選用的微控製器帶有I2C總線控製器,則將該總線的時鍾線和數據線直接與(yu) TSL2561的I2C總線的SCL和SDA分別相連;如果微控製器內(nei) 部沒有上拉電阻,則還需要再用2個(ge) 上拉電阻接到總線上。如果微控製器不帶I2C總線控製器,則將TSL2561的I2C總線的SCL和SDA與(yu) 普通I/O口連接即可;但編程時需要模擬I2C總線的時序來訪問TSL2561,INT引腳接微控製器的外部中斷。硬件連接如圖3所示。

圖3 微控製器與(yu) TSL2561的硬件連接圖
4.2 軟件設計
微控製器可以通過I2C總線協議對TSL2561進行讀寫(xie) 。寫(xie) 數據時,先發送器件地址,然後發送要寫(xie) 的數據。TSL2561的寫(xie) 操作過程如下: 先發送一組器件地址;然後寫(xie) 命令碼,命令碼是指定接下來寫(xie) 寄存器的地址00h~0fh和寫(xie) 寄存器的方式,是以字節、字或塊(幾個(ge) 字)為(wei) 單位進行寫(xie) 操作的;最後發送要寫(xie) 的數據,根據前麵命令碼規定寫(xie) 寄存器的方式,可以連續發送要寫(xie) 的數據,內(nei) 部寫(xie) 寄存器會(hui) 自動加1。對於(yu) I2C協議具體(ti) 的讀寫(xie) 時序,可以參考相關(guan) 資料,在此不再贅述。TSL2561的軟件設計流程如圖4所示。

圖4 軟件設計流程
限於(yu) 篇幅,在此給出對TSL2561讀寫(xie) 操作的部分程序:
unsigned char TSL2561_write_byte( unsigned char addr, unsigned char c) {
unsigned char status=0;
status=twi_start();//開始
status=twi_writebyte(TSL2561_ADDR|TSL2561_WR);//寫(xie) TSL2561地址
status=twi_writebyte(0x80|addr);//寫(xie) 命令
status=twi_writebyte(c);//寫(xie) 數據
twi_stop( );//停止
delay_ms(10);//延時10 ms
return 0;
}
unsigned char TSL2561_read_byte( unsigned char addr, unsigned char *c) {
unsigned char status=0;
status= twi_start( );//開始
status=twi_writebyte(TSL2561_ADDR|TSL2561_WR);//寫(xie) TSL2561地址
status=twi_writebyte(0x80|addr);//寫(xie) 命令
status=twi_start( );//重新開始
status=twi_writebyte(TSL2561_ADDR|TSL2561_RD);//寫(xie) TSL2561地址
status=twi_readbyte(c,TW_NACK);//寫(xie) 數據
twi_stop( );
delay_ms(10);
return 0;
}
當積分式A/D轉換器轉換完成後,可以從(cong) 通道0寄存器和通道1寄存器讀取相應的值CH0和CH1,但是要以Lux(流明)為(wei) 單位,還要根據CH0和CH1進行計算。對於(yu) TMB封裝,假設光強為(wei) E(單位為(wei) Lux),則計算公式如下:
① 0<CH1/CH0≤0.50
E=0.030 4×CH0-0.062×CH0×(CH1/CH0)1/4
② 0.50<CH1/CH0≤0.61
E=0.022 4×CH0-0.031×CH1
③ 0.61<CH1/CH0≤0.80
E=0.012 8×CH0-0.015 3×CH1
④ 0.80<CH1/CH0≤1.30
E=0.001 46×CH0-0.001 12×CH1
⑤ CH1/CH0>1.30
E=0
對於(yu) CHIPSCALE封裝,計算公式可以查看相應的芯片資料。
5 結論
采用TSL256x實現光強度實時監測的係統,具有精度高、成本低、體(ti) 積小等優(you) 點。芯片內(nei) 部集成了積分式A/D轉換器,采用數字信號輸出,因此抗幹擾能力比同類芯片強。該芯片在光強監測控製領域已得到廣泛應用。
轉載請注明出處。







相關文章
熱門資訊
精彩導讀



















關注我們

