隨著電子產(chan) 品對可靠性要求的不斷提高和能源資源的日益緊縮,高可靠性和高效節能的電子產(chan) 品將是未來電子產(chan) 品發展的一個(ge) 方向,因此在產(chan) 品的電源設計上,必須要充分考慮其可靠性能和電源使用效率。
本文首先分析電子產(chan) 品為(wei) 什麽(me) 會(hui) 有開機浪湧,然後以典型的電源電路為(wei) 例分析如何使用熱敏電阻抑製浪湧電流,最後介紹熱敏電阻在實際應用中應如何選型。
開機浪湧電流產(chan) 生的原因
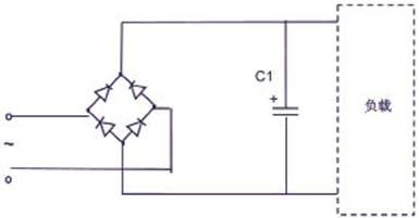
圖1是典型的電子產(chan) 品電源部分簡化電路,C1是與(yu) 負載並聯的濾波電容。在開機上電的瞬間,電容電壓不能突變,因此會(hui) 產(chan) 生一個(ge) 很大的充電電流。根據一階電路零狀態響應模型所建立的一階線性非齊次方程可以求出其電流初始值相當於(yu) 把濾波電容短路而得到的電流值。這個(ge) 電流就是我們(men) 常說的輸入浪湧電流,它是在對濾波電容進行初始充電時產(chan) 生的,其大小取決(jue) 於(yu) 啟動上電時輸入電壓的幅值以及由橋式整流器和電解電容其所形成的回路的總電阻。

圖1 電源示意圖
假設輸入電壓V1為(wei) 220Vac,整個(ge) 電網內(nei) 阻(含整流橋和濾波電容)Rs=1Ω,若正好在電源輸入波形達到90度相位的時候開機,那麽(me) 開機瞬間浪湧電流的峰值將達到I=220×1.414/1=311(A)。這個(ge) 浪湧電流雖然時間很短,但如果不加以抑製,會(hui) 減短輸入電容和整流橋的壽命,還可能造成輸入電源電壓的降低,讓使用同一輸入電源的其它動力設備瞬間掉電,對臨(lin) 近設備的正常工作產(chan) 生幹擾。
浪湧電流的抑製
浪湧電流的抑製方法有很多,一般中小功率電源中采用電阻限流的辦法抑製開機浪湧電流。圖2是一個(ge) 常見的110V/220V雙輸入電源示意圖,以此為(wei) 例,我們(men) 分析一下如何使用NTC熱敏電阻進行浪湧電流的抑製。

圖2 110/220Vac雙輸入電源示意圖
NTC熱敏電阻,即負溫度係數熱敏電阻,其特性是電阻值隨著溫度的升高而呈非線性的下降。NTC在應用上一般分為(wei) 測溫熱敏電阻和功率型熱敏電阻,用於(yu) 抑製浪湧的NTC熱敏電阻指的就是功率型熱敏電阻器。
圖2中R1~R4為(wei) 熱敏電阻浪湧抑製器通常放置的位置。對於(yu) 同時兼容110Vac和220Vac輸入的雙電壓輸入產(chan) 品,應該在R1和R2位置同時放兩(liang) 個(ge) NTC熱敏電阻,這樣可使在110Vac輸入連接線連接時和220Vac輸入連接線斷開時的衝(chong) 擊電流大小一致,也可單獨在R3或R4處放置一個(ge) NTC熱敏電阻。對於(yu) 隻有220Vac輸入的單電壓產(chan) 品,隻需在R3或R1位置放1個(ge) NTC熱敏電阻即可。
其工作原理如下:
在常溫下,NTC熱敏電阻具有較高的電阻值(一般選用5Ω或10Ω),即標稱零功率電阻值。參考圖1的例子,串接10ΩNTC時,開機浪湧電流為(wei) :I=220×1.414/(1+10)= 28(A),比未使用NTC熱敏電阻時的311A降低了10倍,有效的起到了抑製浪湧電流的作用。
開機後,由於(yu) NTC熱敏電阻迅速發熱、溫度升高,其電阻值會(hui) 在毫秒級的時間內(nei) 迅速下降到一個(ge) 很小的級別,一般隻有零點幾歐到幾歐的大小,相對於(yu) 傳(chuan) 統的固定阻值限流電阻而言,這意味著電阻上的功耗因為(wei) 阻值的下降隨之降低了幾十到上百倍,因此這種設計非常適合對轉換效率和節能有較高要求的產(chan) 品,如開關(guan) 電源。
斷電後,NTC熱敏電阻隨著自身的冷卻,電阻值會(hui) 逐漸恢複到標稱零功率電阻值,恢複時間需要幾十秒到幾分鍾不等。下一次啟動時,又按上述過程循環。
轉載請注明出處。







相關文章
熱門資訊
精彩導讀


















關注我們

