
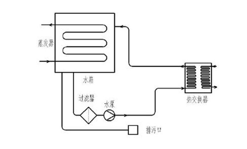
製冷劑循環冷卻係統工作原理:製冷劑液體(ti) 經過毛細管節流降壓,流入蒸發器;在蒸發器內(nei) 汽化,吸收水路外循環冷卻係統中被冷卻水的熱量,變成高溫抵押的製冷劑蒸汽被吸入壓縮機;壓縮機中壓縮成高溫高壓的蒸汽後排入冷凝器。
在冷凝器中,製冷劑向冷卻介質——空氣放熱,冷凝後為(wei) 高壓低溫液體(ti) 注入毛細管。經毛細管再次進入蒸發器吸熱汽化,達到循環製冷的目的。

水路外循環冷卻係統工作原理:水在水箱中與(yu) 蒸發器中的製冷劑進行能量交換;被冷卻後經水箱、過濾器、水泵,到水路內(nei) 循環冷卻係統中的熱交換器,在熱交換器中與(yu) 內(nei) 循環水進行能量交換,吸收其熱量,再回水箱,使內(nei) 循環水保持在一定溫度範圍內(nei) 不變。

水路內(nei) 循環冷卻係統工作原理:內(nei) 循環水與(yu) 外循環水在熱交換器中進行能量交換,被冷卻後回到水箱,再經過過濾器、水泵,流經激光腔,帶走激光腔內(nei) 的熱量,冷卻激光器,溫度升高再流回熱交換器中與(yu) 外循環水進行能量交換。
轉載請注明出處。







相關文章
熱門資訊
精彩導讀



















關注我們

