-
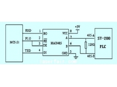
S7-200與MCS51單片機的通訊簡介
1 引言 PLC 因為(wei) 穩定可靠、結構緊湊、簡單易學、功能強大和使用方便已經成為(wei) 應用麵最廣、最廣泛的通用 工業(ye) 控製 裝置,成為(wei) 現代工業(ye) 自動化 控製的主要支柱之一。而單片機因為(wei) 成本低廉,...
2012-07-20 -
PAC運動控製係統方案設計
多電機 伺服 控製廣泛應用於(yu) 各種電力傳(chuan) 動自動 控製係統 中,如配料、傳(chuan) 動等生產(chan) 過程。 伺服係統 中電機控製性能和多電機間協調控製的好壞直接影響生產(chan) 過程的質量,如何高效管理、方便...
2012-07-16 -
基於PLC的專家控製係統開發工具
1 引言 近半個(ge) 世紀以來,經典控製理論和現代控製理論、方法和技術(簡稱傳(chuan) 統控製),取得了令人矚目的成就。但是,無論是現代控製理論還是大係統理論,其分析、綜合和設計都是建立在...
2012-07-16 -
數字量設備控製模塊的設計分析(二)
2.2 數字量設備的操作菜單 上麵,我們(men) 根據開關(guan) 量設備的信號特點,把所有開關(guan) 量設備歸納成八種類型。可以看出這些開關(guan) 量設備的輸入、輸出信號較簡單,但是根據啤酒生產(chan) 的操作要求,開關(guan) ...
2012-07-12 -
數字量設備控製模塊的設計分析(一)
1 引言 一般來說,可以把控製係統劃分為(wei) 三類:過程調節係統、運動控製係統和生產(chan) 控製係統。第一種側(ce) 重於(yu) 回路的調節控製,往往涉及較複雜的控製算法,主要應用於(yu) 煉油等化工行業(ye) ;第二種...
2012-07-12 -
ACS運動控製器在高精密激光切割機上的解決方案
係統介紹: 激光切割是應用激光聚焦後產(chan) 生的高功率密度能量來實現的。與(yu) 傳(chuan) 統的板材加工方法相比,激光切割其具有高的切割質量、高的切割速度、廣泛的材料適應性等優(you) 點。激光切割技術廣...
2012-07-10 -
基於Linux係統的軟PLC設計(二)
對於(yu) 每個(ge) 具體(ti) 的設計來說,需要對配置文件中的幾個(ge) 部分進行配置。 (3) 人機界麵模塊(HMI),用戶和軟PLC 之間的互動模塊。通過友好的人機界麵,用戶可以控製軟PLC 的調用和開關(guan) ,同時可以...
2012-07-10 -
基於Linux係統的軟PLC設計(一)
引言 可編程 控製器 ( PLC ,Programmable Log ic Controller)經過幾十年的發展,現在已經成為(wei) 了最重要、最可靠、應用場合最廣泛的 工業(ye) 控製 微型 計算機 。然而,人們(men) 在使用過程中也逐漸發現了...
2012-07-10
排行榜
編輯推薦
關注我們









