-
瑞典研製出具有高抗拉強度的碳纖維EV鋰電池材料
日前,有消息稱來自瑞典的研究人員正在探索研製可用於(yu) 電動汽車的碳纖維鋰電池電極材料,該材料具有非常高的抗拉強度。該碳纖維鋰電池電極材料將被用於(yu) 電動汽車的多功能鋰離子結構電...
2014-07-14 -
捷豹路虎將量產透明發動機蓋和激光影像技術
還記得今年紐約車展前,亮相於(yu) 無畏號航空母艦上的那輛路虎 Vision概念車嗎?其在揭示路虎未來家族設計語言的同時,還加持了諸多新鮮技術,其中最備受矚目的莫過於(yu) 透明發動機蓋 和激光影...
2014-07-11 -
捷豹路虎將量產透明引擎蓋/激光影像技術
還記得今年紐約 車展 前,亮相於(yu) 無畏號航空母艦上的那輛 路虎 Vision 概念車 嗎?其在揭示 路虎 未來家族設計語言的同時,還加持了諸多新鮮技術,其中最備受矚目的莫過於(yu) 透明 發動機蓋 和...
2014-07-10 -
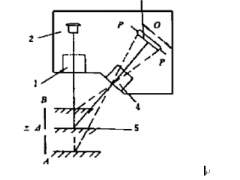
激光在線檢測技術在車身中的應用
激光在線檢測技術在白車身中的應用 現代轎車製造過程中,在線檢測作為(wei) 工藝的重要組成,正得到越來越大的重視。自動化程度很高的CNC三坐標測量機和全自動三維激光檢測係統應用於(yu) 車身生產(chan) ...
2014-07-08 -
機器人滾邊在汽車行業中的實際運用
當前,車身門蓋內(nei) 外板的連接通常都使用包邊工藝,使用傳(chuan) 通模具和壓機進行衝(chong) 壓包邊時,由於(yu) 外板的包邊輪廓要根據車身外形的變化而變化, 沿整個(ge) 輪廓包邊的角度也不同,包邊過渡急劇的...
2014-07-05 -
汽車業壟斷現象屢見不鮮 零配件“一枝獨大”
汽車業(ye) 反壟斷再次被擺上台麵。日前,商務部有關(guan) 負責人對外表示,正對中國汽車行業(ye) 潛在壟斷行為(wei) 進行審查。這一表態迅速崩緊了汽車業(ye) 神經。 而在5月底,商務部已向中國汽車流通協會(hui) 下發...
2014-06-30 -
新能源車仍未破局:政府高額補貼 無奈充電不便
今年開始,關(guan) 於(yu) 各地新能源車補貼政策的消息被媒體(ti) 頻繁報道。不過,即使有豐(feng) 厚的優(you) 惠和補助,消費者還是對新能源車接受程度不高。調查發現,由於(yu) 多數消費者對購車後充電、續航和電池...
2014-06-30 -
自主品牌車企為何遭遇三重困境
近年來,我國自主品牌乘用車遭遇了國內(nei) 市場占有率節節下滑、國際市場出口負增長、主流車企品牌高端化連連受挫的三重困境。我國自主品牌汽車可以憑借的國內(nei) 市場和低成本優(you) 勢正在被削...
2014-06-30
排行榜
編輯推薦
關注我們









