自從(cong) 1960年世界上第一台激光器問世至今,激光器已經滲透到生產(chan) 、科研、醫療和生活等各個(ge) 領域。在各類應用中,激光器的參數直接決(jue) 定了使用者對激光光源的選擇。
小編在這裏整理了常規激光器的一些參數定義(yi) 並做簡單說明,供大家參考,希望能幫助大家在最短的時間找到適合自己的激光產(chan) 品。
一、輸出功率
與(yu) 電能一樣,激光器發出的光也是一種能源,隻是它以光能的形成出現。所以激光器的輸出功率與(yu) 發電廠發電機的輸出功率一樣,是一個(ge) 度量單位時間內(nei) 輸出激光能量的物理量,度量單位常用毫瓦(mW)、瓦(W)、千瓦(kW)等。
二、功率穩定性
功率穩定性表征的是激光輸出功率在一定時間內(nei) 的不穩定度,一般分為(wei) RMS穩定性和峰峰值穩定性。

RMS穩定性:測試時間內(nei) 所有采樣功率值的均方根與(yu) 功率平均值的比值,描述輸出功率偏離功率平均值的分散程度。在CNI laser的網站上,激光器功率穩定性是4小時內(nei) 的RMS穩定性。
峰峰值穩定性:輸出功率的最大值和最小值之差與(yu) 功率平均值的百分比,表征的是一定時間內(nei) 的輸出功率的變化範圍。
功率穩定性測試圖
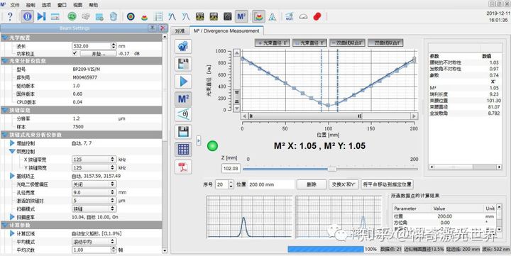
三、光束質量因子(M2因子)
M2因子測試圖
光束質量因子定義(yi) 是激光束腰半徑和光束遠場發散角的乘積與(yu) 理想基模光束束腰半徑和基模發散角乘積的比值,即


光束質量會(hui) 影響到激光的聚焦效果以及遠場的光斑分布情況,是用來表征激光光束質量的參數,實際激光光束質量因子越接近1,說明光束質量越接近理想光束,它的光束質量就越好。CNI laser 半導體(ti) 泵浦固體(ti) 激光器光束質量因子可做到優(you) 於(yu) 1.1。
四、光斑(橫模)
垂直於(yu) 激光傳(chuan) 播方向上某一橫截麵上的穩定場分布稱為(wei) 橫模,激光器的光斑表征的就是橫模分布,通過CCD陣列將橫模分布模擬出來,得到激光器的一些光束特征,如圖所示就是一個(ge) TEM00高斯光束的光斑情況。
光斑測試圖(TEM00)
除了基橫模(TEM00)外,還有其它一些模式,如下圖:

TEM10模指的是在x方向的截麵上有一點光強為(wei) 0
TEM11模指的就是在x和y方向截麵均有一點光強為(wei) 0
五、光斑直徑
對於(yu) 光斑直徑的測量,一般有套孔法、刀口法、激光輪廓分析儀(yi) (CCD)測量等。
套孔法:由於(yu) 實驗上很難做到孔與(yu) 光束同心,因而精確度難保證。
激光輪廓分析儀(yi) (CCD)測試:可保證測量結果的精確度,軟件界麵中光斑直徑可提供四種計量方法的測試結果(見圖3),其中最廣泛使用的是以峰值的13.5%(1/e2)為(wei) 邊界的定義(yi) 方法,這種測試方法雖然精度高,但對於(yu) 高功率的激光器,CCD存在飽和現象,如用衰減器,可能會(hui) 引起光束畸變。
刀口法:是測量高功率激光器光斑直徑較理想的方法。取待測激光透過刀口邊緣光功率占總功率10%的刀口位置坐標x1,取待測激光透過刀口邊緣光功率占總功率90%的刀口位置坐標x2,光斑直徑=1.561×|x1-x2|(其中1.561是擬合值)。

刀口法測量光斑直徑
用直尺或人眼測量可見光的光斑直徑時,為(wei) 什麽(me) 得到的激光光斑直徑要比使用專(zhuan) 業(ye) 的光斑輪廓分析儀(yi) 測得的光斑直徑要大?
——這是因為(wei) 激光能量強且集中,作用到物體(ti) 上會(hui) 有一定發散,而使用光斑輪廓分析儀(yi) 測量,常用峰值強度的(13.5%)點處的光斑直徑作為(wei) 測量結果,所以得到的測量結果會(hui) 相對小。
六、激光調製
激光調製就是利用光作為(wei) 載體(ti) ,把信號加載到光上,按照應用要求,實現信號的傳(chuan) 遞。一般調製分為(wei) 外調製和內(nei) 調製,外調製是指激光器外部進行的機械調製或者聲光調製;內(nei) 調製指的是電源驅動調製,內(nei) 調製又分為(wei) TTL調製和模擬調製,如圖所示,黃色CH1為(wei) 輸入的電波形,藍色CH2為(wei) 調製後的光波形。
激光器調製波形圖
TTL調製:通過外給激光器輸入一定頻率的高低電平(0V或是5V)直流信號時,低電平閉光,高電平時滿功率輸出,高電平幅值不可調。
模擬調製:可以自由的調整輸入信號的波形與(yu) 幅值大小,激光輸出功率隨輸入模擬電壓信號線性改變。
轉載請注明出處。







相關文章
熱門資訊
精彩導讀



















關注我們

