一、前言:
由於(yu) 激光具有高亮度、高方向性、高單色性、高相幹性等奇異特性,能在材料加工中帶來其它加 工方法所不具備的許多特點,如:無接觸加工、無切削加工、無刀具磨損加工、高能量密度超極速加工、局部熱變形量小加工以及與(yu) 數控係統極易配合的靈活加工。 所以激光技術被列入20世紀原子能、半導體(ti) 、計算機的四大發明之一。
為(wei) 此我國政府於(yu) 80年代中、90年代初在 武漢華中科技大學成立了國家激光技術重點實驗室(研究激光與(yu) 物質作用的理論)和國家激光加工工程中心(研究激光加工的應用),並在這兩(liang) 個(ge) 源頭的牽引下,催 生了“中國光穀”,“中國光穀”在市場經濟的導向下,短短的數年創造了幾十項激光技術領域的第一乃至世界第一。
大功率CO2激光毛化技術與(yu) 設備就是其一,屬於(yu) 有自主知識產(chan) 權的國際領先技術,該技術不僅(jin) 能完成高質量的激光毛化形貌,還具備激光淬火的特殊功能,能使軋輥的壽命提高一倍以上,其綜合經濟效益能給使用者年內(nei) 收回投資及帶來長期、穩定、明顯的經濟效益。
二、CO2激光毛化機理
激光毛化技術與(yu) 設備是我國“八五”國家科技(攻關(guan) )計劃項目,91年啟動,96年在武鋼投產(chan) ,取得了一定的成效。限於(yu) 80年代末、90年代初各項單元技術條件的限製,作為(wei) 國內(nei) 重點科研課題研製的第一台CO2激 光毛化機床存在一些問題在所難免,現在雖暫時停產(chan) ,但應該看到該項技術在國際毛化領域中所具有的前瞻性和市場前景。目前在華中科技大學華工激光公司的實施 下,已有昆明鋼鐵公司、濟南鋼鐵公司、唐山建龍鋼鐵公司、重慶鋼鐵公司采用了該項技術與(yu) 裝備,並獲得了新的知識產(chan) 權專(zhuan) 利。
1)CO2激光毛化機理(具有毛化、硬化功能)
如圖1所示:毛化加工時斬光盤2逆時針旋轉,軋輥1順時針旋轉,激光束3通過聚焦鏡4照射到前齒的後齒麵,反射到後齒的前齒麵,再入射到軋輥表麵Q點,其入射麵積小於(yu) 0.5mm2,其功率密度為(wei) 104~105W/cm2,使輥麵金屬材料組織迅速發生相變(溫度在溶點以下)。

如圖2所示:在相變硬化區內(nei) 形成馬氏體(ti) 、碳化物、殘餘(yu) 奧氏體(ti) 等,並由於(yu) 其加工升溫速度和冷卻速度極快10
-5秒, 致使相變硬化區內(nei) 所獲得各種組成項都極為(wei) 細小並產(chan) 生大量的錯位,這些對提高輥麵硬度、耐磨性都是十分有利的,使得激光相變後的輥麵組織具有比常規淬火更為(wei) 優(you) 異的耐磨性,同時為(wei) 下一步的激光溶凝造型的毛化做了預熱。

如圖3所示:當斬光盤2的前齒和後齒移動到圖示位置,激光束3通過前、後齒間的透孔直接聚焦入射到軋輥1的輥表麵Q’點,其入射麵積為(wei) 0.02mm
2,其功率密度在107W/cm
2以 上,使輥麵金屬材料迅速溶化成溶池,溶池內(nei) 的溶解物在側(ce) 吹氣體(ti) 5及離心力作用下按一定的方向堆積到溶池邊沿並通過極速冷凝形成有序的硬度極高的凹坑與(yu) 凸 台,完成毛化加工。給定方向、流量、壓力的側(ce) 吹氣體(ti) 5除了完成造型任務,還有三種功能:1.避免軋輥表麵在熱加工過程中與(yu) 空氣中的氧發生作用,產(chan) 生脫碳現 象影響凸台強度。2.避免在溶化凝固硬化過程中產(chan) 生的飛濺物對鏡片造成傷(shang) 害。3.避免在激光溶化過程中產(chan) 生的過量等離子體(ti) 形成屏蔽對激光入射的影響。


2)CO
2激光毛化工藝

激光毛化輥麵
根 據冷軋板軋製工藝要求及後續加工工藝要求:如普板、家電板、汽車板、防偽(wei) 板、退火、深衝(chong) 、超深衝(chong) 、鍍鋅、彩塗等選定輥麵粗糙度值、密度值、平坦度值的工藝 指標,以及粗糙度複印率、衰減率的工藝指標(在實際生產(chan) 中,這兩(liang) 項指標對使用者十分重要),決(jue) 定工藝指標的主要工藝參數是激光器使用功率、激光脈衝(chong) 頻率、 掃描速度、光斑直徑、聚焦距離。其中使用功率越大,粗糙度值(Ra)越大,功率值連續自動可調控;脈衝(chong) 頻率由斬光盤轉速與(yu) 斬光盤齒數確定,一般為(wei) 20KHZ左右,即每秒可造2萬(wan) 個(ge) 點的毛化形貌;即脈衝(chong) 頻率越高,密度值(峰值數PC)越高。掃描速度由軋輥轉速,輥麵直徑及毛化裝置移動速度確定,一般 為(wei) 6.5米/秒,降低掃描速度可提高Ra與(yu) PC值;光斑直徑與(yu) 焦距由外光路確定。這些變量均可由840D數控係統、檢測係統及專(zhuan) 用工藝軟件來精確執行,操 作人員隻需負責吊裝、輸入選定的粗糙度值、密度值、平坦度值即可,十分方便。由於(yu) 所有工藝參數均能精確控製,所以CO
2激光毛化能再現所需的加工過程和結果,這一點對總結毛化效果、開發新產(chan) 品十分有利(第一代的噴丸、第二代的電火花均有不能明顯硬化和再現功能的缺陷)。
三、電火花毛化機理
電火化毛化技術的專(zhuan) 用設備,目前在國內(nei) 還沒有專(zhuan) 業(ye) 的生產(chan) 廠家,多數鋼企隻是認為(wei) 其形貌的均勻性、保持性比噴丸毛化好,並且由於(yu) 從(cong) 眾(zhong) 、從(cong) 外的心理誘導,所以 大多引進了國外的電火花毛化設備。應該說電火花毛化技術是在40年代的電火花加工技術的基礎上誕生的,這比激光加工技術要落後幾十年。我們(men) 不應該走引進落 後再引進的老路,更何況性價(jia) 比相差兩(liang) 倍以上。#p#分頁標題#e#
我國是在50年代初開始研究和應用電火花加工技術的,主要用於(yu) 模具成型和線切割加工。我國政府在冶金行業(ye) 毛化設備的問題上敢為(wei) 人先,高端進入,拋開電火花毛化設備的跟進研製,直接在武鋼投入“大型CO
2激光毛化設備與(yu) 工藝”國家重點科研項目無疑是正確的導向。
1)電火花毛化機理
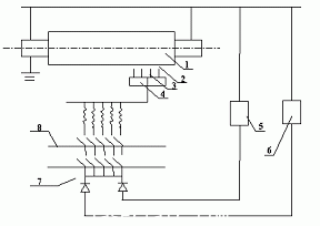
電火花是一種自激放電,其特點是放電前兩(liang) 個(ge) 電極間具有較高的電壓,當兩(liang) 電極接通時,其間隙中的電解液被擊穿後,即發生瞬間的火花放電,伴隨擊穿過程,兩(liang) 電極之間的電阻迅速變小,電壓迅速降低。

圖5
1. 軋輥 2. 電解液
3. 電極 4. 毛化頭
5. 高壓電火 6. 低壓電火
7. 選擇電流 8. 機械脈衝(chong)
如圖5所示:軋輥1被毛化的部分與(yu) 電極3均浸泡在電解液2內(nei) ,其間的間隙距離為(wei) 0.1mm左右,軋輥為(wei) 零線接地作低速旋轉運動,轉速通常為(wei) 8rpm左右, 電極3裝在毛化頭4上作水平直線運動。電回路包括一個(ge) 高電壓回路5和一個(ge) 低電壓回路6。當電解液2被擊穿時,高電壓回路的低電流提供初始脈衝(chong) 。凹坑與(yu) 針狀 尖峰的毛化是低電壓脈衝(chong) 通過電極對軋輥表麵金屬材料產(chan) 生的電火花放電產(chan) 生的。電流的大小是通過選擇一個(ge) 或者多個(ge) 電阻組合完成,其脈衝(chong) 頻率是通過調節振蕩器 的輸出來設定。電流的大小和電火花持續的時間決(jue) 定了軋輥表麵凹坑、尖峰的大小、數量和形狀,(當然在軋輥被毛化的同時,電極也會(hui) 被更快的毛化,屬易損 件)。
由於(yu) 受電火花加工技術本身的限製,不能形成抗擠壓能力很強的丘狀凸台。由於(yu) 針狀尖峰衰減很快,軋輥表麵毛化的形貌保持性較差,初期磨損階段磨損速度很快, 正常期磨損階段耐磨性一般。為(wei) 了延長軋輥的使用壽命許多鋼企采用了電火花毛化加鍍硬鉻工藝,即在電火花毛化的輥麵上機械結合硬度更高的鍍鉻層。但由於(yu) 鍍鉻 會(hui) 產(chan) 生波穀填充影響毛化效果,更重要的是由於(yu) 機械結合在複雜的軋製中易出現鍍鉻層局部脫落,所以舉(ju) 步維艱。圖5所示毛化頭4由一個(ge) 伺服軸和十幾個(ge) 獨立電極 3組成,一台電火花毛化機床一般有幾個(ge) 毛化頭。
2)電火花毛化工藝

轉載請注明出處。







相關文章
熱門資訊
精彩導讀



















關注我們

