采樣時鍾發生器示例
AD783要求一個(ge) 寬度為(wei) 150 ns至250 ns的窄正采樣脈衝(chong) 。為(wei) 使顯示的波形保持穩定,無來回跳動,采樣脈衝(chong) 必須非常穩定,抖動很低。這一要求往往將可能的時鍾選擇限定於(yu) 晶體(ti) 振蕩器。另一個(ge) 要求是采樣速率可以在略低於(yu) 100 kHz到大約500 kHz的範圍內(nei) 進行調整或調諧。為(wei) 使下采樣信號落在聲卡的20 Hz到20 kHz音頻帶寬內(nei) ,采樣頻率間的調諧步進必須較為(wei) 精細。一個(ge) 諸如圖4所示的N分頻電路和一個(ge) 頻率介於(yu) 10 MHz到20 MHz的晶體(ti) 振蕩器(IC4),可以提供從(cong) 80 kHz到350 kHz的多達200種或更多的不同采樣速率,步進大小介於(yu) 300 Hz到5 kHz之間。本例使用兩(liang) 個(ge) 4位二進製升降計數器74HC191,N可以是4到256之間的任意整數。也可以使用74HC190等十進製計數器,其引腳排列與(yu) 74HC191相同,可以提供4到100的N值。分頻比利用兩(liang) 個(ge) 十六進製開關(guan) S1和S2設置。開關(guan) S3設置計數器是遞增還是遞減計數。電阻R1 (250 Ω)和電容C1 (68 pF)給引腳計數輸出增加一個(ge) 很短的延遲,經過該延遲後,引腳計數輸出加載起始計數值。74HC00的四個(ge) NAND門用於(yu) 實現單穩態模式,當R12為(wei) 2.7 kΩ且C2為(wei) 68 pF時,單穩態模式提供200 ns的采樣脈衝(chong) 。

圖4. 采樣時鍾分頻器電路
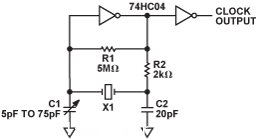
IC4是固定頻率金屬帽殼晶體(ti) 振蕩器。另一種方法是使用CMOS反相器(74HC04)和分立晶體(ti) X1來構成一個(ge) 振蕩器,如圖5所示。這種方法使用的元件雖然多於(yu) 一體(ti) 式金屬帽殼振蕩器,但它支持通過調整電容C1來調節晶體(ti) 頻率,從(cong) 而實現精密的頻率調諧。

圖5. 采用機械調諧方式的分立晶體(ti) 振蕩器
為(wei) 了消除機械可變元件,D1可以使用變容二極管,其電容取決(jue) 於(yu) 電壓,如圖6所示。

圖6. 采用電壓調諧方式的分立晶體(ti) 振蕩器
有源重構濾波器示例
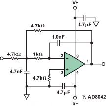
圖7和圖8所示為(wei) 有源濾波器設計,它們(men) 應能很好地代替簡單的無源RC濾波器。圖7顯示的是一個(ge) 二階Sallen-Key濾波器,轉折頻率約為(wei) 39 kHz,使用標準電阻和電容值。雙通道運算放大器AD8042 和AD822 具有低電源電壓和寬擺幅特性,是很好的選擇。該濾波器在通帶內(nei) 的增益為(wei) +1。

圖7. Sallen-Key 39 kHz低通濾波器
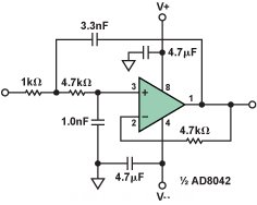
圖8顯示的是一個(ge) 二階多路反饋(MFB)濾波器,轉折頻率約為(wei) 33 kHz,使用標準電阻和電容值。該濾波器的通帶增益為(wei) –1,因此,使用該濾波器時,為(wei) 使顯示的波形右側(ce) 朝上,應選擇示波器軟件上的“反相”按鈕。

圖8. MFB 33 kHz低通濾波器
電路供電
重構濾波器使用的AD783和放大器需要雙電源供電。可以使用6節AA電池,3節提供+4.5 V電源,另外3節提供–4.5 V電源。或者,也可以使用單個(ge) 9 V電池,利用一個(ge) 電阻分壓器來提供作為(wei) 地的中間電源電壓,這將需要由一個(ge) 運算放大器進行緩衝(chong) 才能提供電路所需的地電流。第三種方法是使用一個(ge) 可調線性調節器,產(chan) 生相對於(yu) 電池負極的約4.5 V電壓,用作接地基準。
第四種方法是使用備用PC或筆記本電腦USB端口提供的+5 V電源。–5 V電源可以由DC/DC電壓逆變器產(chan) 生,例如ADI公司的ADM8829—(表貼封裝)。應特別注意避免受到DC/DC電壓逆變器產(chan) 生的開關(guan) 噪聲幹擾。
輸入衰減器
AD783的小信號增益遠高於(yu) 全擺幅帶寬。通過在采樣器之前插入一個(ge) 10:1阻性衰減器以限製最大信號帶寬,可以實現遠超過20 MHz的可用帶寬。多家公司提供成本相對較低的示波器探頭,如Syscomp Electronic Design, Ltd2等(圖9)。下麵是筆者撰寫(xie) 本文時獲得的信息:
Syscomp Electronic Design生產(chan) 的40 MHz帶寬、1×/10×可切換型示波器探頭(P6040),每對價(jia) 格$29.99。

圖9. P6040 1×/10×示波器探頭
HobbyLab3生產(chan) 的20 MHz 10:1版本示波器探頭(GT-P6020),每對價(jia) 格$19.50。
Gabotronics.com4生產(chan) 的100 MHz P2100和60 MHz P2060通用探頭,每種價(jia) 格約$10.00。
使用探頭
圖10、圖11和圖12所示的聲卡5屏幕截圖利用P2100 100 MHz 10×探頭獲取,它可以補償(chang) 10 pF至35 pF範圍內(nei) 的輸入電容。對於(yu) 建議的電路,如果PCB板線路長度盡可能保持最短,那麽(me) 這個(ge) 調整範圍似乎是充足的。采用10×探頭時,輸入看起來像10 MΩ和18 pF,可以支持最高±30 V的輸入電壓。
為(wei) 了展示AD783采樣保持輸入級的性能,首先利用1 kHz平頂方波調整探頭補償(chang) 。屏幕截圖顯示了器件對頻率為(wei) 1 MHz和50 MHz的不同信號的響應。圖10中的兩(liang) 個(ge) 屏幕截圖顯示單通道情況,(a)為(wei) 1 MHz、5 V p-p方波,(b)為(wei) 50 MHz、5 V p-p方波。每種情況下,采樣時鍾均針對大約500 Hz的下采樣信號頻率進行調整,以便消除任何聲卡響應差異。因此,左邊屏幕截圖的有效時間刻度為(wei) 500 ns/分頻比,右圖為(wei) 10 ns/分頻比。聲卡輸入增益設置如下:對於(yu) 1 MHz輸入,示波器軟件報告1.072 V p-p的幅度;對於(yu) 50 MHz輸入,則報告762.2 mV p-p的幅度。0.7622/1.072接近–3 dB。這一測量結果顯示,100 MHz 10×探頭和AD783的組合具有50 MHz的3 dB帶寬。

(a) (b)
圖10. 單通道10×探頭:1 MHz (a)和50 MHz (b) 5 V p-p輸入方波
圖11中,同樣的1 MHz (a)和50 MHz信號(b)被施加於(yu) 兩(liang) 個(ge) 通道。從(cong) 兩(liang) 個(ge) 通道的兩(liang) 幅重疊屏幕截圖可以看出,兩(liang) 個(ge) 通道之間具有良好的增益、失調和延遲匹配。
#p#分頁標題#e#

(a) (b)
圖11. 雙蹤雙通道匹配10×探頭:1 MHz (a)和50 MHz (b) 5 V p-p輸入方波
最後一幅屏幕截圖(圖12)顯示375 kHz、5 V p-p方波(紅色線)和1.5 MHz、42 ns寬5 V p-p脈衝(chong) (綠色線)的情況。水平刻度為(wei) 333 ns/分頻比。AD783采樣器保持完整的5 V擺幅,即便輸入這些較窄的42 ns脈衝(chong) 也是如此。

圖12. 雙蹤雙通道、10×探頭:375 kHz、5 V p-p方波和1.5 MHz、42 ns 5 V p-p脈衝(chong)
參考文獻
1Visual Analyser 是一個(ge) 完整的專(zhuan) 業(ye) 實時軟件包,可以將PC變成一整套測量儀(yi) 器。它使用PC的聲卡,無需新硬件https://www.sillanumsoft.org/。
2Syscomp Electronic Design, Ltd. https://www.syscompdesign.com/Accessories.html.
3HobbyLab https://securedwithssl.com/HobbyLab-us/product/63258ffa-dcc8-4508-8152-d2461d943169.aspx.
4Gabotronics https://www.gabotronics.com/accesories-and-cables/view-all-products.htm.
5基於(yu) PC的聲卡示波器從(cong) 聲卡接收數據,采樣速率為(wei) 44.1 kHz,分辨率為(wei) 16位。此外還提供WaveIO,它是用於(yu) LabView軟件的聲卡接口。 https://www.zeitnitz.de/Christian/scope_en.
作者
Doug Mercer [doug.mercer@analog.com] 在1977至2009年間一直在ADI公司從(cong) 事全職工作,最後14年擔任ADI公司研究員。ADI公司高速轉換器產(chan) 品係列的30多款標準產(chan) 品都有他的貢獻,AD783就是其中一款。自2009年起,他轉而擔任ADI公司的兼職顧問研究員,最近主要是作為(wei) ADI公司與(yu) 倫(lun) 斯勒理工學院的聯絡人,從(cong) 事本科生電氣工程教育推廣和發展方麵的工作。
轉載請注明出處。







相關文章
熱門資訊
精彩導讀



















關注我們

