被業(ye) 界認為(wei) 是第五代WiFi的802.11ac正在呼之欲出,它與(yu) 之前的WiFi標準製式有哪些方麵的不同,為(wei) 什麽(me) 會(hui) 被業(ye) 界如此看好,讓我們(men) 先來了解一下WiFi和WLAN的曆史。
無線局域網(WLAN)推行之初被普遍認可的兩(liang) 個(ge) 國際標準是IEEE802.11a和802.11b。最初設計這些標準的目的是為(wei) 滿足便攜式電腦在家和辦公室環境中可隨意移動的要求。隨後,在一些機場、酒店、咖啡屋和購物廣場也開始允許通過無線接入(商業(ye) 命名為(wei) Wi-Fi),隨時隨地上網、查詢電子郵件等,擴展了無線寬帶的功能。雖然無線寬帶連接的數據速度曾經很有限,例如,802.11a在5 GHz頻段可提供的最高速率是54 Mbps,而 802.11b在2.4 GHz隻有11 Mbps,但這兩(liang) 個(ge) 頻段都是免費的,即不需要授權的。為(wei) 了盡量減少來自其它同頻設備的幹擾,這兩(liang) 個(ge) 標準都采用了擴頻傳(chuan) 輸技術和比較複雜的編碼技術。2003年, IEEE(美國電氣及電子工程師學會(hui) )頒布了802.11g,依舊工作在2.4 GHz頻段,但是數據速率可以達到54 Mbps。與(yu) 此同時,一種新的應用模式即在家庭和小型辦公室裏可連接多個(ge) 設備並在設備間進行數據共享,對無線局域網的數據傳(chuan) 輸速率提出更高要求,從(cong) 而使得一個(ge) 新的研究項目應運而生,這就是於(yu) 2009公布的802.11n的由來。為(wei) 了使單信道的數據速率最高可以超過100 Mbps,在802.11n標準中引入的MIMO (即多輸入-多輸出,或空間數據流)技術,利用物理上完全分離的最多4個(ge) 發射和4個(ge) 接收天線,對不同數據進行不同的調製/解調,來達到傳(chuan) 輸較高的數據容量的目的。
在表1中例舉(ju) 出了當前一些比較超前的應用模式,這些模式需要更高的數據傳(chuan) 輸量來支持“無線辦公”的要求。
表1,新型WLAN應用模式
|
種類 |
使用模式 |
|
無線顯示 |
· 台式機的存儲(chu) 和顯示 · 會(hui) 議室或禮堂電視或投影儀(yi) 連接 · 室內(nei) 遊戲 · 攝像機到顯示器的媒體(ti) 播放 · 專(zhuan) 業(ye) 高清電視播放顯示 |
|
分布式高清電視 |
· 家庭內(nei) 視頻傳(chuan) 播 · 大型運輸設備內(nei) 部應用(如飛機,輪船等) · 辦公室內(nei) 無線網絡 · 遠程醫療 |
|
快速上傳(chuan) 和下載 |
· 快速文件傳(chuan) 輸/同步 · 圖像瀏覽 · 飛機停靠時相關(guan) 數據的傳(chuan) 輸(如旅客名單,油量,餐食等等) · 向移動設備下載電影 · 警用監控數據傳(chuan) 輸 |
|
回程 (Backhaul) |
· 多媒體(ti) 網絡回程傳(chuan) 輸 · 點對點的回程傳(chuan) 輸 |
|
室外廣場或室內(nei) 禮堂 |
· 室外的視頻演示/室內(nei) 禮堂的遠程視頻(遠地視頻)傳(chuan) 輸 · 公共安全網絡 |
|
製造平台 |
· 自動化測試 |
#p#分頁標題#e#
為(wei) 了滿足以上這些需要,IEEE內(nei) 部設立了兩(liang) 個(ge) 項目工作組,以“極高吞吐量(Very High Throughput)”為(wei) 目標進行立項研究。其中一個(ge) 工作組 (Working Group) TGac是以802.11n標準為(wei) 基礎並進行擴展,製定出802.11ac,即在5GHz的頻段上,數據吞吐量目標為(wei) :在單通道鏈路上的最低速率為(wei) 500 Mb/s,最高可達到1Gbps。另一個(ge) 工作組 TGad與(yu) 無線千兆比特聯盟(Wireless Gigabit Alliance)聯合提出802.11ad的標準,即在60GHz的頻段上使用大約2 GHz頻譜帶寬,這一尚未使用的頻段可以在近距離範圍內(nei) 實現高達7 Gbps 的傳(chuan) 輸速率。(60GHz頻率的載波穿透能力差,信號衰減嚴(yan) 重,傳(chuan) 輸距離與(yu) 覆蓋範圍都受到限製)。另外還有與(yu) 現有設備的兼容性,在相同頻段上與(yu) 現有標準的後向兼容都是標準組織“必須”考慮的問題。802.11係列標準的目標之一就是後向兼容,對於(yu) 802.11ac和ad來說主要考慮媒介控製層(MAC)或數據鏈路層與(yu) 之前的標準的兼容性,而不同的隻能是物理層上的特性。 (如圖1)。 對於(yu) WLAN的設備可以支持三種無線製式:一般用途的使用在2.4GHz頻段,但會(hui) 受到同頻幹擾的問題;更穩定和較高速率的應用在5 GHz頻段,使用60GHz頻段用於(yu) 室內(nei) 的超高速率的應用,同時還能支持在這三種製式之間的轉換。這兩(liang) 個(ge) 新的標準目前都有技術草案。802.11ad的標準計劃於(yu) 2012年底完成,而208.11ac於(yu) 2013年底完成。不管怎樣,預計依照這些草案標準而設計的產(chan) 品都會(hui) 先於(yu) 最終標準在市場上出現。
由於(yu) 這兩(liang) 個(ge) 標準分別基於(yu) 5GHz 和60 GHz,將會(hui) 體(ti) 現在物理層的屬性完全不同,所以,本片文章主要是針對802.11ac進行介紹。
802.11ac與(yu) 802.11n的技術區別
802.11ac的物理層是對802.11n標準的延續,而且要滿足後向兼容。下麵我們(men) 來著重探討一下在802.11ac上的變化。表2列出802.11n的物理層的主要特點,表3則列出了在802.11ac上主要擴展的方麵。理論上說802.11n在使用了40MHz帶寬和4個(ge) 空間流可以達到最高600 Mbps的數據速率,盡管目前很多無線設備隻能支持2路空間流。對於(yu) 802.11ac來說,理論上使用160 MHz帶寬,8個(ge) 空間流,MCS9編碼,256QAM調製,最高速率能達到6.93 Gbps。而真正可以使用的數據速率大概是1.56 Gbps。
表2,IEEE802.11n 主要特性
|
特征 |
必選項 |
可選項 |
|
傳(chuan) 輸方式 |
OFDM |
|
|
信道帶寬 |
20 MHz |
40 MHz |
|
FFT 大小 |
64 |
128 |
|
數據子載波/導頻個(ge) 數 |
52/4 |
108/6 |
|
子載波間隔 |
312.5 kHz |
|
|
OFDM符號持續時間 |
4 us (800 ns保護間隔) |
3.6 us (短保護間隔) |
|
調製方式 |
BPSK,QPSK, 16QAM,64QAM |
|
|
前向糾錯編碼 |
二進製卷積編碼(BCC) |
低密度奇偶校驗編碼 (LDPC) |
|
編碼速率 |
1/2, 2/3, 3/4, 5/6 |
|
|
MCS支持 |
0 到7, 0 到15 用於(yu) 接入點 |
8到76, 16 到76用於(yu) 接入點 |
|
空間流和 MIMO |
1,2用於(yu) 接入點 直接映射 |
3或4, 發射波束賦形,時空塊編碼 |
|
運行模式/PPDU 格式 |
HT/non-HT(802.11a/b/g)/ Mixed HT-mixed(802.11a/b/g/n) |
Greenfield/HT-Greenfield(僅(jin) 802.11n) |
#p#分頁標題#e#
表3, IEEE802.11ac 的主要特性(黑體(ti) 字是ac新增加的)
|
特征 |
必選項 |
可選項 |
|
信道帶寬 |
20 MHz, 40 MHz,80 MHz |
160 MHz, 80+80 MHz |
|
FFT 大小 |
64,128, 256 |
512 |
|
數據子載波/導頻個(ge) 數 |
52/4,108/6, 234/8 |
468/16 |
|
調製方式 |
BPSK,QPSK, 16QAM,64QAM |
256QAM |
|
MCS支持 |
0 到7 |
8和9 |
|
空間流和MIMO |
1 |
2 到8 發射波束賦行, 時空編碼,多用戶MIMO (MU-MIMO) |
|
運行模式/PPDU 格式 |
極高吞吐率(VHT) |
|
#p#分頁標題#e#
如圖1.所示,這是在美國地區針對新寬帶信道需求的一個(ge) 頻譜的圖,其中也包括了一個(ge) 80+80MHz的非連續帶寬的模式。主要原因是從(cong) 5490 MHz到5730 MHz的這段頻譜中有一部分已經被氣象雷達占用,為(wei) 了避免相互的幹擾,隻能選用不連續的兩(liang) 個(ge) 80 MHz帶寬組合成160 MHz的帶寬。這兩(liang) 種情況都被列入標準中作為(wei) 可選項。

圖1. IEEE 802.11 ac在美國地區的頻帶分布
802.11ac對於(yu) 20和40 MHz帶寬的定義(yi) 與(yu) 802.11n是一致,即子載波和導頻數和它們(men) 的位置都不變,這也是這兩(liang) 種標準相兼容所必須的條件。對於(yu) 802.11ac標準中新的內(nei) 容,不管是80MHz,160MHz還是80+80 MHz,與(yu) 80 MHz有著同樣的定義(yi) 方法,隻不過後兩(liang) 者考慮是的是2個(ge) 80 MHz信道的載波分配。
從(cong) 幀結構上看,802.11ac的係統能夠探測接入設備的幀結構裏所包含的前導碼(preample)和導頻信號 (pilot),來區分接入設備使用的是何種標準,並自適應,這就是後向兼容。802.11n和802.11ac的幀結構如下圖 (圖2)。
圖2. 802.11n 與(yu) 802.11ac的幀結構的對比
從(cong) 這兩(liang) 個(ge) 幀結構裏可以看到,最前麵的3個(ge) 部分:短碼部分(short training field-STF),長碼部分(long training field-LTF)和信號部分(signal field-SIG) 是用來兼容現有標準的(即802.11a/b/g/n),也就是它們(men) 都有一個(ge) 開頭字母L,代表的Legacy的含義(yi) 。第四個(ge) 部份VHT-SIG-A第一個(ge) 碼字是BPSK調製信號,而第二個(ge) 碼字則旋轉了90°,為(wei) QBPSK,用來區分HT 和VHT模式。在802.11ac中的VHT-STF用來改善在MIMO傳(chuan) 輸中的自動增益控製。緊跟在VHT-STF後麵的是VHT-LTF,即長訓練序列,它為(wei) 接收機提供了在發射天線和接收天線之間進行MIMO預估信道測算的比特。根據空分碼流的總數可以分為(wei) 1,2,4,6 或者8 個(ge) VHT-LTF。在802.11ac中,1, 2 或者4個(ge) VHT-LTF進行直接映射,又增加了6或者8個(ge) VHT-LTF用於(yu) 最大8 個(ge) 空分碼流的應用。VHT-SIG-B描述了所要傳(chuan) 輸的數據長度、調製方式和編碼方式(即MCS)是單個(ge) 用戶還是多用戶的模式。
802.11ac的測試需要
表4中列舉(ju) 了802.11ac標準規範中對發射機和接收機的測試要求,這些要求跟802.11n很類似,並增加了一些針對802.11ac的新的測試項目和規範。這些規範目前還在不斷地完善過程中,要了解最新的802.11ac的規範,請訪問IEEE 的網站, 針對發射機的測試規範請參見章節22.3.19, 針對接收機的規範可參見章節22.3.20. 除此之外,還要考慮通過產(chan) 品設計的功能測試和性能測試,以保證產(chan) 品的性能和互通性等。
表4, 802.11ac的發射機和接收機的測試要求
|
發射機測試 (802.11ac 標準章節22.3.19) |
接收機測試 (802.11ac 標準章節22.3.20) |
|
發射頻譜模板(SEM) |
最小輸入電平敏感度 |
|
頻譜平坦度 (spectral flatness) |
鄰道抑製 |
|
發射中心頻率容差 |
非-鄰道抑製 |
|
發包一致性 |
接收機最大輸入功率 |
|
符號時鍾頻率容差 |
空閑信道檢測(CCA)靈敏度 |
|
調製精度: - 發射機載波泄漏 - 發射機星座誤差 (EVM) |
#p#分頁標題#e#
802.11ac對設計和測量的挑戰
802.11ac的一些新的特性使得測試這些產(chan) 品出現新的挑戰,256QAM技術要求在接收和發射電路中有良好的矢量誤差(EVM),在星座圖測量中要求也更為(wei) 複雜、精確。矢量信號分析設備,安捷倫(lun) 89600 VSA軟件提供了詳細分析802.11 ac信號矢量信號的分析,以便洞察其信號出錯情況,做出更好的調整和更改,同時還支持4x4的MIMO測量。
另一個(ge) 測量挑戰出現在測量數字預失真(DPD),為(wei) 了改善失真,需要產(chan) 生和測量占用帶寬高出3-5倍帶寬範圍內(nei) 的功率放大器的線性特征。安捷倫(lun) SystemVue W1716 DPD Builder軟件能夠提供一個(ge) 自動數字線性失真設計測試應用。該軟件產(chan) 生一個(ge) 激勵波形,下載到信號源,信號源產(chan) 生的信號通過功率放大器後使用信號分析儀(yi) 接受放大後的信號,並將信號解調出來,傳(chuan) 輸給測試電腦,軟件通過對比激勵波形和接收到的波形判斷失真情況,從(cong) 而達到測量和分析功能。如下圖:
圖3. 數字預失真構建的係統配置圖

圖4. 數字預失真的實例
圖4顯示了一個(ge) 802.11ac 80MHz信號經過預失真的實例。綠色波形是發射的激勵信號,藍色波形是沒有經過預失真處理的從(cong) 功放輸出的信號,而紅色波形是經過預失真的結果。
設計和研發中更具挑戰的是如何能產(chan) 生和分析802.11ac這樣更寬的信號。尤其在考慮器件測量、發射機測量和接收機測量時,常常用到80MHz 和160MHz的寬帶信號。
由於(yu) 許多RF信號發生器並不具有足夠高的采樣率,要達到最低2倍過采樣的基本要求,在產(chan) 生80MHz帶寬信號時,由於(yu) 混疊現象會(hui) 在信號上產(chan) 生“鬼影”。然而,采用合適的濾波器和對波形文件進行過采樣這項技術,就能夠產(chan) 生具有良好頻譜特性和EVM的80MHz的信號。使用Agilent N5182A MXG或者E4438C ESG信號發生器就能滿足以上需求。
要產(chan) 生160MHz的信號,則要利用一個(ge) 寬帶的任意波形發射器(AWG),如Agilent 81180A, M8190A, 或者M9330A,利用它們(men) 產(chan) 生模擬的I/Q信號,送到一個(ge) 具有外部I/Q輸入端的矢量信號發生器,如Agilent MXG, ESG 或者E8267D PSG 進行上變頻,然後通過RF頻率發射出來。同樣,利用這種方式也可以產(chan) 生80+80 MHz的信號,即在兩(liang) 個(ge) MXG或ESG裏分別生成兩(liang) 個(ge) 80 MHz的信號,然後在合並在一起成為(wei) 一個(ge) 160MHz帶寬的RF信號。
而對於(yu) 160MHz帶寬的信號分析,則可以使用Agilent 89600 VSA軟件配合Agilent N9030A PXA信號分析儀(yi) ,M9392A PXI微波矢量分析模塊,M9202A PXI Digitizer,或者Agilent 示波器這些硬件前端進行分析。M9392A可以分析的信號帶寬達到250 MHz, 而M9020A可以達到800MHz。 示波器可分析的信號帶寬則更寬,可以達到1GHz以上。這些寬帶分析儀(yi) 能夠滿足數字預失真的測試應用,也就是通常意義(yi) 上要求的測試信號的帶寬是被測信號帶寬的3到5倍。
對於(yu) MIMO設計的測試檢驗也是另一挑戰。MIMO功能性的優(you) 劣取決(jue) 於(yu) 對802.11設備的設計功能要求。多信道信號的產(chan) 生和分析有助於(yu) 更加深入地了解MIMO設備的內(nei) 在性能,並且可以幫助設計工程師進行故障查找和設計檢驗等。
對於(yu) MIMO接收機的測試, Agilent 的SystemVue WLAN 仿真庫和信號波形產(chan) 生軟件(Signal Studio) 都可以產(chan) 生MIMO信號。在硬件平台上,可以同步多台Agilent MXG或者ESG信號源仿真MIMO發射機輸出多通道的信號。信道衰落的作用也可以包含在波形文件裏,進行仿真並提供給接收天線。對於(yu) MIMO發射機的測試,可以使用Agilent的Infiniium 或者Infiniivisiion 示波器配合89600B VSA分析軟件,可以分析多達4個(ge) 信道的MIMO信號,具體(ti) 包括每個(ge) 信道的EVM和IQ測量結果,以及交叉矩陣,如頻率響應和信道特性等。Agilent 還提供了基於(yu) PXI係統的模塊化測試儀(yi) ,包括M9392A PXI微波矢量測試模與(yu) M9202A數字處理模塊和下變頻模塊可以處理分析高達1GHz分析帶寬信號。

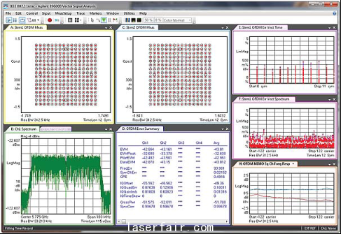
圖5.兩(liang) 個(ge) 信道-MIMO信號的測量結果
圖5顯示的是用Agilent 示波器和VSA軟件測試一個(ge) 2-ch 802.11ac信號的結果。這個(ge) 測試中的被測MIMO信號是用Signal Studio配合兩(liang) 台MXG信號源產(chan) 生的。從(cong) 圖上可以看到兩(liang) 組信號流的EVM和IQ誤差(中下部的圖像)和頻道響應(左下部的圖像)同時顯示的結果。
結束語
隨著無線技術的發展,和人們(men) 對使用無線設備的體(ti) 驗的持續要求,對無線本地網的連接,也提出同樣的要求:更快的速度和更寬的帶寬。滿足這些商業(ye) 需求的同時,也增加對產(chan) 品和保證規範各類產(chan) 品性能及互聯互通的國際標準的複雜性,對測試測量也提出了更高的挑戰。要讓VHT WLAN產(chan) 品在主流市場上取得成功,綜合的考慮設計和測量能力是非常重要的。從(cong) 係統仿真工具,到能夠支持80 和160 MHz信號帶寬和256QAM調製信號的產(chan) 生和分析的測量儀(yi) 器,這些針對器件測量、發射機和接收機測量都非常重要。另外,以生產(chan) 為(wei) 設計指導方向的產(chan) 品戰略將全麵幫助企業(ye) 達到降低測試成本、設計並生產(chan) 出滿足商業(ye) 用戶需求的高性價(jia) 比的產(chan) 品。編輯:邵火
轉載請注明出處。









相關文章
熱門資訊
精彩導讀



















關注我們

