可編程控製器(PLC)是一種數字運算與(yu) 操作的控製裝置。PLC作為(wei) 傳(chuan) 統繼電器的替代產(chan) 品,廣泛應用於(yu) 工業(ye) 控製的各個(ge) 領域。由於(yu) PLC可以用軟件來改變控製過程,並有體(ti) 積小,組裝靈活,編程簡單,抗幹擾能力強及可*性高等特點,特別適用於(yu) 惡劣環境下運行。當利用變頻器構成自動控製係統進行控製時,很多情況下是采用PLC和變頻器相配合使用,例如我廠二催化的自動吹灰係統。PLC可提供控製信號和指令的通斷信號。一個(ge) PLC係統由三部分組成,即中央處理單元、輸入輸出模塊和編程單元。本文介紹變頻器和PLC進行配合時所需注意的事項。
1.開關(guan) 指令信號的輸入
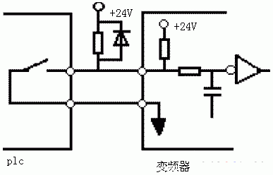
變頻器的輸入信號中包括對運行/停止、正轉/反轉、微動等運行狀態進行操作的開關(guan) 型指令信號。變頻器通常利用繼電器接點或具有繼電器接點開關(guan) 特性的元器件(如晶體(ti) 管)與(yu) PLC)相連,得到運行狀態指令,如圖1所示。 在使用繼電器接點時,常常因為(wei) 接觸不良而帶來誤動作;使用晶體(ti) 管進行連接時,則需考慮晶體(ti) 管本身的電壓、電流容量等因素,保證係統的可*性。在設計變頻器的輸入信號電路時還應該注意,當輸入信號電路連接不當時有時也會(hui) 造成變頻器的誤動作。例如,當輸入信號電路采用繼電器等感性負載時,繼電器開閉產(chan) 生的浪湧電流帶來的噪音有可能引起變頻器的誤動作,應盡量避免。圖2與(yu) 圖3給出了正確與(yu) 錯誤的接線例子。 當輸入開關(guan) 信號進入變頻器時,有時會(hui) 發生外部電源和變頻器控製電源(DC24V)之間的串擾。正確的連接是利用PLC電源,將外部晶體(ti) 管的集電極經過二極管接到PLC。如圖4所示。

圖1 運行信號的連接方式

圖2 變頻器輸入信號接入方式
#p#分頁標題#e#
圖3 輸入信號的錯誤接法

圖4 輸入信號抗幹擾的接法
2.數值信號的輸入
變頻器中也存在一些數值型(如頻率、電壓等)指令信號的輸入,可分為(wei) 數字輸入和模擬輸入兩(liang) 種。數字輸入多采用變頻器麵板上的鍵盤操作和串行接口來給定;模擬輸入則通過接線端子由外部給定,通常通過0~10V/5V的電壓信號或0/4~20mA的電流信號輸入。由於(yu) 接口電路因輸入信號而異,因此必須根據變頻器的輸入阻抗選擇PLC的輸出模塊。 當變頻器和PLC的電壓信號範圍不同時,如變頻器的輸入信號為(wei) 0~10V,而PLC的輸出電壓信號範圍為(wei) 0~5V時;或PLC的一側(ce) 的輸出信號電壓範圍為(wei) 0~10V而變頻器的輸入電壓信號範圍為(wei) 0~5V時,由於(yu) 變頻器和晶體(ti) 管的允許電壓、電流等因素的限製,需用串聯的方式接入限流電阻及分壓方式,以保證進行開閉時不超過PLC和變頻器相應的容量。此外,在連線時還應注意將布線分開,保證主電路一側(ce) 的噪音不傳(chuan) 到控製電路。 通常變頻器也通過接線端子向外部輸出相應的監測模擬信號。電信號的範圍通常為(wei) 0~10V/5V及0/4~20mA電流信號。無論哪種情況,都應注意:PLC一側(ce) 的輸入阻抗的大小要保證電路中電壓和電流不超過電路的允許值,以保證係統的可*性和減少誤差。另外,由於(yu) 這些監測係統的組成互不相同,有不清楚的地方應向廠家谘詢。 另外,在使用PLC進行順序控製時,由於(yu) CPU進行數據處理需要時間,存在一定的時間延遲,故在較精確的控製時應予以考慮。 因為(wei) 變頻器在運行中會(hui) 產(chan) 生較強的電磁幹擾,為(wei) 保證PLC不因為(wei) 變頻器主電路斷路器及開關(guan) 器件等產(chan) 生的噪音而出現故障,將變頻器與(yu) PLC相連接時應該注意以下幾點:
(1)對PLC本身應按規定的接線標準和接地條件進行接地,而且應注意避免和變頻器使用共同的接地線,且在接地時使二者盡可能分開。
(2)當電源條件不太好時,應在PLC的電源模塊及輸入/輸出模塊的電源線上接入噪音濾波器和降低噪音用的變壓器等,另外,若有必要,在變頻器一側(ce) 也應采取相應的措施。
(3)當把變頻器和PLC安裝於(yu) 同一操作櫃中時,應盡可能使與(yu) 變頻器有關(guan) 的電線和與(yu) PLC有關(guan) 的電線分開。
(4)通過使用屏蔽線和雙絞線達到提高噪音幹擾的水平。
3.結束語
PLC和變頻器連接應用時,由於(yu) 二者涉及到用弱電控製強電,因此,應該注意連接時出現的幹擾,避免由於(yu) 幹擾造成變頻器的誤動作,或者由於(yu) 連接不當導致PLC或變頻器的損壞。#p#分頁標題#e#
轉載請注明出處。







相關文章
熱門資訊
精彩導讀

































關注我們

