-
伺服驅動器中電流采樣電路的設計(二)
實驗結果 在本次實驗中,我們(men) 利用ccs軟件將dsp接收到的電流采樣信號在dq坐標中顯示成直觀的波形曲線進行對比分析。 在用新型電流采樣電路設計中,當伺服電機正常工作時,ir2175的輸入為(wei) 正...
2012-11-15 -
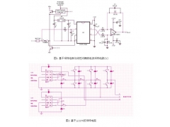
伺服驅動器中電流采樣電路的設計(一)
引言 現如今,交流伺服電機因為(wei) 其優(you) 良的性能,已經在工業(ye) 生產(chan) 中占據了舉(ju) 足輕重的地位,而伺服驅動器作為(wei) 伺服電機的控製係統,其本身的優(you) 劣將直接影響到驅動電機的使用性能。 在伺服驅...
2012-11-15 -
基於VB的伺服驅動器串口通信的實現(二)
vb實現pc機與(yu) indradrive的串行通信 pc機與(yu) indradrive的通信常采用主從(cong) 問答方式,pc機始終具有初始傳(chuan) 送優(you) 先權,所有的通信均由pc機來啟動。每次通信都是由pc機通過發送(讀/寫(xie) 參數)命令啟動通信...
2012-11-15 -
基於VB的伺服驅動器串口通信的實現(一)
伺服驅動器是構成伺服係統的基本部件,廣泛應用於(yu) 各種電力傳(chuan) 動自動控製係統中,如:數控 機床 、柔性製造係統、機器人驅動、火炮隨動係統、雷達控製、艦船推進、車輛驅動、印刷設備、...
2012-11-15 -
工業自動化控製發展方向簡析
工業(ye) 自動化 就是工業(ye) 生產(chan) 中的各種參數為(wei) 控製目的,實現各種過程控製,在整個(ge) 工業(ye) 生產(chan) 中,盡量減少人力的操作,而能充分利用動物以外的能源與(yu) 各種資訊來進行生產(chan) 工作,即稱為(wei) 工業(ye) 自動...
2012-11-15 -
國際工業控製現狀及趨勢簡析
世界 工控 行業(ye) 經過幾十年的大浪淘沙,已形成少數跨國公司規模生產(chan) 、瓜分全球市場的寡頭壟斷局麵。原來的幾百個(ge) 廠商目前隻剩下幾十個(ge) ,最著名者如西門子、ABB、HONEYWELL、三菱、菲尼克斯...
2012-11-13 -
電磁幹擾源及對PLC控製係統的幹擾
影響 PLC 控製係統的幹擾源於(yu) 一般影響 工業(ye) 控製 設備的幹擾源一樣,大都產(chan) 生在電流或電壓劇烈變化的部位,這些電荷劇烈移動的部位就是噪聲源,即幹擾源。 幹擾類型通常按幹擾產(chan) 生的原因...
2012-11-08 -
自動化軟件的未來發展趨勢(二)
5.軟硬件整體(ti) 解決(jue) 方案 家樂(le) 福是大家都很熟悉的一家法國公司,1963年,其第一家超級市場在巴黎郊區開張,30年內(nei) ,家樂(le) 富已發展成為(wei) 一個(ge) 年銷售額290億(yi) 美元、市值約200億(yi) 美元的國際連鎖超市...
2012-11-06
排行榜
編輯推薦
關注我們









