1引言
自1973年第一台射頻(RF)波導激光器問世至今已26年多。最初是將線圈繞在波導上,實現了RF激勵波導激光器的發光。它首次顯示了低電壓激勵的優(you) 越性。那時,還有許多不完善的地方。存在的主要缺點是:放電不均勻,耦合效率差、線圈電感太大,限製RF頻率的提高,隻能在幾MHz以下工作等。
盡管已有26年多的研製、使用曆史,但當前它仍處於(yu) 發展與(yu) 改進階段。其總的研製方向是:降低成本、增長壽命、提高輸出功率和效率、減小體(ti) 積和質量,改進可靠性,提高各項性能指標,以適應各種用途的需要。
RFCO2激光器工作頻率按ISM規定為(wei) 27~40MHz;其主要分類如下所述:
(1)按輸出方式分
1)連續輸出;
2)脈衝(chong) 輸出——調製頻率高達1MHz;
3)Q開關(guan) 輸出——電光調Q與(yu) 聲光調Q。
(2)按諧振腔的工作分
1)波導腔——孔徑D=1~3mm;
2)自由空間腔——孔徑D=4~6mm。
(3)按激勵極性分
1)單相;
2)反相。
(4)按腔體(ti) 結構分
1)單腔;
2)多腔;
(a)折疊腔:V型——2折;Z型——3折;X型——4折。
(b)列陣腔:短肩列陣;交錯列陣。
(c)積木式:並聯—2腔;三角組聯—3腔。
3)大麵積放電
(a)平板型,(b)同心環型。
(5)按均恒電感分布方式分
1)準電感諧振技術—用於(yu) 低電容激光頭;
2)平行分布電感諧振技術—用於(yu) 高電容激光
頭。
(6)按諧振腔材料分
1)陶瓷—金屬混合型;2)全陶瓷型;3)全金屬型。
(7)按冷卻方式分
1)空氣冷卻;2)水冷卻。
(8)按封裝方式分
1)封離型;2)流動型。
諧振腔的材料一般為(wei) :金屬—A1。陶瓷—BeO,BN、AIN、Al2O3等。
2技術條件
用於(yu) CO2激光器的典型工作氣體(ti) 內(nei) 含有:二氧化碳、氮、氦和氙。氮氣和氦氣有利於(yu) 放電的均勻性。氙氣對RF放電激光器的功率和效率具有積極影響。添加5%氙氣可使功率提高24%。
通常單模結構器件,單位長度注入的連續(射頻)激勵功率限於(yu) 2~6W/cm,轉換效率為(wei) 10%~20%,對激光電源的一般要求為(wei) :穩定可靠、維修方便、效率高、尺寸小、成本低。
具體(ti) 技術條件如下:
輸入參數:交流輸入電壓220V;交流輸入電流1.5A;開關(guan) 電源輸出直流電壓30V;開關(guan) 電源輸出電流8A。
RF電源:輸入功率160W;工作頻率40MHz;輸出波形正弦波;帶寬△f±3MHz;效率70%。
調製器:脈衝(chong) 調製頻率0~100kHz方波連續可調;占空比連續可調;幅度調製度100%。
3原理電路
RFCO2激光電源由5部分組成[1],如圖1所示。

圖1 RF CO2激光器電源原理框圖
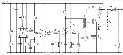
圖1中第1部分為(wei) 整流濾波電路,采用全波橋式整流與(yu) 電容濾波將220V交流變為(wei) 311V平滑直流。第2部分為(wei) 開關(guan) 電源,將311V直流變為(wei) 100kHz脈衝(chong) 電流,再經電容、電感濾波後變為(wei) 30V、8A直流。第3部分包括由振蕩器與(yu) 放大器兩(liang) 部分組成的RF電路(如虛線框內(nei) 所示)。將輸入直流經晶振變為(wei) 40MHz,6W射頻。再經14.28dB增益的放大器,放大後輸出為(wei) 40MHz,160W。第4部分為(wei) 脈衝(chong) 工作的調製器。第5部分為(wei) 匹配網絡。
本文將重點介紹第3部分和第4部分。電路如圖2所示。振蕩器由晶體(ti) 管V2、電感線圈L1、電容器C5、C7、電阻R11、R12、石英晶體(ti) 振蕩器G等組成。晶體(ti) 振蕩電路產(chan) 生6W、40MHz正弦振蕩波,經3:1傳(chuan) 輸線變壓器T,推動推挽功率放大器。推挽功率放大器由晶體(ti) 管V3、V4,電感L3、L2,電阻器R13、R14、R15,電容器C9、C10和變壓器T組成D類電流開關(guan) 推挽放大器,兩(liang) 個(ge) 晶體(ti) 管輪流導通。為(wei) 了追求小型化,提高效率是關(guan) 鍵,因而采用D類電流開關(guan) 推挽放大器是一種必然結果。這一點可由下述工作過程的分析清楚地看出。
當晶體(ti) 管導通時,C極電流的基波分量為(wei) 最大,回路中點電壓也等於(yu) 最大值Umax,在中心點處的電壓平均值等於(yu) 電源電壓。因此(當UCC≈30V時),
由此得出:
Umax=(π/2)(UCC-UCS)+UCS(2)
C極回路兩(liang) 端交流電壓峰值為(wei) :
UCmax=2(Umax-UCS)=π(Ucc-Ucs)(3)
基波分量振幅為(wei) :(2/π)ICC,因而回路產(chan) 生基頻電壓振幅為(wei) :
UCmax=(2/π)ICCR(5)
將(3)式代入(5)式即得:
ICC=πUCmax/2R=(π2/2R)(UCC-UCS)(6)
則輸出功率:
P0=U2Cmax/2R=(π2/2R)(UCC-UCS)2(7)
DC輸出功率:
PDC=ICC.UCC=(π2/2R)(UCC-UCS)UCC(8)
C極耗散功率:
PC=PDC-P0=(π2/2R)(UCC-UCS)UCS(9)
由此得出C極效率:
ηC=P0/PDC=(UCC-UCS)/UCC(10)
可見,晶體(ti) 管飽和壓降UCS越小、效率ηC則越高,若
UCS→0,則ηC→100%,這是D類電流開關(guan) 推挽放大電路的優(you) 點,為(wei) 此設計時應注意盡量選取飽和壓降低的功率晶體(ti) 管。
脈衝(chong) 工作由圖1中第4部分調製器控製。調製器的原理電路見圖2,它以IC1與(yu) IC2為(wei) 主體(ti) ,組成幅度鍵控調製器,屬於(yu) 數字信號調幅的線性調製器[3]。連續工作時,將圖2中S開關(guan) 置於(yu) OFF關(guan) 斷位置。脈衝(chong) 工作時,將S開關(guan) 置於(yu) ON接通位置。脈衝(chong) 調製的工作過程是:利用一個(ge) 矩形脈衝(chong) 序列的基帶信號對振蕩器晶體(ti) 管V2的振蕩幅度進行控製。由控製振蕩電路的起振與(yu) 停振達到調製的目的。由電位器RP4控製調製頻率,由RP7控製脈衝(chong) 寬度。所以,調製頻率與(yu) 調製脈寬皆可作到連續可調。

圖2RF電路原理圖
第5部分是阻抗匹配網絡。負載阻抗匹配的目的是消除不匹配負載的反射。方法是引入電抗性元件(電容、電感或傳(chuan) 輸線)。人為(wei) 地產(chan) 生一個(ge) 或數個(ge) 反射波。使它與(yu) 原來不匹配負載產(chan) 生的反射波相互抵消。使激光器的輸入阻抗與(yu) RF電源的輸出阻抗互為(wei) 共軛複數。匹配網絡一般分為(wei) 兩(liang) 種,一種是集總參數匹配網絡,其主要形式有L型、T型、π型等[3]。這種匹配網絡的主要缺點是:插入耗損大、噪聲大、體(ti) 積大。另一種是分布參數匹配網絡,是1/4波長傳(chuan) 輸線,這就克服了上述集總參數匹配網絡的缺點。它的理論關(guan) 係比較簡單。由傳(chuan) 輸線任一點上的電壓和電流方程即可方便地導出下列1/4波長(或1/4波長奇數倍)阻抗交換方式為(wei) : Z0=(10)
式中Z1——電源輸出的阻抗;
Z2——激光器輸入的阻抗;
Z0——1/4傳(chuan) 輸線的特性阻抗。
1/4傳(chuan) 輸線采用SYV-50-3電纜。它一端接電源,另一端接激光頭。該RF電源如作積木式結構應用,同時可滿足輸出激光30W,60W等激光器的需要。
4結束語
最後是關(guan) 於(yu) 激光頭的準電感諧振技術。為(wei) 了使輸入射頻沿激光器長度,電壓分布均勻,加入一對電感並聯在諧振腔上下電極之間。這樣,由於(yu) 電感負導納的補償(chang) 作用,使激光器沿長度上的駐波比大大下降,失配角小於(yu) 9°,理論計算結果電壓不均勻度小於(yu) 3%。#p#分頁標題#e#
有關(guan) 過流、過壓、過熱保護電路、顯示電路、安全延時電路、自診斷等輔助電路,本文不再一一贅述。
轉載請注明出處。







相關文章
熱門資訊
精彩導讀



















關注我們

