摘要: 設計使用宏晶科技的8 位單片機STC12C5A60S2 作為(wei) 中央控製器, 結合NAND 閃存芯片K9F4008 存儲(chu) 漢字庫的8×128 點陣LED 數字屏, 該點陣LED 數字屏具有存儲(chu) 信息後離線顯示的功能。可應用到多種顯示環境,尤其像汽車等移動工具上的脫機顯示環境。
自上世紀90 年代以來, 隨著LED 顯示技術設計製造水平的不斷提高,LED 數字屏逐漸在生產(chan) 和生活中大量使用,LED 數字屏以其特有的顯示介質, 在大麵積, 全天候, 高亮度和超高亮度顯示屏領域凸現優(you) 勢。LED 顯示技術發展的十幾年中, 新器件和新技術不斷采用, 製造成本逐漸降低, 生產(chan) 分工不斷細化, 但大量應用的同時也暴露出LED 顯示技術的若幹缺陷, 總體(ti) 上技術尚未成熟, 標準尚未完全建立, 有許多方麵值得進行更深入的研究與(yu) 改進。
隨著大規模集成電路的迅猛發展, 微處理器的運算、控製能力大大增加, 單片計算機已在很多工業(ye) 及民用係統中承擔智能化的任務, 與(yu) 迅猛發展的運算速度相比, 其端口擴展能力則遜色得多( 數目有限且擴展困難), 因此研發過程中不得不在節省端口上投入大量精力, 目前國內(nei) 為(wei) 解決(jue) 端口擴展問題可采用軟件處理的方式,這樣加重了軟件編寫(xie) 的難度,或采用擴展端口的專(zhuan) 用芯片。這兩(liang) 種方法將引起軟件成本的提高或硬件電路複雜度的提高,不利於(yu) 一些小型係統的研發,STC12C5A60S2單片機具有多種串行傳(chuan) 輸模式, 在一定程度上解決(jue) 了這個(ge) 矛盾。
LED 數字屏應用非常廣泛, 不僅(jin) 能顯示文字, 還能顯示各種圖形、圖表, 甚至各種動畫效果, 是廣告宣傳(chuan) 、新聞傳(chuan) 播的有力工具。
本文采用STC12C5A60S2 單片機、接口NAND 閃存和上位PC 機,實現了對16×128 點陣LED 數字屏的控製。
1 芯片選型
1.1 屏體(ti)
由於(yu) 屏體(ti) 是商業(ye) 成品, 因此係統芯片的選型首選為(wei) 能與(yu) 屏體(ti) 配合的芯片。屏體(ti) 自備電源, 能直接將蓄電池的能量轉變為(wei) 5 V 的直流電源, 並且這個(ge) 電源也通過屏體(ti) 的接口電纜輸出到係統板上。因此係統可直接引用該電源, 不必自備電源電路。
1.2 單片機
綜合考慮屏體(ti) 和係統需求, 選用國內(nei) 宏晶科技生產(chan) 的單時鍾/機器周期(1T) 的單片機STC12C5A60S2。
STC12C5A60S2 是新一代高速8051 單片機, 其指令代碼完全兼容傳(chuan) 統8051, 但速度快8~12 倍。內(nei) 部集成MAX810 專(zhuan) 用複位電路, 其工作電壓範圍是3.5 V~5.5 V,滿足要求的電壓。由於(yu) 是單周期的8051 ( 傳(chuan) 統8051 是12 周期), 可選擇較易於(yu) 獲得準確波特率的11.059 2 MHz晶振, 而不必擔心工作速度降低。
STC12C5A60S2 有60 KB 的用戶應用程序空間,256 B的RAM 和1024 B 的XRAM.能滿足程序代碼的需求和緩衝(chong) 區定義(yi) 的需求。另有與(yu) 程序存儲(chu) 空間獨立的一片閃存區域, 可在應用編程中作EEPROM 使用。
STC12C5A60S2 有雙UART 以及ISP 串口, 串口資源足夠係統使用。另外通過宏晶科技提供的軟件, 使用UART 可很容易地實現程序下載。STC12C5A60S2 有36個(ge) 通用I/O 口, 大部分可位控, 並具有強推挽輸出的能力, 足夠係統使用。
STC12C5A60S2 有4 個(ge) 16 bit 定時器和一個(ge) 獨立的波特率發生器, 另外還有兩(liang) 個(ge) PCA 模塊, 能獲得豐(feng) 富的定時器資源。STC12C5A60S2 有PDIP-40 封裝的芯片, 易於(yu) 快速進入實驗。
1.3 閃存
因為(wei) 16 ×16 點陣的漢字庫容量在250 KB 左右, 而MCS51 的尋址空間隻有64 KB.接口大於(yu) 64 KB 容量的普通存儲(chu) 芯片就必須進行總線擴展, 采用兩(liang) 次鎖存地址的方法來讀寫(xie) , 既需要複雜的電路, 又占用較長的存取時間。同樣,NOR 閃存與(yu) EPROM 的引腳結構相類似, 有同樣的接口複雜性, 成本也十分高。要實現單片機與(yu) 字庫芯片的簡單接口( 不需擴展) , 隻能選用串行結構的存儲(chu) 器或命令、地址和數據複用總線結構的存儲(chu) 器。
串行結構的存儲(chu) 器多為(wei) EEPROM, 沒有很大的容量, 不適合做字庫芯片。因此隻有選用命令、地址和數據複用總線的NAND 閃存作為(wei) 字庫存儲(chu) 芯片。
字庫所需的容量不大, 但最好能5 V 供電, 且編程的緩存要求較小的芯片。SAMSUNG 公司出品的K9F4008W 是一款512 KB 的NAND 閃存, 僅(jin) 有8 個(ge) IO端口, 且工作電壓範圍較廣(3 V~5.5 V), 可以兼容3 V 和5 V 的硬件係統, 並且幀編程時僅(jin) 需要32 B 的緩衝(chong) , 正適合作為(wei) 字庫存儲(chu) 的芯片。
因此, 閃存芯片的可電擦寫(xie) 特性頁非常適用於(yu) 需要更換字庫的場合。故該芯片是十分理想的漢字庫存儲(chu) 器。
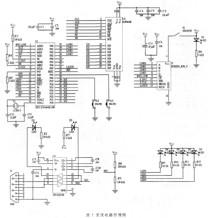
2 電路設計
根據係統整體(ti) 結構設計的電路的原理圖如圖1 所示。

轉載請注明出處。








相關文章
熱門資訊
精彩導讀


















關注我們

