閱讀 | 訂閱
閱讀 | 訂閱
電子加工新聞

半導體激光器穩頻簡介

星之球科技 來源:Newport理波2016-06-21 我要評論(0 )   

簡介窄線寬連續激光器廣泛應用於(yu) 原子、分子以及物理光學領域,在精密測量設備中有著舉(ju) 足輕重的作用。那些並不帶有波長穩頻技術的

 簡介
窄線寬連續激光器廣泛應用於原子、分子以及物理光學領域,在精密測量設備中有著舉足輕重的作用。那些並不帶有波長穩頻技術的激光器,其短時間穩定性不適合很多應用。本文檔將會給您介紹一種簡單而強大的主動穩頻技術,控製並且穩定連續激光的波長,使其成為高精細光學諧振腔。精密光譜學和原子分子操控技術得益於該穩頻技術,並且在過去的幾十年發展迅猛。
 
影響激光器頻率穩定性的因素有很多:溫度變化、機械震動、大氣變化、磁場等等。穩頻的本質是保持諧振腔光程長度的穩定性。
 
下文中我們會介紹如何搭建激光穩頻的閉環控製係統及其特點,和所需要的設備。
 
閉環控製基礎
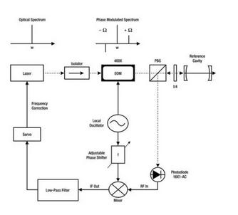
一個基本的反饋控製係統如下圖描述。激光器輸出的一部分光被探測器采集(鑒頻器),輸出誤差信號,伺服控製器分析采樣,並與標準頻率對比,自動調節腔長,將激光頻率恢複到特定的標準頻率上,從而實現穩頻的目的。
 
 
不同的激光器頻率固有噪音以及線寬差異很大,主要依賴於諧振腔的設計,增益介質的特性,以及一些其他參數,比如固體激光器的泵浦源的波動,機械振動等等。在半導體激光器係統中,較大的自發輻射速率也會帶來頻率/相位的噪音。
 
為了探測到激光器的頻率的波動,就需要一個非常穩定的參考頻率做比較。常用的做法是利用一個高精細結構的法布裏—珀羅腔,可以提供一定時間內的穩定性。法布裏—珀羅腔的共振頻率(Vm)取決於腔長L,可以表述為:Vm = m(c/2L)。諧振腔的機械結構隨著時間會有漂移(長時間穩定不會很好),但是可以提供很好的短期穩定性(~秒)。為了將激光器的頻率緊緊地鎖在法布裏—珀羅腔的共振頻率上,必須要能快速的探測到該共振信號,並且具有較高的信噪比SNR。這是反饋係統中最具有挑戰的地方,而且會決定整個係統的性能。
 
PDH實驗圖,EOM是電光調製器,
PBS:偏振分光鏡,1/4:四分之一波片
 
激光器的頻率和參考共振頻率的差異經過鑒頻器會轉化為電壓信號,鑒頻器的轉換效率D的單位為V/Hz。鑒頻器輸出的電壓,或者稱為“誤差信號”,可以有好幾種方法獲得。最好的辦法是用F-P腔的相位特性穩頻(Pound-Drever-Hall,PDH)。首先利用電光調製器對激光做相位調製,在激光載波兩側產生兩個振幅相等,相位相反的邊頻(忽略高階邊頻)。F-P腔完全與入射激光共振時,兩邊頻被F-P腔反射的強度相等,它們與載頻產生拍頻後的信號大小相等,相位相反,故完全抵消,輸出誤差信號為零。如果入射激光與F-P腔不完全共振,兩邊頻被F-P腔反射的強度不等,拍頻後的信號相位相反,但強度不等,故輸出誤差信號不為零。誤差信號經過校正電路輸出到腔長控製器中,從而調節激光器諧振腔。
 
 
PDH穩頻控製中需要使用要求比較苛刻的產品,New Focus可以提供絕大部分,包括相位調製器(New Focus 型號4001或者4003),低噪音光電探測器(型號16x1-AC係列)。
 
小結
上述穩頻方法可應用於New Focus可調諧半導體激光器TLB-7100,TLB-6700,TLB-6800係列。根據上述方法,自己搭建穩頻係統,可以在一定程度上提高頻率穩定性,但是僅僅作為一種穩頻的開始。如果您需要讓激光器達到更優越的性能,那麽您需要考慮更多因素,如更高端的伺服控製係統,更具穩定性的參考諧振腔結構等。

轉載請注明出處。

免責聲明

① 凡本網未注明其他出處的作品,版權均屬於(yu) fun88网页下载,未經本網授權不得轉載、摘編或利用其它方式使用。獲本網授權使用作品的,應在授權範圍內(nei) 使 用,並注明"來源:fun88网页下载”。違反上述聲明者,本網將追究其相關(guan) 責任。
② 凡本網注明其他來源的作品及圖片,均轉載自其它媒體(ti) ,轉載目的在於(yu) 傳(chuan) 遞更多信息,並不代表本媒讚同其觀點和對其真實性負責,版權歸原作者所有,如有侵權請聯係我們(men) 刪除。
③ 任何單位或個(ge) 人認為(wei) 本網內(nei) 容可能涉嫌侵犯其合法權益,請及時向本網提出書(shu) 麵權利通知,並提供身份證明、權屬證明、具體(ti) 鏈接(URL)及詳細侵權情況證明。本網在收到上述法律文件後,將會(hui) 依法盡快移除相關(guan) 涉嫌侵權的內(nei) 容。

網友點評
0相關評論
精彩導讀