鋼結構
對於(yu) 高裝配率的建築而言,鋼結構有著自己天然的優(you) 勢:抗震性能好、節約能源、綠色環保……自2013年起,國家多次從(cong) 政策層麵提出大力發展鋼結構建築的要求。作為(wei) 未來行業(ye) 發展的趨勢,鋼結構建築成為(wei) 眾(zhong) 多施工方的選擇。

鋼結構企業(ye) 生產(chan) 製造麵臨(lin) 諸多挑戰
生產(chan) 管理 :如何實現從(cong) 接單、設計、排產(chan) 、領料、生產(chan) 、入庫到發貨全流程無縫銜接,合理排產(chan) ,提高生產(chan) 效率? 倉(cang) 儲(chu) 管理 :如何科學備料,在支持生產(chan) 流程提速的同時,將庫存產(chan) 品的資金占用降到最低? 質量管理:如何全麵采集和分析質量數據,為(wei) 進一步的質量提升和績效考核提供基礎? 設備管理:如何科學安排維檢修,及時處理故障報修,從(cong) 而提升設備的可用率和投資效率? 客情管理:如何能做到生產(chan) 透明,從(cong) 而隨時可以回答客戶對交期的疑問? 運營優(you) 化:管理人員如何隨時隨地就能獲知全廠運營數據和關(guan) 鍵指標,從(cong) 而隨時調整以達到“交期-成本-質量”的平衡?
維宏鋼結構行業(ye) 智能製造解決(jue) 方案 維宏CNC:豐(feng) 富的板切、管切、折彎、鑽孔功能 WiseCAM:豐(feng) 富的板切、管切套料功能 維宏PLC:易學易用、靈活擴展、支持深度定製 xFactory-MOM:擴展的MES,可對接ERP/CAM/PLC/CNC,滿足企業(ye) 全方位運營管理 xFactory-FMS:柔性產(chan) 線中控低代碼平台,可對接ERP/CAM/MES和現場設備,適合複雜柔性單元/產(chan) 線的控製與(yu) 調度
以信息流驅動工作流和物流,實現生產(chan) 過程的全程透明、可控、可優(you) 化。
維宏CNC:專(zhuan) 業(ye) 激光切割係統,工藝更全麵
維宏股份通過優(you) 化加工工藝,進一步提升鋼結構生產(chan) 效率。
批量加工功能
三卡盤、四卡盤厚管切割

維宏激光管材切割控製係統三卡盤、四卡盤功能可實現高品質鋼結構厚管切割,支持自動上下料加工。
支持多種管材切割 標準管材:方管、圓管、橢圓管、腰型管、角鋼、槽鋼; 異型管:8字管、D型管、半圓、多邊形、H鋼、T字鋼等。
維宏平麵坡口解決(jue) 方案

維宏平麵坡口解決(jue) 方案支持X/Y/K/V等基礎坡口類型,同時對漸變坡口、斜貫坡口等坡口方式也提供專(zhuan) 業(ye) 支持;維宏LS20A平麵坡口係統通過五軸RTCP控製算法,保證不同角度不同噴嘴零件切割的尺寸統一穩定,針對板材變形等離子切割材料利用率低等痛點問題做了針對性的解決(jue) 方案。

隨動補償(chang) …
自動調整不同切割高度的XY加工位置,解決(jue) 坡口傾(qing) 斜狀態下跟隨不準問題。
WiseCAM:配套激光排版軟件,加工更便捷

令導入更加方便快捷:裝配體(ti) 拆分
例 加工需求單 管型:方管 文件:igs或stp文件 產(chan) 品:方管框架.igs或.stp 自行車雨棚
WiseCAM Tube維宏激光管材切割控製係統支持igs、stp文件的導入。用戶可直接將鋼結構裝配體(ti) 導入軟件,軟件自動識別出其中的鋼材零件,無需人工拆數模,方便快捷。
優(you) 化加工方式,助力鋼結構用戶無憂加工
法向自動調整 …
鋼結構在加工時,遇到零件拐角部位容易發生碰撞或者影響加工質量。WiseCAM Tube的法向調整,讓鋼材的加工更加安全可靠。

WiseCAM Tube為(wei) 鋼結構行業(ye) 提供了鋼材自動調整法向功能,軟件可以一鍵推薦最合適的加工法向,無需人工幹預即可輕鬆完成加工。 法向同時也支持手動調整,為(wei) 生產(chan) 企業(ye) 的工藝調試提供最大的自由度。
跨棱微調 …

對於(yu) 鋼結構行業(ye) 中較常用到的工字鋼、C型鋼等WiseCAM提供了跨棱微調功能,操作簡易,降低用戶使用門檻,在跨棱的位置提前偏轉切割角度,另加工更加安全平滑。
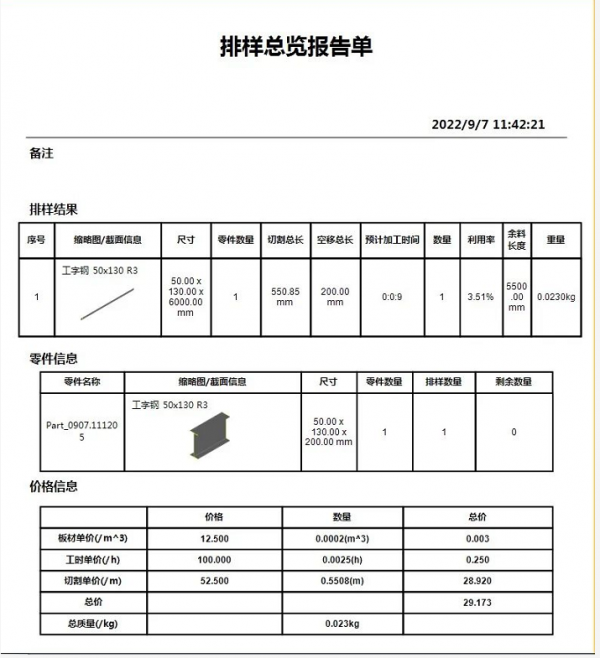
信息量龐大的加工報告單 令生產(chan) 管理井然有序
WiseCAM Tube提供豐(feng) 富的報告數據,包括加工效率數據、材料用量數據、產(chan) 量數據及報價(jia) 數據,為(wei) 各家鋼結構生產(chan) 企業(ye) 提供有力的生產(chan) 管理數據支持。
WiseCAM Tube提供豐(feng) 富的報告數據,包括加工效率數據、材料用量數據、產(chan) 量數據及報價(jia) 數據,為(wei) 各家鋼結構生產(chan) 企業(ye) 提供有力的生產(chan) 管理數據支持。 企業(ye) 利用報告單,可以更加合理地規劃生產(chan) ,合理化運營管理,提高企業(ye) 能效。
xFactory-FMS:柔性製造單元,產(chan) 線的神經中樞
xFactory-FMS柔性產(chan) 線中控低代碼平台,作為(wei) 輕量級智能製造自動化係統,憑借其先進的低代碼控製技術和文件傳(chuan) 輸技術,可有效賦能鋼結構加工產(chan) 線實現柔性化升級。 產(chan) 線中控係統不僅(jin) 滿足離散加工廠的個(ge) 性化生產(chan) 需要,還能極大降低人力成本和運營成本,提高生產(chan) 效率,並從(cong) 整體(ti) 上提升工廠的綜合競爭(zheng) 力。 以配置化+低代碼提供最大的靈活性
提供工序調度算法自定義(yi) ,技術人員采用簡單的腳本即可實現產(chan) 線的調試與(yu) 調整。 提供看板的圖形化編輯,用戶無編程即可根據自身業(ye) 務和管理特點設定個(ge) 性化的產(chan) 線看板。
全麵的設備監控 從(cong) 設備狀態、報警信息,到生產(chan) 狀態和OEE、開機率等關(guan) 鍵效率指標的統計。 自定義(yi) 智能報警,滿足用戶特殊的設備管理需求。
完整的工藝文件和配方管理 工藝文件集中管控。 工藝參數“一鍵切換。
xFactory-MOM:智能製造的關(guan) 鍵,製造運營管理 xFactory-MOM支持多產(chan) 線、多流程、多工藝的並行處理,具備更加豐(feng) 富的管理能力,兼容人工和自動工位。 
支持大屏看板、手機移動辦公、遠程登錄等豐(feng) 富的辦公模式 ,支持雲(yun) 化部署 ,主要應用於(yu) 人/機複合產(chan) 線、車間、全廠。
數字化打造的“透明工廠” 電子工單對接ERP/訂單管理、CAD、CAM等相關(guan) 係統,匯集所有生產(chan) 信息後直達備料、生產(chan) 、質檢各環節。
手機/PDA/pad在線查詢工作指令、在線報工,在線質檢,所有信息實時匯總統計,訂單生產(chan) 進度、人員/設備績效一目了然。
物聯網+信息化打造完備的設備管理
實時采集設備狀態和報警,完整的維檢修計劃管理和工單驅動,保障日常基礎維護。 設備台賬清晰,維檢修履曆可查,加快相似問題的處理速度;更高的設備可用率,有助於(yu) 提升設備投資的使用效率。
信息化倉(cang) 庫,自動齊套 自動化料倉(cang) 和廠內(nei) 物流 可配合掃碼/RFID技術和自動化庫房/貨架,以及AGV/機械手等廠內(nei) 物流 。
倉(cang) 儲(chu) 信息全麵詳實,可管理到每個(ge) 工位/倉(cang) 位,自動校驗生產(chan) 計劃中的物料計劃,在校驗中還可以綜合考慮在製的半成品,進而可能輔助修正排產(chan) 計劃。
無論是提供技術服務亦或進行產(chan) 品研發,維宏始終堅持以客戶為(wei) 中心,充分重視客戶的差異化需求。隨著鋼結構行業(ye) 持續升級,維宏股份攜手行業(ye) 同仁助推鋼結構標準化、通用化、信息化與(yu) 智能建造,促進行業(ye) 精益生產(chan) !
轉載請注明出處。







相關文章
熱門資訊
精彩導讀



















關注我們

