-
開關磁阻電動機的性能及典型應用(二)
3.2 洗衣機 隨著經濟的發展和人們(men) 生活質量的不斷提高,環保、智能型洗衣機的需求量也越來越大,電機作為(wei) 洗衣機的主動力,其性能必須不斷完善。目前國內(nei) 市場上流行的洗衣機主要有兩(liang) 種:...
2012-02-23 -
開關磁阻電動機的性能及典型應用(一)
1 引言 開關(guan) 磁阻電動機 驅動 係統(srd)由開關(guan) 磁阻電機(srm或sr電機)、 功率 變換器、 控製器 和檢測器四個(ge) 部分組成,是20世紀80年代初隨著 電力電子 、 計算機 和控製技術的迅猛發展而發...
2012-02-23 -
采用CNC誤差補償提高加工的精度
銑鏜 加工中心 的加工精度可以通過空間校正和3D補償(chang) 而提高四倍,控製係統對整體(ti) 設備的3D測量數據進行處理並糾正外形誤差。 沒有任何機床設備是完美的,因為(wei) 所有的軸會(hui) 以不同的方式存在...
2012-02-18 -
運動控製係統常用的圖形圖像文件格式簡述(二)
三、 PLT文件 PLT文件源自於(yu) HP繪圖儀(yi) ,在AutoCAD/R14版及CorlDraw軟件中可以見到(需要導出),其實基於(yu) 此類設備的還有EPS的一種矢量格式,即EPS文件,在此不多描述。PLT的操作指令非常豐(feng) 富,不過...
2012-02-18 -
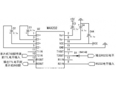
基於單片機的新型步進電機運動控製器(二)
3.2 RS-232通信接口電路設計 在單片機係統的通信中,RS-232和RS-485標準總線應用最為(wei) 成熟。為(wei) 了使運動控製器的適用範圍更加廣泛,配合PC的現有接口,我們(men) 選用RS- 232標準總線來實現控製器和PC的...
2012-02-18 -
用於工業運動控製的ASSP技術(二)
微步進 工業(ye) 工程師應該熟知微步進電機概念,一般大多數集成控製器都為(wei) 設計師提供了分辨率選擇:對於(yu) AMIS-3062x係列,就有1/2、1/4、1/8和1/16步進操作可用。微步進以更低的頻率產(chan) 生更平穩的...
2012-02-18 -
用於工業運動控製的ASSP技術(一)
對於(yu) 很多工業(ye) 應用,從(cong) 簡單的X-Y工作台到複雜的機器人技術以及安全實施,高效的運動控製都非常關(guan) 鍵。多年以來,這些功能中設計驅動和控製電路的方式基本未變。硬件架構一般包括一個(ge) 標...
2012-02-18 -
ASSP加強汽車HVAC的運動控製
高度集成的特定應用標準產(chan) 品(ASSP)作為(wei) 包含分離器件電控單元(ECU)的有益替代產(chan) 品而出現,為(wei) 汽車加熱、通風及空調係統(HVAC)的應用提供風門位置控製。除改進可靠性外,還節省了空間...
2012-02-18
排行榜
編輯推薦
關注我們









