1、RBA係列連續半導體(ti) 激光模塊
CEO的RBA係列連續泵浦模塊是用於(yu) 構造DPSS激光器的理想模塊。靈活的設計可以讓它配合各種長度、各種直徑的晶體(ti) 用在諧振腔和放大器中。連續輸出的功率範圍從(cong) 10W到100W。在行業(ye) 內(nei) 擁有超過十多年的經驗,並且有數千個(ge) 的激光模塊在使用,CEO是業(ye) 界值得信賴的激光模塊廠家。
|
型號 |
棒參數 |
輸出激光功率4 |
工作電壓5 |
驅動電流5 |
|
RBA20-0.33C2 |
2 mm, YAG1 |
10 W |
6 VDC |
0-38A (典型25A) |
|
RBA20-0.66C2 |
2 mm, YAG1 |
20 W |
12 VDC |
0-38A (典型25A) |
|
RBA20-1C2 |
2 mm, YAG1 |
35 W(低階模) |
18 VDC |
0-38A (典型25A) |
|
RBA24-1C2 |
2 mm, YAG2 |
50W(低階模) |
24 VDC |
0-38A (典型25A) |
|
RBA30-1C2 |
3 mm, YAG1 |
50 W |
18 VDC |
0-38A (典型25A) |
|
RBA30-1C2 |
3 mm, YLF1 |
25 W |
18 VDC |
0-32A (典型20A ) |
|
RBA34-1C2 |
3 mm, YAG2 |
75 W |
24 VDC |
0-38A (典型25A) |
|
RBA35-1C2 |
3 mm, YAG3 |
100 W |
30 VDC |
0-38A (典型25A) |
1.棒長度63mm,平端麵,0.6% Nd離子
2.棒長度73mm,平端麵,0.6% Nd離子
3.棒長度83mm,平端麵,0.6% Nd離子
4.1064nm激光,短腔(165 ± 5 mm,全反鏡曲率半徑0.75m,80%輸出鏡,RBA20-0.33C4為(wei) 90%輸出鏡),電流為(wei) 25A。
這是實際工作電壓,電源的輸出電壓應該高30%。
*該係列也有脈衝(chong) 泵浦模塊。
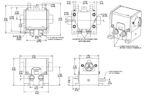
外形尺寸:
RBA20和RBA30係列

RBA35係列
hao
激光輸出特性:
激光功率

小信號增益

熱透鏡效應

冷卻水流量

2、REA係列連續半導體(ti) 激光模塊
|
型號 |
棒直徑 |
輸出激光功率 |
直流電壓 |
驅動電流 |
|
REA4006-1C2H |
4 x 126mm |
140 W |
60 VDC |
0-32A (典型電流25A) |
|
REA5006-1C4H |
5 x 126mm |
250 W |
60 VDC |
0-50A (典型電流40A) |
|
REA6306-1C4H |
6.35 x 126mm |
275 W |
60 VDC |
0-50A (典型電流40A) |
|
REA5008-1C2H |
5 x 146mm |
200 W |
80 VDC |
0-32A (典型電流25A) |
|
REA5008-1C4H |
5 x 146mm |
400 W |
80 VDC |
0-50A (典型電流40A) |
|
REA6308-1C4H |
6.35 x 146mm |
450 W |
80 VDC |
0-50A (典型電流40A) |
|
REA5010-1C4H |
5 x 167mm |
500 W |
100 VDC |
0-50A (典型電流40A) |
|
REA6310-1C4H |
6.35 x 167mm |
550 W |
100 VDC |
0-50A(典型電流(40A) |
|
REA5012-1C4H |
5 x 167mm |
600 W |
120 VDC |
0-50A (典型電流40A) |
|
REA6312-1C4H |
6.35 x 188mm |
650 W |
120 VDC |
0-50A (典型電流40A) |
1.0.6%摻Nd YAG棒。
2.1064 nm 激光,短腔 (280 ± 5 mm,平麵全反鏡,70%輸出鏡),通常電流為(wei) 25A(1C2)或40A(1C4)。
3.最大工作電流32A(1C2)或50A(1C4)。
*該係列也有脈衝(chong) 泵浦模塊。
3、RGA係列連續半導體(ti) 激光模塊
|
型號 |
棒直徑1 |
輸出激光功率2 |
電壓3 |
驅動電流2 |
|
RGA-63 |
6.35 mm |
> 1kW |
340 VDC |
0-32A (典型電流25A) |
1.棒長度195 mm,平麵端麵,0.6% Nd離子。
2.1064 nm 激光,短腔 (400 ± 5 mm,平麵全反鏡,70%輸出鏡)。
3.最大工作電流32A。
*該係列也有脈衝(chong) 泵浦模塊。
4、RBA係列PowerPULSE脈衝(chong) 半導體(ti) 激光模塊
RBA係列PowerPULSE模塊適合於(yu) 輸出單脈衝(chong) 能量達400mJ的脈衝(chong) 激光器,“硬焊接”封裝技術使半導體(ti) 激光的使用壽命更長,可以十分方便地將燈泵激
光器改成半導體(ti) 泵浦激光器,以便獲得更穩定、更可靠的脈衝(chong) 激光器。
|
型號 |
棒 |
輸出能量3 |
工作電壓4 |
峰值電流 |
|
RBA20-2P5 |
2 mm, YAG2 |
> 50 mJ |
36 V |
60A |
|
RBA30-2P5 |
3 mm, YAG2 |
> 60 mJ |
36 V |
60A |
|
RBA35-2P5 |
3 mm, YAG1 |
> 70 mJ |
60 V |
50A |
|
RBA20-2P1 |
2 mm, YAG2 |
> 80 mJ |
36 V |
95A |
|
RBA25-3P5 |
3 mm, YAG1 |
> 100 mJ |
54 V |
35A |
|
RBA30-3P5 |
3 mm, YAG2 |
> 100 mJ |
54 V |
60A |
|
RBA30-2P1 |
3 mm, YAG2 |
> 120 mJ |
36 V |
90A |
|
RBA30-1P200 |
3 mm, YAG2 |
> 175 mJ |
18 V |
175A |
|
RBA30-3P1 |
3 mm, YAG2 |
> 200 mJ |
54 V |
90A |
|
RBA20-3P200 |
2 mm, YAG2 |
> 300 mJ |
54 V |
175A |
|
RBA30-4P200 |
3 mm, YAG2 |
> 400 mJ |
72 V |
170A |
1.棒長度是83 mm,棒端是平平表麵,0.6%摻 Nd離子。
2.棒長度是63 mm,棒端是平平表麵,0.6%摻 Nd離子。
3.輸出能量的工作參數為(wei) :工作頻率100Hz,電流脈衝(chong) 寬度250μs,諧振腔長165mm,全反鏡0.75m曲率半徑,輸出鏡40%透過率。
4.模塊上的工作電壓。
5、REA係列PowerPULSE脈衝(chong) 半導體(ti) 激光模塊
REA係列PowerPULSE模塊適合於(yu) 輸出單脈衝(chong) 能量達1J的脈衝(chong) 激光器,最大激光棒直徑達10mm,所用半導體(ti) 巴條最多達200個(ge) 。
|
型號 |
棒 |
輸出能量3 |
工作電壓4 |
峰值電流 |
|
REA5006-3P5 |
5 mm, YAG1 |
> 300 mJ |
180 V |
60A |
|
REA10008-4P5 |
10 mm, YAG2 |
> 1 J |
320 V |
60A |
1.棒長度是126mm,棒端是平平表麵,0.6%摻Nd離子。
2.棒長度是146 mm,棒端是平平表麵,0.6%摻Nd離子。
3.輸出能量的工作參數為(wei) :工作頻率100Hz,電流脈衝(chong) 寬度250μs,
諧振腔長165mm,全反鏡0.75m曲率半徑,輸出鏡40%透過率。
4.模塊上的工作電壓。
半導體(ti) 激光泵浦模塊型號的含義(yi) :
詳細的型號說明: RBA30-1C2-FA1(50W)
RBA 模塊新型號,用以代替舊型號RB
3 激光棒直徑 (2=2.0 mm, 3 = 3 mm等)
0 表示晶體(ti) 棒的長度,0表示63mm,4表示73mm,5表示83mm
1 每個(ge) ASM中有1個(ge) 巴條 (2表示有2個(ge) 巴條) ,每個(ge) 熱交換單元中有3 個(ge) ASM,總共9個(ge) 20W巴條中共分成3個(ge) 熱交換單元,合計180W的二極管泵浦功率。
C 連續(CW) (脈衝(chong) 模塊則用P表示)
2 使用20W 巴條(4表示使用40W的巴條)
F 激光棒端麵是平的(如果是曲麵,則用C來表示)
A 激光棒摻雜濃度為(wei) 0.6% (一些脈衝(chong) 模塊使用1%摻雜濃度的激光棒,用E來表示)
1 標準溫度測試
不常用的一些模塊型號,如RBA20-0.33C2-FA1 和 RBA20-0.66C2-FA1。
詳細的型號說明: RBA20-0.33C2-FA1 (10W)
RBA 模塊新型號,用以代替舊型號RB
20 激光棒直徑(20=2.0 mm, 30 = 3.0 mm等)
0.33 每個(ge) ASM中有1個(ge) 巴條,每個(ge) 熱交換單元隻有1個(ge) ASM,共有3個(ge) 熱交換單元,總的泵浦功率為(wei) 20W*3=60W
C 連續(CW) (脈衝(chong) 模塊則用P表示)
2 使用20W 巴條(4表示使用40W的巴條)
F 激光棒端麵是平的(如果是曲麵,則用C來表示)
A 激光棒摻雜濃度為(wei) 0.6% (一些脈衝(chong) 模塊使用1%摻雜濃度的激光棒,用E來表示)
1 標準溫度測試
詳細的型號說明: RBA20-0.66C2-FA1(20W)
RBA 模塊新型號,用以代替舊型號RB
20 激光棒直徑(20=2.0 mm, 30 = 3.0 mm等) -
0.66 每個(ge) ASM中有1個(ge) 巴條,每個(ge) 熱交換單元隻有2個(ge) ASM,共有3個(ge) 熱交換單元,總的泵浦功率為(wei) 20W*6=120W
C 連續(CW) (脈衝(chong) 模塊則用P表示)
2 使用20W 巴條(4表示使用40W的巴條)-
F 激光棒端麵是平的(如果是曲麵,則用C來表示)
A 激光棒摻雜濃度為(wei) 0.6% (一些脈衝(chong) 模塊使用1%摻雜濃度的激光棒,用E來表示)
1 標準溫度測試

轉載請注明出處。







相關文章
熱門資訊
精彩導讀



















關注我們

