ID100係列可調光闌

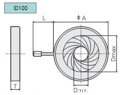
產(chan) 品類型:ID100係列可調光闌 主要特征: ●光闌孔徑在1.2~28mm之間連續可調,孔徑圓滑,外形小巧; ●可單獨使用,也可與(yu) IDF係列光闌座和SP係列接杆聯合使用。 技術指標: 型號 A D MAX. D MIN. T L ID101 20 12 1.2 5 11 ID102 51 28 2 13 13
產(chan) 品描述:

轉載請注明出處。







相關文章
熱門資訊
精彩導讀



















關注我們

