BP103型、BP104型、BP105型

產(chan) 品類型:BP103型、BP104型、BP105型
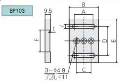
型號 A B C D E 自重(kg) 32 50 25 50 75 0.1 83 100 75 75 100 0.2 BP105 133 150 125 125 150 0.5
產(chan) 品描述:
BP103
BP104

轉載請注明出處。







相關文章
熱門資訊
精彩導讀



















關注我們

