一、數控車床簡介
數控車床又稱為(wei) CNC(Computer numericalcontrol)車床,是一種由程序控製的自動化機床。數控車床主要用於(yu) 加工軸類和回轉體(ti) 零件,能自動完成內(nei) 外圓柱麵、圓弧麵、端麵、螺紋等工序的切削加工,適合於(yu) 加工形狀複雜、精度要求高的軸類或盤類零件。數控車床主要由主機、數控裝置、驅動裝置以及輔助裝置等幾大部分組成。
主機,它是數控車床的主體(ti) ,包括機床身、立柱、主軸、進給機構等機械部件。數控裝置,它是數控車床的核心,包括硬件(印刷電路板、CRT顯示器、鍵盒、紙帶閱讀機等)以及相應的軟件,用於(yu) 輸入數字化的零件程序,並完成輸入信息的存儲(chu) 、數據的變換、插補運算以及實現各種控製功能。驅動裝置,它是數控車床執行機構的驅動部件,包括主軸驅動單元、進給單元、主軸電機及進給電機等。輔助裝置,是指數控車床的一些必要的配套部件,用以保證數控機床的運行,如冷卻、排屑、潤滑、照明、監測等。
二、現場工況
1、主軸電機參數

2、實景圖片

三、工藝要求及變頻器配置
數控車床主軸電機需要變頻器在起停時要快且平穩,電機無尖叫聲,無明顯抖動。轉矩響應要快,穩速精度要高;抗幹擾能力強,同時維修要方便。電機最大轉速要求達到3000r/min,現場速度脈衝(chong) 編碼器安裝在車床主軸上麵,車床主軸和主軸電機之間通過同步皮帶連接,且皮帶輸入輸出帶輪直徑比值為(wei) 1:1。同時,車床主軸要求實現定位控製,當一個(ge) 工件加工好後,車床主軸要回到初始位置,此時,將加工好的工件取下,重新裝上一個(ge) 待加工工件。針對上述工藝要求,我司特選用高性能閉環矢量主軸定位專(zhuan) 用變頻器Goodrive35,功率等級為(wei) 4KW,型號為(wei) GD35-004G-4-A1。
四、調試過程及實際效果
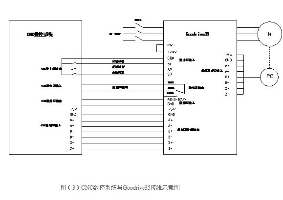
1、現場接線示意圖

2、調試過程及使用效果
(1)編碼器參數及方向設定CNC數控係統、變頻器和速度脈衝(chong) 編碼器之間的連線接好後,然後測試編碼器。設置編碼器線數P20.01,設置P00.00=2,P00.10=20Hz,運行電機,此時電機旋轉為(wei) 20Hz,觀察P18.00的測速值應接近20Hz,如果測速值為(wei) 負,則表明編碼器方向反向了,設置P20.02=1即可,如果測速值偏差較大,則表明P20.01設置錯誤。觀察P18.02Z脈衝(chong) 計數值是否波動,如果波動,表明編碼器有幹擾或者P20.01設置錯誤,檢查接線及屏蔽線是否良好接地。(2)電機參數自學習(xi) 記錄電機銘牌參數,然後設置參數P02.00~P02.05。設置P00.00=1,開環矢量運行模式,並設置參數P00.15=1(旋轉參數自學習(xi) ),同時給運行命令,電機會(hui) 先靜止然後再旋轉到2/3的額定轉速,自學習(xi) 完成後,自動停機,鍵盤顯示-END-,並且將學習(xi) 得到的參數保存在P2組電機參數P02.06~P02.10中。注:進行上述動態自學習(xi) 時需要把電機軸與(yu) 機械負載脫開,而進行靜態自學習(xi) 則不需要脫開機械負載。(3)試運行電機設置P00.00=3,閉環矢量控製模式,同時設置運行指令通道及頻率給定源。調整加減速時間及P3組速度環及電流環PI參數,使之在整個(ge) 範圍內(nei) 運行平穩。(4)端子功能設定參考說明書(shu) P5,P6組輸入輸出端子功能進行端子功能的設定。注:Goodrive35說明文檔由Goodrive300產(chan) 品說明書(shu) 和Goodrive35附加說明書(shu) 共同組成。車床主軸加工工件時,轉速要求設定為(wei) 850r/min,采用閉環矢量控製模式,轉速波動小,穩速精度高。電機無異常噪音,無明顯抖動。當一個(ge) 工件加工完成後,切換到定位模式,主軸可以精準地回到最始位置。Goodrive35主軸定位專(zhuan) 用變頻器在數控車床上的應用,完全可以滿足客戶需求。
3、變頻器典型參數設置序號功能代碼名稱設定值說明

五、結論
之前,數控車床主軸定位功能是由伺服驅動器來完成。采用英威騰主軸定位專(zhuan) 用變頻器Goodrive35替代伺服驅動器後,性能優(you) 良,具有伺服驅動器主軸定位控製的同樣效果,並能大大降低數控車床的成本。
轉載請注明出處。









相關文章
熱門資訊
精彩導讀
























關注我們

