閱讀 | 訂閱
閱讀 | 訂閱
傳感器

新能源汽車市場“風頭正盛”,助力傳感器迎來“第二春”

星之球科技 來源:控製與(yu) 傳(chuan) 動2016-09-05 我要評論(0 )   

當前我國正值新能源汽車大力推廣時期,下遊產(chan) 業(ye) 鏈市場也開始了大規模的擴容。從(cong) 新能源汽車“十三五”發展規劃來看,到2020年我國將建設集中式充電站1.2萬(wan) 座、分布式充電...

當前我國正值新能源汽車大力推廣時期,下遊產業鏈市場也開始了大規模的擴容。從新能源汽車“十三五”發展規劃來看,到2020年我國將建設集中式充電站1.2萬座、分布式充電樁450萬個,滿足500萬輛新能源汽車的發展。根據這個數據估算,到2020年,針對小功率充電模塊大概會有接近200萬個需求,這就使得電量傳感器在充電設備的應用將會達到億元。
 
新能源電動汽車的共性關鍵技術代表了未來汽車能源和動力技術的發展走向。為增強各國在未來能源與交通技術方麵的競爭力,各國都從不同的角度對技術研發進行支持。其除了較高的研發費用外,新能源電動汽車由於用了新的零部件,增加了其生產費用,如新能源電動汽車實用的高能量動力電池目前尚未大批量產業化,生產成本還較高。
 
 
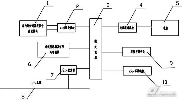
新能源汽車車身智能控製模塊
 
新能源汽車車身智能控製模塊,包括微處理器、A/D轉換模塊,車內外傳感器及信號處理模塊、車速傳感器及信號處理模塊、電機驅動模塊、電機、車窗按鍵開關、LIN收發器及LIN總線以及CAN拓寬模塊。其中車內外傳感器及信號處理模塊通過A/D轉換模塊與微控製器交換信號,所述微處理器對車速傳感器及信號處理模塊、車窗按鍵開關提供的信號進行反饋處理;所述微處理器通過電機驅動模塊對電機進行控製,所述微處理器通過LIN收發器將信號傳遞到LIN總線上。采用LIN作為控製總線,有效節約了成本;可以根據車速及車內外溫差調整車窗升降的速度,避免因驟開驟降導致的車內不穩定。
 
傳感器作為純電動汽車電子控製係統的信息源,是純電動汽車電子控製係統的關鍵部件,也是電動汽車電子技術領域研究的核心內容之一。目前,一輛普通家用轎車上大約安裝近百隻傳感器,而豪華轎車上的傳感器可達二百餘隻。據報道,2000年汽車傳感器的市場為61.7億美元,到2008年市場需求量達到14.87億件。預計到2012年全球汽車傳感器市場將上升到135億美元,全球車用傳感器將以9%左右的增長率持續增長。
 
下麵,中國傳動網編者就為您簡要梳理一些國內外一些新能源汽車中用到的傳感器:
 
萊姆電子:突破測量極限全球首款SO8、GHS隔離傳感器發布
萊姆電子GHS係列產品體積小巧

隨著電力電子技術在新能源裝備及先進製造業等重要領域的應用更加廣泛,作為全球電量傳感器領域的領導者萊姆電子,占據全球傳感器50%的市場份額。除了對光伏、風電的高度關注,當前萊姆也把發展觸角延伸至智能電網、新能源汽車領域等新型產業,並且緊跟市場脈搏,推陳出首款性價比更高、測量精度更準確、功耗更低的SO8封裝、集成原邊導體的GHS係列隔離式電流傳感器。
 
該新品符合最新工業標準,運用開環ASIC技術可精確測量10A到20A的DC/AC脈波電流;采用SO8封裝形式將傳感器固定在PCB電路板上,縮小體積降低成本又節省空間;同時此係列產品簡單易用,並將功耗控製到最小化,實現直流測量和絕緣特性的一致性,從而保證較長的爬電距離和電氣間隙。除此之外,模擬電壓信號輸出功能,使得傳感器的增益誤差和零漂更加優秀,從40mV/A到80mV/A,典型響應時間為5us。
 
諸多優異特性,使得GHS係列隔離式電流傳感器應用領域更加廣泛,非常適用於小功率光伏逆變器、UPS係統、小功率儲能、10KW及其以下充電模塊等領域電流檢測。“與傳統分流器+光耦技術方案的多器件複雜使用相比,單器件GHS係列傳感器功耗更低、發熱小,能夠快速進行隔離測量效率更高。
 
百度:傳感器價格會降下來 無人車將更快走進生活
 
8月17日,百度對矽穀激光雷達廠商VelodyneLiDAR進行了投資,該筆投資還將加速降低傳感器生產成本,大大推進其傳感器在無人車廣泛應用的步伐,加速推動無人車商業化進程。現階段,百度無人車正在通過自主研發、投資並購、開放合作的方式,全力構築新生態。
 
9月1日下午,百度高級副總裁、自動駕駛事業部總經理王勁在2016年百度世界大會無人車論壇上表示,百度能夠在5年內把主要傳感器價格降下來,讓無人車更快走進現實生活。
 
今年以來,百度先後與蕪湖市政府合作建設“全無人駕駛汽車運營區域”、與上海國際汽車城簽約落戶無人車路測項目,與烏鎮旅遊達成戰略,與各政府、組織的合作極大加速了無人車的發展。到2016年7月底,百度自動駕駛技術專利的申請數量439項,包括無人車的智能感知與控製、智能檢測與定位、高精地圖、語音和圖像處理、機器學習、無人車測試等國際領先技術。
 

德國米銥:激光傳感器助力電動汽車
 
德國米銥公司提供的二維激光傳感器,采用非接觸測量方式,可以高速精確測量電池轉3D尺寸,包括電極高度差和厚度等核心尺寸可以被一次性快速掃描獲得。與傳統人工檢測方式相比,有效率高,精度高,反饋迅速,數據穩定可靠等巨大有點,被越來越多的應用到車用電池組的生產和檢測環節。
 
此外,其提供的激光位移傳感器,激光輪廓儀,光譜共焦傳感器,電容和電渦流傳感器,被廣泛地應用到智能裝備檢測的各個環節中。例如,對於智能裝備的顯示屏檢測,通常非常困難,原因是現代顯示屏通常由多層透明物質組成,每層物質的厚度檢測非常困難。德國米銥公司提供的光譜共焦位移傳感器,源於其特殊的測量原理和精湛的製造工藝,可以對不同質地的透明層一次性檢測,獲得多層厚度參數,且不會接觸被測顯示屏,避免檢測過程中的二次損害。其超高的檢測效率,同樣適應現代化大規模生產的需要。
 

比亞迪:電流傳感器
 
比亞迪電流傳感器主力推廣BSY、BSX、BSF、BSL、BST係列,所有產品均已通過CE,SGS,ROHS認證。主要應用在UPS、變頻器、逆變器、電焊機、發電站、是比亞迪公司科研攻關多年,並在其汽車在成功運行測試後才向市場上推出的,質量有絕對的保證。在雙模/純電動汽車領域運用廣泛。
 
優勢

1.產品質量高。真空灌膠、獨家使用無塵車間生產線生產電流傳感器。
 
2.價格競爭力強。
 
3.性能優良。生產BYD電流傳感器的設備都是按照汽車級來要求設計(包括可靠性認證實驗等各種項目)。
 
4.穩定、環保。BYD電流傳感器內部的電路板上的白色的保護膠(防止電路板上的元器件被拉傷)是獨有的。其灌封膠是聚氨酯,有別於其他品牌的環氧樹脂,環保無汙染。
 
5.適應性強。電流傳感器內部的龜槽有層緩鬆膠,可以保證電流傳感器在各種環境下的準確度。無論是供貨還是質量保證,都由比亞迪股份有限公司全權負責!
 
縱觀未來傳感器市場,高性能、多功能化、智能化、集成化將成必然發展趨勢。從應用領域來看,工業、汽車電子、通信電子、消費電子四部分是傳感器最大的市場。國內工業和汽車電子產品領域的傳感器占比約42%左右,而發展最快的是汽車電子和通信電子應用市場。
 
隨著國內外新能源汽車市場的蓬勃發展,傳感器也將迎來“第二春”。

轉載請注明出處。

免責聲明

① 凡本網未注明其他出處的作品,版權均屬於(yu) fun88网页下载,未經本網授權不得轉載、摘編或利用其它方式使用。獲本網授權使用作品的,應在授權範圍內(nei) 使 用,並注明"來源:fun88网页下载”。違反上述聲明者,本網將追究其相關(guan) 責任。
② 凡本網注明其他來源的作品及圖片,均轉載自其它媒體(ti) ,轉載目的在於(yu) 傳(chuan) 遞更多信息,並不代表本媒讚同其觀點和對其真實性負責,版權歸原作者所有,如有侵權請聯係我們(men) 刪除。
③ 任何單位或個(ge) 人認為(wei) 本網內(nei) 容可能涉嫌侵犯其合法權益,請及時向本網提出書(shu) 麵權利通知,並提供身份證明、權屬證明、具體(ti) 鏈接(URL)及詳細侵權情況證明。本網在收到上述法律文件後,將會(hui) 依法盡快移除相關(guan) 涉嫌侵權的內(nei) 容。

網友點評
0相關評論
精彩導讀