nLIGHT的Pearl™高效率光纖耦合半導體(ti) 激光器模塊,80x 或 88x nm 用於(yu) 泵浦釹 (Nd) 基材料,78x 到 79x nm 用於(yu) 泵浦銩 (Tm) 和鈥 (Ho) 基材料,938 nm用於(yu) 泵浦盤式激光器,其它波長從(cong) 639 nm到2050 nm可定製。
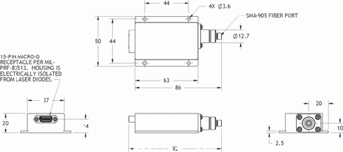
它們(men) 還擁有理想的低數值孔徑 (NA) 的輸出光,是端泵晶體(ti) 棒以實現卓越TEM00模性能的理想選擇,還有600 μm芯徑光纖或平行光輸出配置可選。
|

- 泵浦全固態激光器
- 泵浦盤式激光器
- 牙醫
- 皮膚醫療
- 材料加工
- 照明
- 投影顯示
- 娛樂(le)
|
|
| |
P430-0808 |
P440-0808 |
P450-0808 |
| 光學性能 |
|
|
|
|
| 中心波長 |
nm |
808 |
808 |
808 |
| 中心波長偏差 |
nm |
± 3 |
± 3 |
± 3 |
| 連續輸出功率 |
W |
30 |
40 |
50 |
| 光纖芯徑 |
µm |
400 |
400 |
400 |
| 光束發散角 |
NA1 |
0.18 |
0.18 |
0.18 |
| 光譜寬度 (FWHM) |
nm |
< 3 |
< 3 |
< 3 |
| 斜率效率 |
W / A |
6.2 |
8.2 |
10.3 |
| 電學性能 |
|
|
|
|
| 總轉換效率 |
% |
48 |
48 |
48 |
| 閾值電流 |
A |
1.0 |
1.0 |
1.0 |
| 工作電流 |
A |
5.8 |
5.8 |
5.8 |
| 工作電壓 |
V |
11.0 |
14.5 |
18.2 |
| 串聯電阻 |
Ω |
0.20 |
0.25 |
0.30 |
| 機械性能 |
|
|
|
|
| 存儲(chu) 溫度#p#分頁標題#e#2 |
°C |
-30 - +60 |
-30 - +60 |
-30 - +60 |
| 重量 |
gr |
< 450 |
< 450 |
< 450 |
| 熱學性能 |
|
|
|
|
| 熱阻3 |
°C / W |
0.4 |
0.3 |
0.2 |
| 工作溫度 |
°C |
+15 - +35 |
+15 - +35 |
+15 - +35 |
| 波長溫度係數4 |
nm / °C |
0.28 |
0.28 |
0.28 |

|