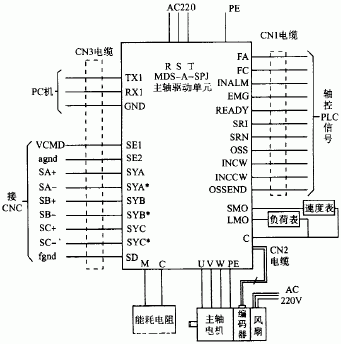
圖3為(wei) 主軸驅動係統的連接電路。MDS-A-SPJA係列主軸驅動器上共有9個(ge) 強電接線端子和3個(ge) 信號電纜插座CN1,CN2,CN3。9個(ge) 強電接線端子分別為(wei) :AC 220V三相電源進線R,S,T,交-直-交變頻主回路的直流側(ce) 能耗製動電阻接線端子C,P,向主軸電機供電的變頻輸出動力線端子U,V,W及屏蔽線接線端子PE。信號電纜CN3用於(yu) 連接CNC係統及PC機,其中SE1,SE2用來接受數控係統的模擬電壓指令(±10V),SYA,SYA,SYB,SYB3,SYC與(yu) SYC3是從(cong) 主軸驅動單元送回CNC的當前速度反饋信號線(6根分為(wei) A,B兩(liang) 相各2根,零脈衝(chong) Z相2根),TX1,RX1,GND則分別為(wei) 串行發送、接收信號線及地線,用於(yu) 連接PC機的串行口,作主軸驅動單元的運行參數、準停參數預設定及主軸狀態監控,正常運行時不必連接。CN2是三菱公司提供的標準電纜,用來傳(chuan) 遞主軸編碼器對主軸驅動單元的速度/位置反饋信號。CN1電纜有40線之多,主要作為(wei) 主軸的軸控PLC信號,被連接於(yu) 數控係統PMC的I/O點,以完成CNC對主軸的狀態監控及動作控製。CN1中有代表性的信號為(wei) :FA,FC,OSSEND,INCW,INCCW,INALM由主軸驅動器發向數控係統的PMC,傳(chuan) 遞主軸驅動器的當前狀態,即FA與(yu) FC接通表示主軸報警,OSSEND指示主軸準停動作已經到位,INCW,INCCW,INALM則指示主軸處於(yu) 正轉、反轉還是報警中;REDAY,SRI,SRN,OSS,EMG則由數控係統的PMC發向主軸驅動器,傳(chuan) 遞CNC對主軸的控製命令,即REDAY為(wei) 就緒信號,SRI為(wei) 正轉命令,SRN為(wei) 反轉命令,OSS為(wei) 準停命令,EMG為(wei) 緊急停止命令。CN1電纜上還有2根線SM0與(yu) LM0,可分別與(yu) 地線G間接入主軸速度表和負載表,用於(yu) 數控機床的麵板顯示。
圖3 主軸驅動係統的連接電路
四、主軸驅動係統的參數整定
三菱MDS-A-SPJA係列主軸驅動單元從(cong) SP001-SP384共有384個(ge) 內(nei) 部參數,這些參數需根據機械傳(chuan) 動情況、電路硬件連接及運行功能要求進行合理調整。實際調試時,有的參數使用初始默認值,有的參數要與(yu) 主軸係統的外部信號接線相配合,還有的參數由主傳(chuan) 動結構及性能要求確定。加工中心主軸調試中使用的典型參數示例如下。
SP001:準停回路增益,使用默認值。
SP004:準停在位寬度,設置為(wei) 1/16。
SP006:準停減速率,使用默認值。
SP007:準停位置數值,如希望主軸定位停於(yu) x°位置,可對應設置SP007=x°/360°×4096。
SP017:主軸電機最高速度,設定為(wei) 6000。
SP019:速度設定值的加/減速時間常數,設定為(wei) 30ms。
SP025:主軸側(ce) 齒輪齒數。
SP029:電機側(ce) 齒輪齒數,SP029與(yu) SP025的比例應按照主傳(chuan) 動實際傳(chuan) 動比設為(wei) 1∶2。
SP039,SP040,S0041:分別指定驅動單元容量、電機型號及能耗製動電阻型號。
SP098,SP099,SP100:分別為(wei) 速度回路增益的P,I,D項。
SP129~SP133:按要求範圍置數,指定驅動單元接受外部輸入信號所使用的輸入線,如通過設置SP129=1,可定義(yi) CN1的第19A引腳作為(wei) 準停命令OSS輸入端。
SP178,SP179:用於(yu) 速度、負載表刻度調整。SP141~SP143:按要求範圍置數,指定驅動單元狀態輸出所使用的輸出線。如通過設置SP141=0,可定義(yi) CN1的第7A引腳作為(wei) 準停完成信號輸出端:通過設置SO142=11,可定義(yi) CN1的第7B引腳作為(wei) 驅動單元就緒的狀態監控輸出端。
還有些機器數需要按位設置,如SP097,該參數按2進製共有16位,從(cong) 第0位到第F位,其中第1位與(yu) 第0位的組合表示準停旋轉方向,置01選擇正方向準停;第3位置1表示準停伺服期間主軸鎖定;第5位選擇編碼器檢測極性,置0;如其餘(yu) 位暫置為(wei) 0,則SP097=0009H。參數整定後的加工中心主軸速度實測曲線如圖4所示。圖4a為(wei) 主軸加速-穩速(至1000r/min)-減速過程的動態速度變化曲線,速度上升時間約為(wei) 0.2s,超調量小於(yu) 0.25%;圖4b為(wei) 主軸從(cong) 1000r/min的穩定速度作定角度停止時的動態速度變化曲線,曲線中間的恒速段為(wei) 位置回路控製速度,標誌著主軸從(cong) 速度控製模式變為(wei) 位置控製模式,主軸在正常運行速度下從(cong) 準停命令發出至準停定位完畢約需要0.5s,過渡過程平穩。主軸靜態性能為(wei) 調速範圍達到3000∶10,無靜差。
圖4 主軸速度實測曲線
實踐證明,參數的合理設定可以發揮係統的智能化調諧能力,實現主軸驅動單元、CNC係統與(yu) 主軸電動機協調運行,使主傳(chuan) 動具有穩定的靜態、動態性能。
五、結束語
我們(men) 在理論計算的指導下,為(wei) 立式、臥式2台加工中心選擇了主軸係統容量,完成了CNC主軸驅動係統之間的信號連接,並根據係統要求分別調整了2台主軸驅動器的內(nei) 部參數,加工中心運行情況證明:主軸係統容量設計合適、信號連接正確、參數配合適當,發揮出了三菱主軸驅動係統的智能化優(you) 勢,整機達到了所預期的機械加工性能要求。
轉載請注明出處。







相關文章
熱門資訊
精彩導讀



















關注我們

