一、共模幹擾
當現場多路信號,如4~20mA、0~10mA、1~5V同時輸入多個(ge) 控製器時,如下圖所示。
對於(yu) 傳(chuan) 感器輸出的電流信號,隻經PLC和變頻器的輸入阻抗之和不大於(yu) 傳(chuan) 感器的輸出負載阻抗即可,壓力傳(chuan) 感器的信號可以同時串入PLC和變頻器,如隻有壓力傳(chuan) 感器信號,則PLC和變頻器也都可以正常接收壓力傳(chuan) 感器的信號。而當液位傳(chuan) 感器的信號也同時接入PLC和變頻器時,因PLC接收信號的-端都在變頻器的+端,當兩(liang) 傳(chuan) 感器的信號電流不一樣時,就有可能使PLC兩(liang) -端的電位有較大的差異,就就形成了共模幹擾電壓。如PLC輸入端又互相不是隔離的,則會(hui) 造成PLC的模擬信號輸入端接收不正常。變頻器的兩(liang) 輸入信號是在PLC的後麵,其-端電位可保持在變頻器內(nei) 部電路設定的狀態,問題不大。

解決(jue) 的辦法如下圖所示,在PLC輸入信號的一端加裝隔離模塊,此時PLC的兩(liang) 個(ge) -端中,由於(yu) 一個(ge) 是處於(yu) 隔離狀態,所以不會(hui) 出現兩(liang) 個(ge) -端一高一低,與(yu) PLC內(nei) 部電路不相適應的現象。

二、變頻器幹擾
由於(yu) 變頻器輸出的正統波中有許多高次諧波,這些諧波分量通過電源線,耦合、感應等方式傳(chuan) 播,嚴(yan) 重時不但會(hui) 造成傳(chuan) 感器或電子設備不能正常工作,還會(hui) 造成變頻器自身出現接地故障不能正常工作。常采取的措施有以下幾項:
變頻器按說明書(shu) 正確可靠接地;
變頻器載波頻率要盡是設低一此,降低諧波輻射強度,減少位移電流;
變頻器輸出側(ce) 安裝輸出電抗器,減少電纜的電磁輻射和位移電流;
與(yu) 變頻器連接的輸入輸出信號用隔離模塊或中間繼電器隔離開;
變頻器電源輸入側(ce) 安裝輸入電抗器,減少變頻器對電網的諧波汙染;
在變頻器的中間直流環節串接直流電抗器提高功率因數。
三、電源幹擾
很多幹擾信號是通過電源線傳(chuan) 播的,對於(yu) 控製線路和控製裝置,其電源可采用1:1的隔離變壓器供電,並將隔離變壓器的屏蔽端可靠抗議地,如下圖所示:

四、傳(chuan) 感器輸出信號的抗幹擾
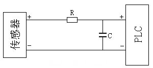
傳(chuan) 感器到PLC(或其它控製器)去的弱電信號,可采用阻容濾波的方法減少幹擾,如下圖所示。

傳(chuan) 感器的輸出信號,不論是電壓還是電流,經過R、C阻容濾波,信號中的高頻幹擾信號被濾掉,輸出信號就平滑了。如傳(chuan) 感器是電壓信號,電阻R可以大一些,1K~幾百K均可,電容C從(cong) 0.1~10uF;如是電流信號,則電阻R及PLC側(ce) 的輸入電阻之和不能大於(yu) 傳(chuan) 感器的最大電阻值,多數情況下R≤500Ω,電容C的值從(cong) 0.1~10uF間。
轉載請注明出處。







相關文章
熱門資訊
精彩導讀



















關注我們

