1.4輔助控製係統結構和原理
整個(ge) 車床控製係統的內(nei) 部結構如上所述,但是任何的機器都會(hui) 有過熱,過渡磨損的情況,車床一旦過渡磨損就會(hui) 降低其加工精度,甚至提前報廢,同樣車床一旦過熱,就會(hui) 燒壞元器件,降低其加工精度,嚴(yan) 重的,也會(hui) 導致其提前退役。為(wei) 了保證車床的正常運轉,減少磨損,延長使用壽命,提高加工精度,普遍的做法是當其過熱時,給它噴灑上冷卻機油,當它過渡磨損時,給它注入潤滑油。這些在車床控製係統中都是由控製器自動控製的,這就是這章的重點:輔助控製係統。
輔助控製係統原理圖如下圖1.4.1所示:

圖1.4.1 輔助控製係統原理圖
輔助控製係統由4個(ge) 部分組成:控製器CNC4320,冷卻液噴頭,針閥滴油油杯,繼電器。
繼電器是這一章中著重介紹的輔助控製係統的重要元器件。繼電器是一種電子控製器件,它具有控製係統和被控製係統,通常應用於(yu) 自動控製電路中,它實際上是用較小的電流去控製較大電流的一種“自動開關(guan) ”。故在電路中起著自動調節、安全保護、轉換電路等作用。
其實物圖如圖1.4.2所示。

圖1.4.2 繼電器前視與(yu) 後視圖
1—常閉觸電 2—接入點 3—常開觸電 4 —電磁鐵電源接線柱
此種電磁式繼電器原理是:它一般由鐵芯、線圈、銜鐵、觸點簧片等組成的。隻要在線圈兩(liang) 端加上一定的電壓,線圈中就會(hui) 流過一定的電流,從(cong) 而產(chan) 生電磁效應,銜鐵就會(hui) 在電磁力吸引的作用下克服返回彈簧的拉力吸向鐵芯,從(cong) 而帶動銜鐵的動觸點與(yu) 靜觸點(常開觸點)吸合。當線圈斷電後,電磁的吸力也隨之消失,銜鐵就會(hui) 在彈簧的反作用力返回原來的位置,使動觸點與(yu) 原來的靜觸點(常閉觸點)吸合。這樣吸合、釋放,從(cong) 而達到了在電路中的導通、切斷的目的。
CNC4320通過繼電器控製冷卻液噴頭/針閥滴油油杯的開與(yu) 關(guan) 自動實現電機的冷卻與(yu) 潤滑。
控製器中有關(guan) 輔助控製係統的指令有1.7 冷卻液控製 M08、M09
指令格式:
M08 或 M8;
M09 或 M9;
指令功能:
M08:冷卻泵開;
M09:冷卻泵關(guan) 。
係統上電後,M09 有效,即 M08 輸出無效。執行 M08,M08 輸出有效,冷卻泵開;執行 M09,取消M08 輸出,冷卻泵關(guan) 。
1.10 潤滑液控製 M32、M33
指令格式:
M32;M33;
指令功能:
M32:潤滑泵開;
M33:潤滑泵關(guan) 。
係統上電後,M33有效,即 M32 輸出無效。執行 M32,M32 輸出有效,潤滑泵開;執行M33,取消M32輸出,潤滑泵關(guan) 。
車床控製係統的整個(ge) 控製係統的電路原理圖如圖1.4.3所示:

圖1.4.3 控製係統的電路原理圖
1.5 指令與(yu) 功能實現
車床控製係統中的控製器CNC4320的界麵如下圖1.5.1所示:

圖1.5.1 CNC4320的界麵
1—鍵盤 2—菜單 3—控製麵板
其機床麵板上麵的按鍵的含義(yi) 如表1.5-a所示:



表1.5-a 機床麵板上麵的按鍵的含義(yi)
下麵是加工舉(ju) 例如下:
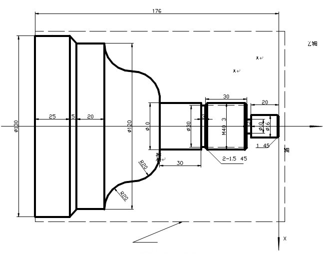
加工下圖1.5.2所示工件,棒料尺寸為(wei) Φ135×178 mm 。

圖1.5.1.1 工件坐標係
用 4 把刀加工,具體(ti) 如下

1.5.1 案例
根據機械加工工藝及本說明書(shu) 的指令解釋,建立圖1.5.1.1 所示的工件坐標係,編輯程序如下:

1.6 結論
ADT-CNC4320兩(liang) 軸運動控製器成功的實現了對於(yu) 車床的高精度控製,性能良好的控製器+性能良好的步進驅動器+性能良好的步進電機使得整個(ge) 係統性能優(you) 良,所以每一個(ge) 部分對於(yu) 係統性能同樣重要。控製器當然對於(yu) 這個(ge) 車床控製係統來說是最為(wei) 重要的,它是係統的核心,穩定性和精度較高的控製器才能滿足現代化生產(chan) 的需要。通過USB接口可以傳(chuan) 輸文件,程序給CNC4320,這樣使得我們(men) 可以在PC機上利用專(zhuan) 門的CAM或者CAD軟件事先編號程序,並且轉化為(wei) NC代碼,然後再傳(chuan) 輸到控製器上運行,也可以在控製器上即興(xing) 編程,比傳(chuan) 統的數控設備方便的多。
ADT-CNC4320運動控製器在生產(chan) 實踐中得到廣泛的應用,經過實踐,該車床係統在很大程度上提高了車床的生產(chan) 效率。
轉載請注明出處。







相關文章
熱門資訊
精彩導讀



















關注我們

