簡介
配有運算放大器和外部增益設置電阻的分立式差動放大器精度一般,並且溫度漂移明顯。采用1%、100ppm/°C標準電阻,最高 2%的初始增益誤差最多會(hui) 改變200 ppm/°C,並且通常用於(yu) 精密增益設置的單片電阻網絡過於(yu) 龐大且成本較高。此外,大多數分立式運算放大器電路的共模抑製都比較差,並且輸入電壓範圍小於(yu) 電源電壓。雖然單片差分放大器的共模抑製比較好,但由於(yu) 片內(nei) 器件與(yu) 外部增益電阻之間本身不匹配,所以單片差分放大器仍存在增益漂移問題。
多功能雙路差動放大器AD8270 (如圖1所示)克服了這些限製,可以在現有尺寸最小的封裝中實現完整的低成本、高性能解決(jue) 方案。每個(ge) 通道包括1個(ge) 低失真放大器和7個(ge) 經調整電阻,可配置用於(yu) 實現具有不同增益的各種高性能放大器。所有精密電阻都是片內(nei) 集成電阻,因此具有出色的電阻匹配和溫度跟蹤特性。AD8270采用5V至36V單電源供電或±2.5V至±18V雙電源供電,每個(ge) 放大器的最大電源電流僅(jin) 為(wei) 2.5mA,可用於(yu) 驅動高性能ADC。
本文介紹兩(liang) 種不使用外部電阻的引腳綁定電路,可實現0.1%增益精度,增益漂移小於(yu) 10 ppm/°C。

圖1. AD8270功能框圖
差分ADC驅動器
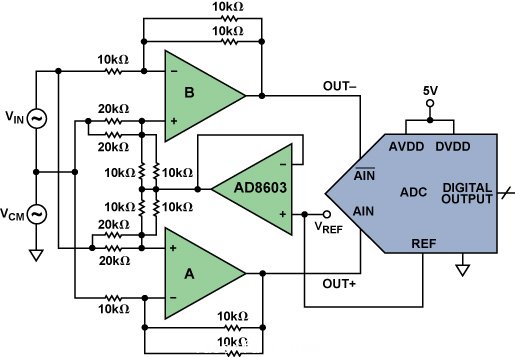
AD8270可配置用於(yu) 提供以所需共模電壓為(wei) 中心的差分輸出, 如圖2所示。放大器A的增益配置為(wei) +½,放大器B的增益配置為(wei) -½,因此組合增益為(wei) :
G = VOUT/VIN = ½ – (–½) = 1.
輸出共模電壓(OUT+ + OUT–)/2等VOCM.
驅動ADC時,所選增益應使信號擺幅接近ADC的滿量程輸入範圍。放大器反相和同相輸入端的阻抗應相等,以消除偏置電流的影響,並使共模抑製達到最大。單位增益跟隨器AD8603將差分放大器的共模輸出電壓設置為(wei) VOCM ,使信號居於(yu) ADC輸入範圍的中心。電路采用雙電源供電時,可將此引腳接地,而采用單電源供電時,可接VS/2,或者(如圖所示),驅動單電源ADC時,接到ADC的參考引腳,從(cong) 而允許以比率式工作。如果VOCM 是低阻抗源,則可去除AD8603。

圖2.差分放大器驅動ADC
增益小於(yu) 1時工作狀況(差分至單端)
要以低輸入範圍驅動ADC,可修改AD8270增益模塊,使其增益小於(yu) 1;示例如圖3所示。

圖3.增益小於(yu) 1的連接
通過引腳綁定配置放大器A的增益為(wei) +½。增益配置為(wei) -½的放大器B再次衰減信號,所以此連接的總增益等於(yu) -0.25。

結論
雙路差動放大器AD8270具有低失調電壓、低失調漂移、低增益誤差、低增益漂移特性以及14個(ge) 集成精密電阻,可以用來實現精確、穩定的放大器。它具有較寬的電源電壓範圍,使其能夠適應較寬的輸入電壓範圍;並且其節省空間型封裝可以減小PCB麵積,簡化布局,降低成本並且提高性能。
轉載請注明出處。







相關文章
熱門資訊
精彩導讀



















關注我們

