數控機床的開發、研製及生產(chan) ,在我們(men) 的生產(chan) 過程中,大量成功地使用了MPC01運動控製卡。在我們(men) 對MPC01運動控製卡進行二次開發的過程中有許多成功的範例,現舉(ju) 一例MPC01係列控製卡在四軸鑽床中的應用。
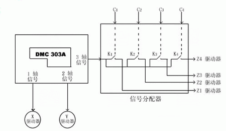
我們(men) 在四軸數控鑽床上采用了MPC01運動控製板卡。這種鑽床的運動有一個(ge) 特殊性:Z向四軸的動作完全同步。為(wei) 了節約成本,同時考慮到這種運動的特殊性,我們(men) 隻用了一塊DMC303A三軸卡來控製六根軸的運動。具體(ti) 方法是:將DMC303A的第1、2軸分配給X、Y方向使用,第3軸的信號通過分頻電路將一路控製信號分配給Z向的四個(ge) 電機,從(cong) 而成功的實現了同時控製六個(ge) 軸的運動。這樣既降低了成本,又實現了Z向四個(ge) 鑽頭動作的完全同步,使機床整體(ti) 性能得到了大幅提高。
其控製過程如下:

當C1有效時,開關(guan) K1閉合,DMC303A的Z向信號經分頻器送到驅動器Z1上,實現對Z1軸的可選擇性控製,依次類推。當C1、C2、C3、C4同時有效時,開關(guan) K1、K2、K3、K4同時閉合,使得Z向四軸能夠同時運動。鑒於(yu) 我們(men) 的四軸數控鑽床Z1、Z2、Z3、Z4工作軸的運動是同步運動或同步靜止兩(liang) 種狀態,所以可以通過C1、C2、C3、C4的預先設置,來實現一路信號控製四個(ge) 軸的運動。無油軸承
通過對MPC01係列運動控製卡的應用,四軸數控鑽床機床性能得到了明顯提高,特別是機床運行中的快速性和平穩性尤其令我們(men) 感到滿意。
轉載請注明出處。







相關文章
熱門資訊
精彩導讀



















關注我們

