1 引言
切紙機械是印刷和包裝行業(ye) 最常用的設備之一。切紙機完成的最基本動作是把待裁切的材料送到指定位置,然後進行裁切。其控製的核心是一個(ge) 單軸定位控製。我公司引進歐洲一家公司的兩(liang) 台切紙設備,其推進定位係統的實現是利用單片機控製的。控製過程是這樣的,當接收編碼器的脈衝(chong) 信號達到設定值後,單片機係統輸出信號,斷開進給電機的接觸器,同時電磁離合製動器的離合分離,刹車起作用以消除推進係統的慣性,從(cong) 而實現精確定位。由於(yu) 設備的單片機控製係統老化,造成定位不準,切紙動作紊亂(luan) ,不能正常生產(chan) 。但此控製係統是早期產(chan) 品,沒有合適配件可替換,隻能采取改造這一途徑。目前國內(nei) 進行切紙設備進給定位係統改造主要有兩(liang) 種方式,一是利用單片機結合變頻器實現,一是利用單片機結合伺服係統實現,不過此兩(liang) 種改造方案成本都在兩(liang) 萬(wan) 元以上。並且單片機係統是由專(zhuan) 業(ye) 開發公司設計,技術保守,一旦出現故障隻能交還原公司維修或更換,維修周期長且成本高,不利於(yu) 改造後設備的維護和使用。我們(men) 結合自己設備的特點提出了新的改造方案,就是用PLC的高速計數器功能結合變頻器的多段速功能實現定位控製,並利用HMI(人機界麵HumanMachineInterface)進行裁切參數設定和完成一些手動動作。
2 改造的可行性分析
現在的大多PLC都具有高速計數器功能,不需增加特殊功能單元就可以處理頻率高達幾十或上百KHz的脈衝(chong) 信號,而切紙機對進給係統的精度和響應速度要求不是很高。可以通過對切紙機進給係統相關(guan) 參數的計算,合理的選用編碼器,讓脈衝(chong) 頻率即能在PLC處理的範圍內(nei) 又可以滿足進給的精度要求。在進給過程中,讓PLC對所接收的脈衝(chong) 數與(yu) 設定數值進行比較,根據比較結果驅動相應的輸出點對變頻器進行輸出頻率的控製,實現接近設定值時進給速度變慢,從(cong) 而減小係統慣性,達到精確定位的目的。另外當今變頻器技術取得了長足的發展,使電機在低速時的轉矩大幅度提升,從(cong) 而也保證了進給定位時低速推進的可行性。
3 主要控製部件的選取
3.1 PLC的選取
設備需要的輸入輸出信號如下:
x0脈衝(chong) 輸入
x1脈衝(chong) 輸入
x2前限位
x3後限位 y3 前進!
x4前減速位 y4 後退
x5電機運轉信號 y5 高速
x6刀上位 y6 中速
x7滑刀保護 y7 低速
x10壓紙器上位 y10
x11光電保護 y11
x12小車後位 y12 進給離合
x13雙手下刀按鈕 y13 壓板下
x14停止按鈕 y14 刀離合
x15連杆保護 y15 電機禁啟動
x16刀回複到位
針對這些必需的輸入點數,選用了FX1s-30MR的PLC,因為(wei) 選用了人機界麵,其它一些手動動作,如前進、後退、換刀等都通過人機界麵實現,不需占用PLC輸入點,從(cong) 而為(wei) 選用低價(jia) 位的FX1s係列PLC成為(wei) 可能,因為(wei) FX1s係列PLC輸入點最多隻有16點。另外此係列PLC的高速計數器具有處理頻率高達60千赫的脈衝(chong) 的能力,足可以滿足切紙機對精度的要求。
3.2 編碼器的選取
編碼器的選取要符合兩(liang) 個(ge) 方麵,一是PLC接收的最高脈衝(chong) 頻率,二是進給的精度。我們(men) 選用的是編碼器分辨率是500P/R(每轉每相輸出500個(ge) 脈衝(chong) )的。通過驗正可以知道此分辨率可以滿足上麵兩(liang) 個(ge) 條件。驗證所需的參數:電機最高轉速是1500轉/分(25轉/秒)、進給絲(si) 杆的導程是10mm/轉。驗證如下:
本係統脈衝(chong) 最高頻率=25轉/秒×500個(ge) /轉×2(A/B兩(liang) 相)=25KHz
理論進給分辨率=10mm/500=0.02mm
同時由上麵的數據知道進給係統每走1mm編碼器發出50(此數據很重要,在PLC程序的數據處理中要用到)個(ge) 脈衝(chong) 信號。由於(yu) 此工程中對編碼器的A/B相脈衝(chong) 進行了分別計數,使用了兩(liang) 個(ge) 高速計數器,且在程序中應用了高速定位指令,則此PLC可處理的最高脈衝(chong) 頻率為(wei) 30千赫,因此滿足了第一個(ge) 條件;我們(men) 的切紙機的載切精度要求是0.2mm,可知理論精度完全滿足此要求。
3.3 變頻器和HMI的選取
這兩(liang) 個(ge) 部件我們(men) 都選用了三菱公司的產(chan) 品,分別是FR-E540-0.75K-CH和F920GOT-BBD-K-C。
4 F920GOT-BBD-K-C的特點:
F920GOT是帶按鍵型的HMI,它的使用和編程非常簡單方便。它具有以下特點:1)可以方便的實現和PLC的數據交換;2)通過本身自帶的6個(ge) 功能按鍵開關(guan) ,可以控製PLC內(nei) 部的軟繼電器,從(cong) 而可以減少PLC輸入點的使用;3)具有兩(liang) 個(ge) 通訊口,一個(ge) RS232C(用於(yu) 和個(ge) 人電腦通訊)和一個(ge) RS422(用於(yu) 和PLC通訊),利用電腦和F920GOT相連後不僅(jin) 可以對HMI進行程序的讀取和上傳(chuan) ,還可以直接對PLC的程序進行上傳(chuan) 下載、調整和監控。
5 PLC和HMI程序的編寫(xie)
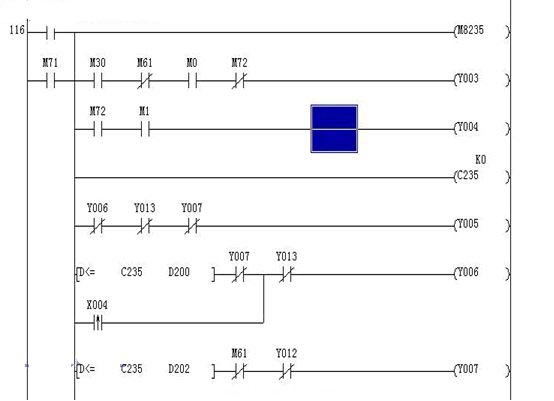
此工程中程序的難點主要在於(yu) 數據的處理上。在切紙機工作過程中除手動讓進給定位機構前進後退外,還要實現等分裁切功能和指定具體(ti) 位置定位功能,並且HMI上還要即時顯示定位機構的當前位置。我們(men) 為(wei) 了簡化程序中的計算,采用了兩(liang) 個(ge) 高速計數器C235和C236。C236通過計算前進後退的脈衝(chong) 數,再進行換算後用於(yu) 顯示進給機構的當前位置;C235用於(yu) 進行精確定位。定位過程是這樣的,每次進給機構需要定位工作時,通過計算把需要的脈衝(chong) 數送到C235,不論進給機構前進還是後退C235進行減計數,同時對C235中的數值進行比較,根據比較結果驅動相應的輸出點對變頻器進行輸出頻率的控製,實現接近設定值時進給速度變慢,從(cong) 而達到精確定位。因為(wei) 任何係統都有慣性和時間上的遲滯,所以變頻器停止輸出的時間並不是C235中的計數值減小到0時,而是讓C235和一個(ge) 數據寄存器D130比較,當C235中的值減小到D130中的設定值時PLC控製變頻器停止輸出。D130的值可通過人機界麵進行修改和設定,在調試時通過修改這個(ge) 值,以達到定位準確的目的。顯示定位機構當前位置的程序見下圖1,

圖1顯示定位機構當前位置程序段
實現定位控製的程序段見下圖2。

圖2定位程序段
還有一個(ge) 問題是參數設定時的小數點位問題,實際工作中在設定位置時要精確到0.1mm。這個(ge) 問題在一些單片機係統中常會(hui) 遇到,常見的處理辦法是加大一個(ge) 數量級,就是設定數據時,在人機界麵上用1代替0.1mm,10代替1mm。不過我們(men) 在處理此問題時通過HMI中對數據的設置和PLC的程序編寫(xie) 達到了所見即所得的效果。HMI中主要是對數值的格式要設定好。HMI中的設置畫麵見下圖。

圖3HMI中數據設置畫麵
比如我要等分裁切10.5mm的紙,就可以在HMI上設定為(wei) 10.5,而不是像我公司其它設備上要設為(wei) 105,但PLC的寄存器D128的內(nei) 容是105而不是10.5,這樣在計算需要的脈衝(chong) 數時就要用下麵一條命令:
MULD128K5D10(此命令中盡管編程時D11不出現但實際上寄存器D11被占用,不能再應用於(yu) 其它地方,否則會(hui) 出現問題。)#p#分頁標題#e#
而不是用:
MULD128K50D10
編程中其它應注意的問題。一是雙線圈問題。本工程中利用條件跳轉和步進指令避免了雙線圈問題。二是誤信號問題。編碼器是一種比較精密的光電產(chan) 品,受振動時不可避免的會(hui) 出現誤信號,而切紙機在執行裁切動作時會(hui) 造成很大振動,如果忽視這個(ge) 現象,定位精度和執行機構當前位置的顯示都會(hui) 不準確。本工程中處理方法參見上麵例子程序圖1,隻有Y3、Y4接通,即隻有進給機構前進和後退時才讓C236進行計數,這樣就屏蔽了裁切時震動造成的誤信號。
6 變頻器的參數設置
此工程中需設定的變頻器的主要參數見下。
參數 號名 稱設定值
0 轉矩提升 8%(低速時電機轉矩不足時可提高此數字)
43 速設定(高速) 30Hz
53 速設定(中速) 10Hz
63 速設定(低速) 2Hz
7 加速時間 0.5s
8 減速時間 0.5s
24 多段速設定(4速)50Hz
79 操作模式 2(隻執行外部操作)
在調試過程中為(wei) 了達到定位速度和精度的完美結合,應對三段速設定值,加減速時間和HMI中D130、D200和D202的數值進行相應調整。
7 結論
通過上述的改造過程,完全恢複了我們(men) 切紙機的功能,試用三個(ge) 月以來運行非常穩定。由這個(ge) 應用實例可以看出結合PLC的高速計數器功能,合理的進行應用,在一定場合可以取代高成本的定位控製係統,實現控製係統最優(you) 的性價(jia) 比。也迎合了我國當前提出的建設節約型社會(hui) 的宗旨。
轉載請注明出處。







相關文章
熱門資訊
精彩導讀



















關注我們

