2.3.2 源型輸入電路
圖3所示的電路也是源型輸入電路的形式,此時,電流的流向正好和漏型的電路相反。源型輸入電路的電流是從(cong) PLC的輸入端流進,而從(cong) 公共端流出,即公共端接外接電源的負極。
如果所有輸入回路的二極管的陰極相連,就構成了共陰極電路,如圖6所示:

圖6 共陰極電路
三菱A係列PLC的AX80/81/82及Q係列的QX80/81的輸入模塊均屬於(yu) 此類輸入電路。
2.3.2 混合型輸入電路
因為(wei) 此類型的PLC 公共端既可以流出電流,也可以流出電流(既PLC公共端既可以接外接電源的正極,也可以接負極),同時具有源輸入電路和漏輸入電路的特點,所以我們(men) 可以姑且把這種輸入電路稱為(wei) 混合型輸入電路。其電路形式如圖7所示。

圖7 混合型電路
作為(wei) 源輸入時,公共端接電源的負極;作為(wei) 漏輸入時,公共端接
電源的正極。這樣,可以根據現場的需要來接線,給接線工作帶來極大的靈活。
三菱A係列PLC的AX50-S1/60-S1/70/71/81-S1及Q係列的QX70/71/72。
這裏需要說明的是,三菱和SIEMENS關(guan) 於(yu) “源輸入”和“漏輸入”電路的劃分正好相反,以上是按三菱的劃分方法來介紹的,這點在使用過程中要注意。
SIEMENS S7-300/400係列PLC的直流輸入模塊大多為(wei) 漏型輸入(公共端接外部電源的負極。注:按SIEMENS的劃分方法)。在S7-300係列PLC中,隻有SM321(-IBH50-)輸入模塊為(wei) 源輸入(公共端接正。注:按SIEMENS的劃分方法),S7-400係列PLC中則沒有源輸入模塊。小型PLC S7-200的輸入模塊則全部為(wei) 混合型輸入形式。在大的項目中不建議使用,因此種輸入形式雖然接線方便,但容易造成電源的混亂(luan) 。
3 外接開關(guan) 量信號和PLC輸入電路的連接
PLC外接的輸入信號,除了像按鈕一些幹節點信號外,現在一些傳(chuan) 感器還提供NPN和PNP集電極開路輸出信號。幹節點和PLC輸入模塊的連接比較簡單,這裏主要不再綴述。而對於(yu) 不同的PLC輸入電路,到底是使用NPN輸入還是PNP輸入有時感到無所適從(cong) 。下麵主要介紹一下這兩(liang) 種輸入和PLC輸入電路的連接。
3.1 NPN和PNP輸出電路的形式
如圖8和圖9所示,分別是NPN和PNP輸出電路的一種形式。

圖8 NPN集電極開路輸出 圖9 PNP集電極開路輸出
從(cong) 圖8和圖9可以看出,NPN集電極開路輸出電路的輸出OUT端通過開關(guan) 管和0V連接,當傳(chuan) 感器動作時,開關(guan) 管飽和導通,OUT端和0V相通,輸出0V低電平信號;PNP集電極開路輸出電路的輸出OUT端通過開關(guan) 管和+V連接,當傳(chuan) 感器動作時,開關(guan) 管飽和導通,OUT端和+V相通,輸出+V高電平信號。
3.2 NPN和PNP輸出電路和PLC輸入模塊的連接
3.2.1 NPN集電極開路輸出
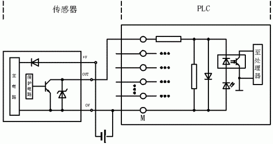
由以上分析可知,NPN集電極開路輸出為(wei) 0V,當輸出OUT端和PLC輸入相連時,電流從(cong) PLC的輸入端流出,從(cong) PLC的公共端流入,此即為(wei) PLC的漏型電路的形式,即:NPN集電極開路輸出隻能接漏型或混合式輸入電路形式的PLC,連接圖如圖10所示:

圖10 NPN集電極開路輸出和PLC的連接
3.2.2 PNP集電極開路輸出
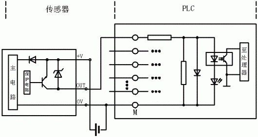
PNP集電極開路輸出為(wei) +V高電平,當輸出OUT端和PLC輸入相連時,電流從(cong) PLC的輸入端流入,從(cong) PLC的公共端流出,此即為(wei) PLC的源型電路的形式,即:PNP集電極開路輸出隻能接源型或混合型輸入電路形式的PLC,連接圖如圖11所示:

圖11 PNP集電極開路輸出和PLC的連接
4 結束語
正是由於(yu) PLC輸入模塊電路形式和外接傳(chuan) 感器輸出信號的多樣性,我們(men) 在PLC輸入模塊接線前要充分了解PLC輸入電路的類型和傳(chuan) 感器輸出信號的形式,隻有這樣,才能確保PLC輸入模塊接線正確無誤,為(wei) 後續的PLC編程和調試工作打下一個(ge) 良好的基礎。
轉載請注明出處。







相關文章
熱門資訊
精彩導讀



















關注我們

