1 總體(ti) 設計
主節點采用ARM7內(nei) 核的LPC2294微控製器,使用RTL8019AS作為(wei) 以太網控製器,軟件上采用具有網絡功能強、性能穩定、移植性好的μCLi nux作為(wei) 操作係統。基於(yu) CAN總線的運動控製係統,主要由1個(ge) 主節點(主控製器節點)、若幹個(ge) 從(cong) 節點(電機控製節點)以及1台計算機構成,主節點與(yu) 從(cong) 節點之間通過CAN總線進行通信,主節點與(yu) 計算機之間則通過以太網進行通信,如圖1所示。

圖1 運動係統控製結構
主節點主要功能包括:1)通過CAN總線發送電機控製信息給從(cong) 節點,並接收各從(cong) 節點的反饋信息:2)通過以太網與(yu) 計算機監控端進行通信,以實現遠程監控。
1.1 整體(ti) 硬件設計
主節點整體(ti) 硬件結構如圖2所示。

圖2 硬件結構
主節點采用的LPC2294基於(yu) ARM7TDMI內(nei) 核的32位處理器,帶有256kB高速FLASH、16kB靜態RAM,內(nei) 部集成4路CAN控製器,支持SRAM、FALSH擴展。由於(yu) LPC2294內(nei) 部集成CAN,因此外部隻需CAN收發器與(yu) 之連接。CAN收發器選用周立功的CTMl050T.CTM1050T是一款帶隔離的高速CAN收發器,主要功能是將CAN控製器的邏輯電平轉換為(wei) CAN總線的差分電平,並具有隔離功能(DC2500 V)、ESD保護功能及TVS管防總線過壓功能。 LPC2294具有外部存儲(chu) 器控製器(EMC),通過該部件可以擴展更多的FLASH和SRAM以及以太網、USB等外設。主節點采用RTL8019AS作為(wei) 以太網控製器,分別使用MT45W4MW16、SST39VF1601、K9F2G08UOA進行SRAM、NORFLASH、NANDFLASH的擴展。
1.2 軟件結構
主節點軟件結構如圖3所示,U-Boot作為(wei) BootLoader(啟動引導程序),負責初始化目標板硬件與(yu) 引導操作係統。這裏采用μCLinux作為(wei) 嵌入式操作係統。μCLinux(microcontrol linux)即“微控製器領域中的Linux係統”,主要是針對目標處理器沒有存儲(chu) 管理單元(MMU)的嵌入式係統而設計的。它保留了Linux的大多數優(you) 點:穩定、良好的移植性、優(you) 秀的網絡功能、對各種文件係統完備的支持和標準豐(feng) 富的API.同時μCLinux包含大量的設備驅動程序,以及提供良好的驅動程序開發框架。驅動程序開發或配置主要包括CAN、以太網以及NANDFLASH3大部分。上層應用程序通過使用CAN接口函數、Socket接口以及庫函數進行各種應用開發。整個(ge) 係統的啟動過程是:U-Boot把μCLinux內(nei) 核從(cong) NORFLASH中加載到SRAM中,然後啟動μCLinux,μCLinux初始化硬件及建立運行環境後,自動運行預設的應用程序。

圖3 軟件結構
2 硬件設計
2.1 LPC2294最小係統
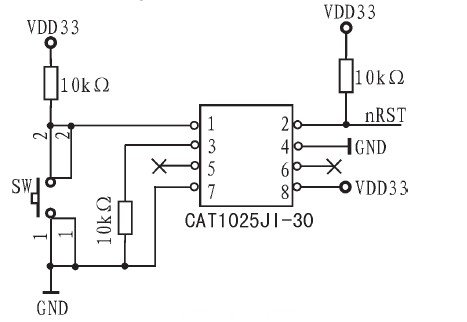
LPC2294采用LQFP144封裝,最小係統需要模擬和數字3.3 V電源以及核心電源1.8 V.為(wei) 了便於(yu) 串口波特率的設置,外部接11.0 592 MHz晶振。P2.26(BOOT0)通過10 kΩ電阻上拉,P2.27(BOOT1)接一跳線座,通過跳線讓P2.27可選擇接高電平或低電平以選擇從(cong) 內(nei) 部FLASH或外部NORFLASH啟動。由CAT1025構成手動複位監控電路,提高了係統的可靠性。當SW按鍵按下時,CAT1025的2引腳輸出持續為(wei) 大於(yu) 150 ms的低電平,LPC2294複位。在CAT1025的2引腳通過10 kΩ電阻上拉,防止產(chan) 生錯誤的引腳輸出狀態,複位電路如圖4所示。

圖4 複位電路圖
2.2 SRAM和NORFLASH電路
為(wei) 了運行μCLinux操作係統,必須擴展係統RAM與(yu) FLASH.LPC2294具有外部存儲(chu) 器控製器(EMC),該部件可同時支持多達4個(ge) 單獨配置的存儲(chu) 器組。每個(ge) 存儲(chu) 器組都支持SRAM、ROM、Flash EPROM、Burst ROM以及外部I/O設備。主節點外部存儲(chu) 器地址分配情況如表1.
表1 主節點外部存儲(chu) 器地址分配情況

主節點采用的SRAM和NORFLASH分別是MT45W4MW16、SST39VF1601.MT45W4MW16是一個(ge) 16位、8 MB容量的PSRAM.SST39VF1601是一個(ge) 16位的CMOS多功能Flash MPF器件,儲(chu) 存容量為(wei) 2 MB.其電路連接如圖5、圖6所示。

圖5 SRAM電路連接圖

圖6 NORFLASH電路連接圖
2.3 NANDFLASH電路
NANDFLASH用作存放μCLinux的根文件係統和應用程序,使用Jff2文件係統格式。NANDFLASH采用三星公司的K9F2G08UOA,存儲(chu) 容量為(wei) 256 M.NANDFLASH的數據接口為(wei) 8位串行接口,使用nCS2作為(wei) 片選線,地址區間使用0x8200 0000-0x82FF FFFF,CLE(指令使能)和ALE(地址使能)分別連接到地址總線A2和A3,因此NANDFLASH的數據寫(xie) 入地址為(wei) 0x82000000,命令寫(xie) 入地址為(wei) 0x82000004,地址寫(xie) 入地址為(wei) 0x82000008.R/B(準備/忙等待)連接到P1.18,用於(yu) 讀取當前狀態,此引腳須上拉。其電路連接如圖7所示。

圖7 NANDFLASH電路連接圖
2.4 CAN接口電路
LPC2294內(nei) 部集成了4路CAN控製器。每個(ge) 總線上的數據傳(chuan) 輸速率高達1 Mb/s,兼容CAN2.0B.LPC2294沒有集成CAN收發器,無法將TTL電平轉換為(wei) CAN總線的差分電平信號。因此主節點采用了帶有隔離功能的CTM1050T作為(wei) CAN收發器。在CAN總線兩(liang) 端須連接120Ω的電阻,以匹配總線阻抗,提高數據通信的抗幹擾性及可靠性。以下是1路CAN收發器的電路圖,其餘(yu) 3路連接方式與(yu) 此一樣。

圖8 CAN收發器電路圖
2.5 以太網電路
主節點采用RTL8019AS作為(wei) 以太網控製器。RTL8019AS是一種全雙工即插即用的以太網控製器,已集成了RTL8019內(nei) 核和一個(ge) 16 kB的SDR AM存儲(chu) 器。它兼容RTL8019控製軟件和NE2000 8 bit或16 bit的傳(chuan) 輸。網絡接口采用帶網絡#p#分頁標題#e#變壓器的HR901170A.RTL8019AS使用的片選線為(wei) nCS3,地址範圍為(wei) 0x8300 0000-0x83FF FFFF,由於(yu) 隻有256 B的寄存器,因此可操作地址範圍為(wei) 0x8300 0000-0x8300 00FF.RTL8019AS使用20M晶振。
3 軟件設計
3.1 U-Boot移植
U-Boot(Universal Boot Loader)是遵循GPL條款的開放源碼項目。從(cong) FADSROM、8xxROM、PPCBOOT逐步發展演化而來,支持多種嵌入式操作係統內(nei) 核與(yu) 微處理器係列。U-Boot的啟動過程:初始化目標板硬件。給嵌入式操作係統提供板上硬件資源信息,加載、引導嵌入式操作係統。主節點使用U-Boot-2009-01,它不僅(jin) 支持ARM-720T內(nei) 核,而且間接提供了對LPC2294的板級支持。U-Boot的移植過程:首先通過修改star t.s文件設定係統主頻:然後針對U-Boot所支持的LPC2292硬件資源配置信息作必要的修改,如外部存儲(chu) 器控製器(EMC)、以太網控製器等的硬件連接信息;接下來修改串口驅動代碼使之與(yu) 係統主頻匹配;最後通過配置菜單配置U-Boot,主要配置所需要的命令和所要支持的硬件。
3.2 μCLinux移植
LPC2294沒有MMU單元,不能運行定製的Linux,隻能使用μCLinux.主節點移植的μCLinux版本號為(wei) 2.6.25.從(cong) 該版本開始,μCLinux支持CAN總線驅動。移植過程如下:
1)打Philips公司針對該芯片提供的官方補丁;
2)修改NANDFLASH部分的驅動程序;
3)配置μCLinux內(nei) 核;
4)交叉編譯內(nei) 核。
所需源碼及補丁文件如表2所示。
表2 所需源碼及補丁文件

移植需要修改的部分驅動代碼:
1)修改arch/arm/math-lpc22xx/head.s因為(wei) μCLinux假設運行前已由BootLoader完成基本硬件初始化工作,因此不再進行係統時鍾頻率、串口初始化等基本硬件的初始化。在head.s文件中包括初始化存儲(chu) 器控製器、係統分頻器PLL等部分代碼,需要更改這部分代碼,使之與(yu) U-Boot中Lowlevel_init.s文件的描述一致。另外μCLinux運行前必須由BootLoader將其內(nei) 核裝入內(nei) 存偏移量為(wei) 0x80000000的地方,因此要保證在μCLinux源碼中的對應設置與(yu) 啟動引導程序的初始化設置相同。
2)修改NANDFLASH驅動代碼
μCLinux內(nei) 核從(cong) 2.6.14開始更改了NANDFLASH的驅動代碼,使驅動更加智能化,不再需要寫(xie) 讀寫(xie) 函數,隻需要實現讀寫(xie) 時序函數。時序函數隻關(guan) 心如何來發送指令到NANDFLASH,例如寫(xie) 指令周期需要對ALE線使能,那麽(me) μCLinux下的讀寫(xie) 函數會(hui) 給這個(ge) 時序函數發送一段指令中包含使能ALE線的指令,然後將數據寫(xie) 到數據總線上,CLE的實現與(yu) 之相類似。
3.3 CAN控製器驅動設計
對於(yu) 微處理器來說,CAN控製器完全是基於(yu) 事件觸發的,即CAN控製器會(hui) 在本身狀態發生改變時,會(hui) 將狀態變化的結果告訴微處理器。所以微處理器處理CAN控製器時,可以采用中斷的方式,也可以采用輪詢查看CAN控製器狀態的方式來對CAN控製器做出相應的處理。在μCLinux下CAN驅動程序設計包括初始化函數、讀函數、寫(xie) 函數、中斷服務函數等設計,使用文件指針注冊(ce) 設備,用戶程序則通過對設備文件的操作來收發CAN總線數據。CAN驅動程序主要功能包括:
1)CAN控製器的初始化CAN控製器的初始化工作包括硬件使能CAN、設置管腳連接、軟件複位、設置CAN報警界限、設置總線波特率、設置中斷工作方式、設置CAN驗收過濾器的工作方式以及啟動等。
2)CAN總線數據發送先將數據送到發送緩衝(chong) 區,然後對發送寄存器賦值以啟動發送。CAN控製器隻負責發送,並不保證發送成功。因此要知道是否發送成功,須查詢TCS狀態位,或配合發送成功中斷來判斷。
3)CAN總線數據接收CAN總線數據接收通過讀取狀態寄存器查詢當前緩衝(chong) 區中是否有數據,當有數據時將數據讀出並放到CAN接收環形數據存儲(chu) 區中,當用戶程序需要數據時則從(cong) 該緩存區中讀出。
4)CAN中斷處理 通過中斷獲知CAN控製器的當前狀態,然後做出相應的處理,包括接收中斷處理、發送中斷處理以及異常中斷處理。中斷處理由中斷服務函數實現。
4 結論
本文提出一種基於(yu) LPC2294微控製器,使用μCLinux作為(wei) 操作係統的CAN主節點軟硬件設計方案。主節點通過擴展SRAM、FLASH提高了係統的性能,采用帶隔離功能的CAN收發器增強了CAN總線節點的抗幹擾能力,外接以太網控製器實現了計算機遠程監控。基於(yu) μCLinux的軟件係統既提高了係統的穩定性、應用軟件的開發效率,又使得眾(zhong) 多的Linux平台軟件可容易地移植到主節點,增強係統的功能。通過製作了樣機並進行實驗,驗證了這一方案的有效性。
轉載請注明出處。







相關文章
熱門資訊
精彩導讀



















關注我們

