1 引言
近幾年來,機床在金屬切削加工中占有主導地位,而且成為(wei) 衡量一個(ge) 國家國民經濟發展和工業(ye) 製造整體(ti) 水平的重要標誌之一。主軸是機床構成中的一個(ge) 重要部分,對於(yu) 提高加工效率,擴大加工材料範圍,提升加工質量都有著很重要的作用。目前機床主軸電機大多采用交流主軸電機,通過皮帶傳(chuan) 動帶動主軸旋轉,或通過皮帶傳(chuan) 動和主軸箱內(nei) 的減速齒輪(以獲得更大的轉矩)帶動主軸旋轉。為(wei) 提高機床加工效率,減少加工零件之間的工藝時間,一般主軸製動采用機械製動方式,但是由於(yu) 主軸慣性大,停車時間長,刹車部件很容易磨損,因此必須定時檢查,定期更換。
2 係統組成
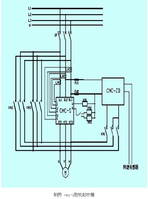
主軸電機控製係統選用西安西馳電氣有限責任公司生產(chan) 的cmc-s型軟起動器(該款軟起動器具有多種起動方式、模擬信號控製功能、中英文顯示界麵,並配有先進的rs-485通訊接口等特點)和cmc-dz製動單元,如附圖所示。通過設定軟起動器內(nei) 部參數,起動時主軸電機無級調速起動,避免了對車間供電係統的影響,減小機床內(nei) 部機械衝(chong) 擊;停車時配合cmc-dz製動單元使主軸電機在設定時間內(nei) 準確平穩的停止,減少了加工零件之間的工序時間。從(cong) 而提高了機床工作效率,延長了使用壽命。

3 軟起動器參數設置
使用cmc-s軟起動器時,一般將下列參數設定為(wei) :
起動時間 1m00 5s
初始電壓 1m01 20s
刹車時間 1m06 3s
電流限幅值 1m08 2.5倍
其餘(yu) 參數可按說明書(shu) 設定。
4 軟起動器控製過程
當設置完參數後,機床主軸電機可在設定時間內(nei) ,從(cong) 零轉速到額定轉速無級平滑地起動。起動完畢後,軟起動器停止輸出,旁路接觸器閉合(正、反轉通過旁路兩(liang) 個(ge) 接觸器km2、km3實現)。此時軟起動器轉為(wei) 監控狀態,對主軸電機運行進行保護。
主軸電機停車時,cmc-s軟起動器配合cmc-dz製動單元實現製動停車。cmc-dz製動單元帶有信號采集、pid控製,且屬能耗製動方式,在主軸電機三相繞組間輸入直流電(需設置輸出電壓)。機床停車時,軟起動器控製旁路接觸器km2或km3斷開,刹車製動節點閉合,km1閉合,製動單元輸出端接通主軸電機回路,dz製動單元通過安裝在主軸上的轉速#p#分頁標題#e#傳(chuan) 感器對電機轉速進行檢測並通過采樣來的轉速信號,以調節輸入主軸電機的直流電壓。在設定刹車時間內(nei) ,當電機轉速較高時,製動單元輸出電流大,零轉速時輸出電流也降為(wei) 零,從(cong) 而使其主軸準確平穩地停止。
5 結束語
此軟起動控製係統能夠準確可靠地判別機床主軸的旋轉狀態,避免了機床的誤動作,減少了主軸加工的輔助時間,使機床的保護性能更趨於(yu) 完善。減少了機床製動過程中機械零件的碰撞,延長了檢修周期,節省了人力﹑物力開支。在西安昆侖(lun) 廠﹑寶雞機械廠等用戶中得到了一致好評。
轉載請注明出處。







相關文章
熱門資訊
精彩導讀



















關注我們

